LEMON Manuals: Even more car manuals for everyone: 1960-2025
Home >> Toyota >> 2003 >> RAV4 Base, AWD, Standard >> Repair and Diagnosis (Single Page) >> Engine Performance >> System >> Engine Controls - System & Component Testing - 4-Cylinder >> Computerized Engine Controls >> Starter Motor Signal Circuit >> RAV4
April 5, 2026: LEMON Manuals is launched! Read the announcement.

Starter Motor Signal Circuit: RAV4

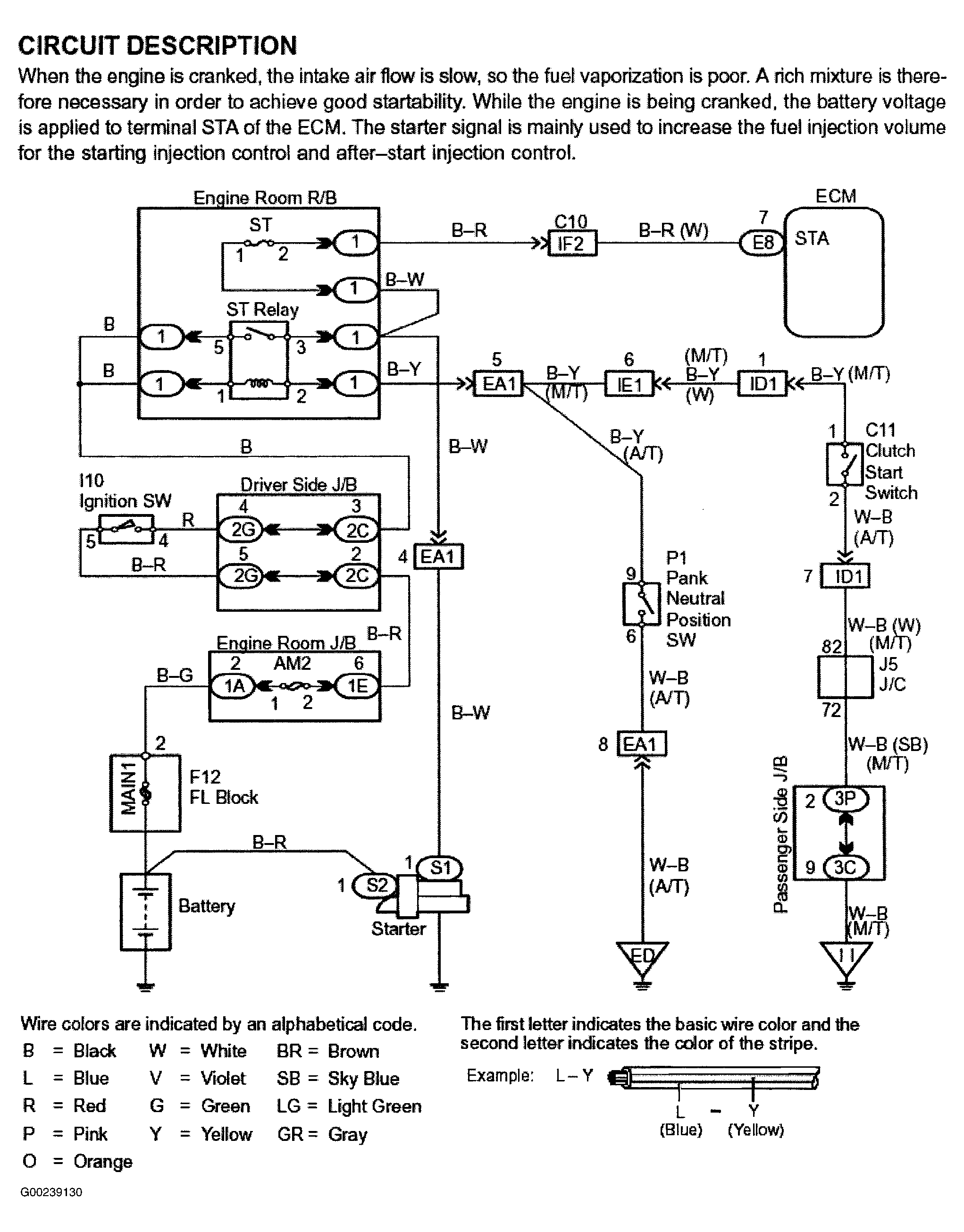
For starter signal circuit inspection and wiring diagram, see Fig 1-Fig 4 . Before replacing ECM, check ECM connectors and ground circuits. See ENGINE CONTROL MODULE POWER & GROUND CIRCUITS .

Fig 1: Starter Motor Signal Circuit Description & Wiring Diagram (RAV4)
G00239130Courtesy of © TOYOTA, LICENSE AGREEMENT TMS1002
Fig 2: Starter Motor Signal Circuit Inspection Using Toyota Hand-Held Tester (RAV4)
G00239131Courtesy of © TOYOTA, LICENSE AGREEMENT TMS1002
Fig 3: Starter Motor Signal Circuit Inspection Using OBD II Scan Tool (RAV4)
G00239132Courtesy of © TOYOTA, LICENSE AGREEMENT TMS1002
Fig 4: Locating Data Link Connector No. 3 (RAV4)
G00016677Courtesy of © TOYOTA, LICENSE AGREEMENT TMS1002