LEMON Manuals: Even more car manuals for everyone: 1960-2025
Home >> Toyota >> 2004 >> Avalon XLS >> Repair and Diagnosis (Single Page) >> Engine Mechanical >> Auxiliary Emission Control Systems >> Emission Control System >> Parts Layout And Schematic Drawing >> Drawing
April 5, 2026: LEMON Manuals is launched! Read the announcement.

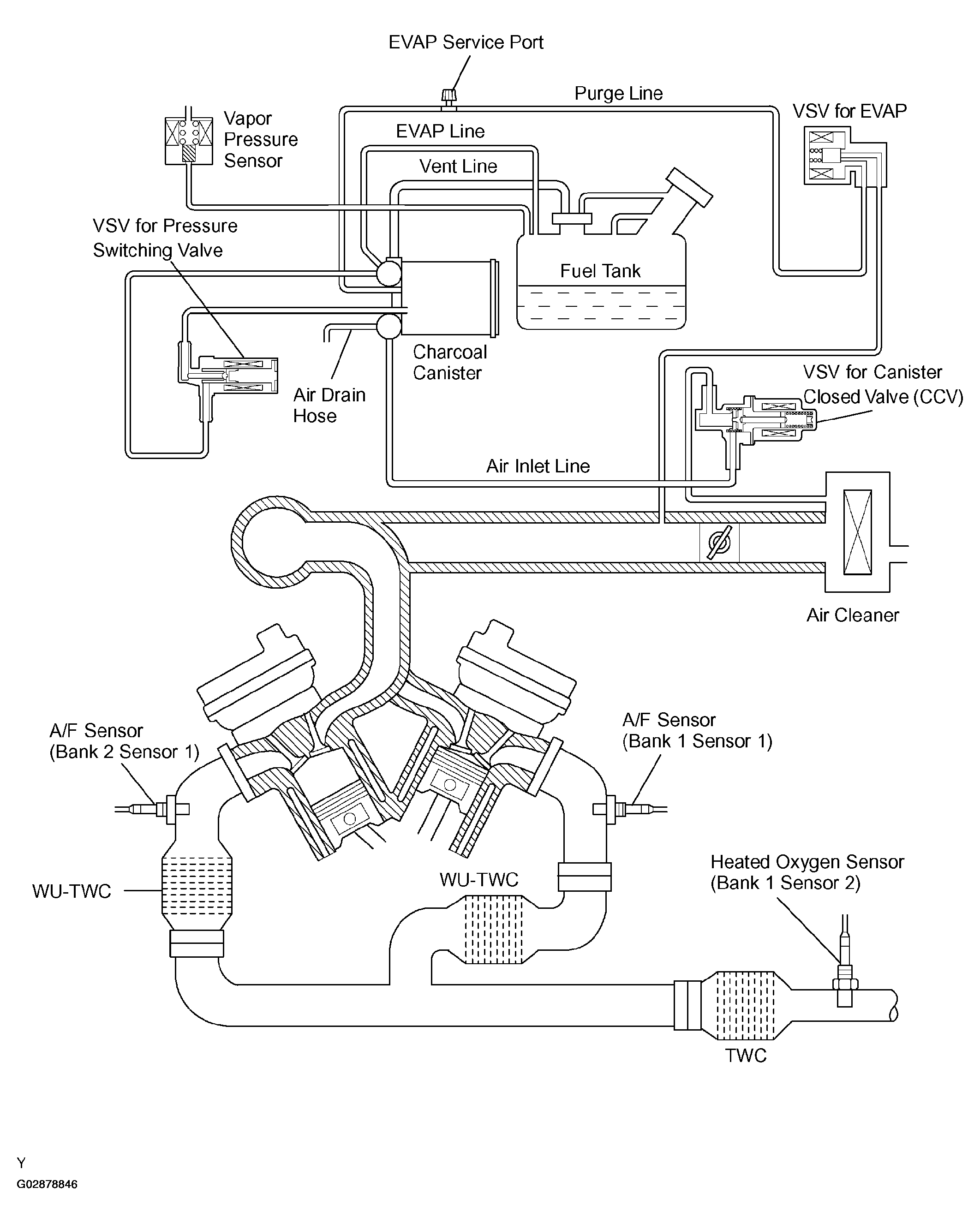
Parts Layout And Schematic Drawing: Drawing

Fig 1: Schematic Drawing - Emission Control
G02878846Courtesy of © TOYOTA, LICENSE AGREEMENT TMS1002