LEMON Manuals: Even more car manuals for everyone: 1960-2025
Home >> Toyota >> 2004 >> Corolla LE, Standard >> Repair and Diagnosis >> Engine Performance >> System >> Engine Control System (SFI) - Diagnostics >> Stop Light Switch Circuit >> Wiring Diagram
April 5, 2026: LEMON Manuals is launched! Read the announcement.

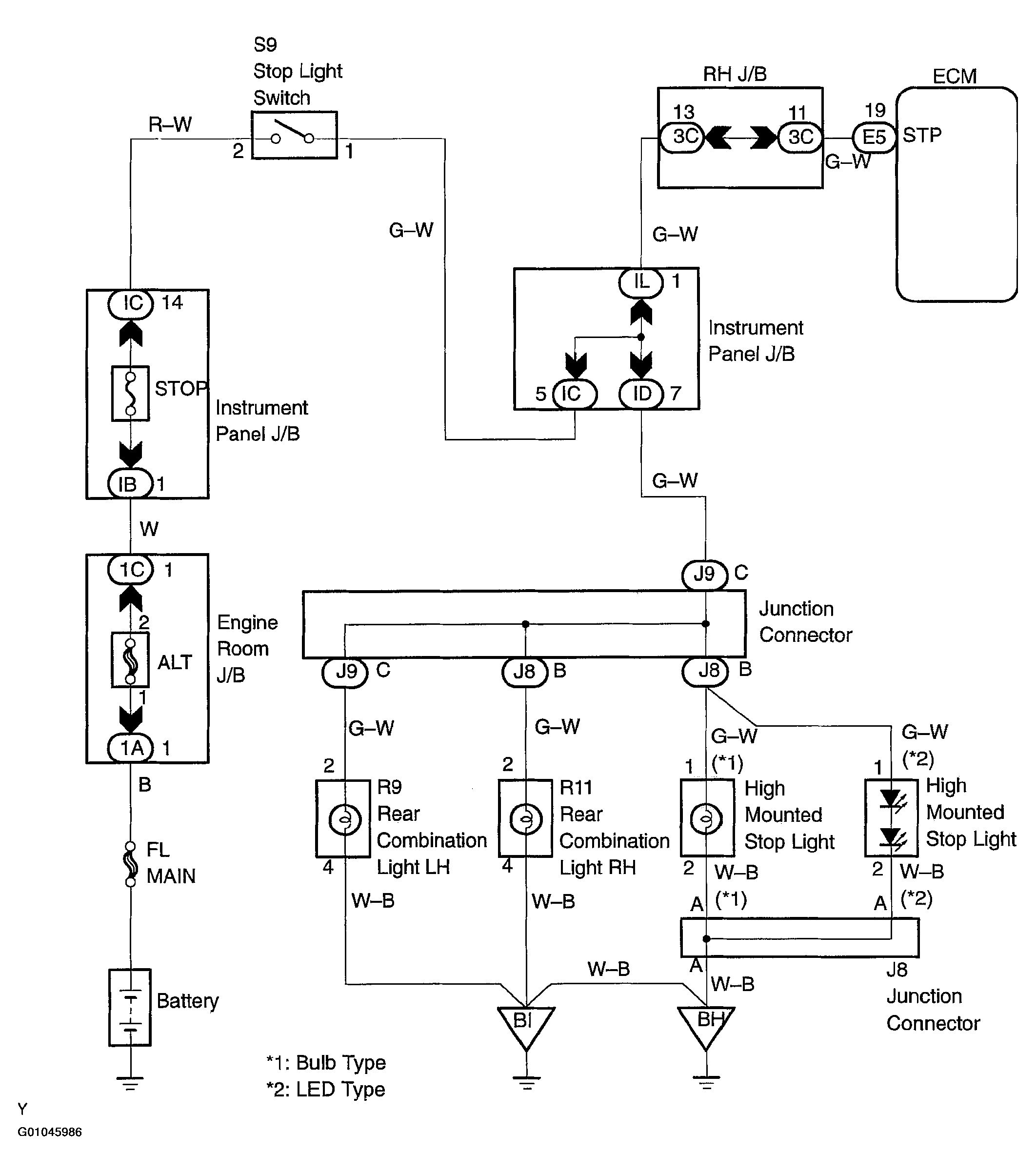
Stop Light Switch Circuit: Wiring Diagram

Fig 1: Stop Light Switch Circuit Wiring Diagram
G01045986Courtesy of © TOYOTA, LICENSE AGREEMENT TMS1002