LEMON Manuals: Even more car manuals for everyone: 1960-2025
Home >> Toyota >> 2004 >> Highlander Base, 2.4 D, AWD >> Repair and Diagnosis >> External Pages >> Different car >> Section 697 (Engine Control System (Introduction)) >> Wiring Diagram >> Engine Control System >> Wiring Diagram
April 5, 2026: LEMON Manuals is launched! Read the announcement.

Engine Control System: Wiring Diagram

WARNING: This page is about a different car, the 2013 Nissan Armada. However, it is still accessible from the selected car via links, so may be relevant.
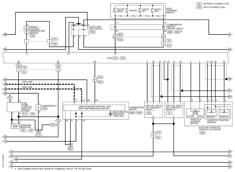
Fig 1: Engine Control System - Wiring Diagram (1 Of 5)
G08693837Courtesy of NISSAN NORTH AMERICA, INC.
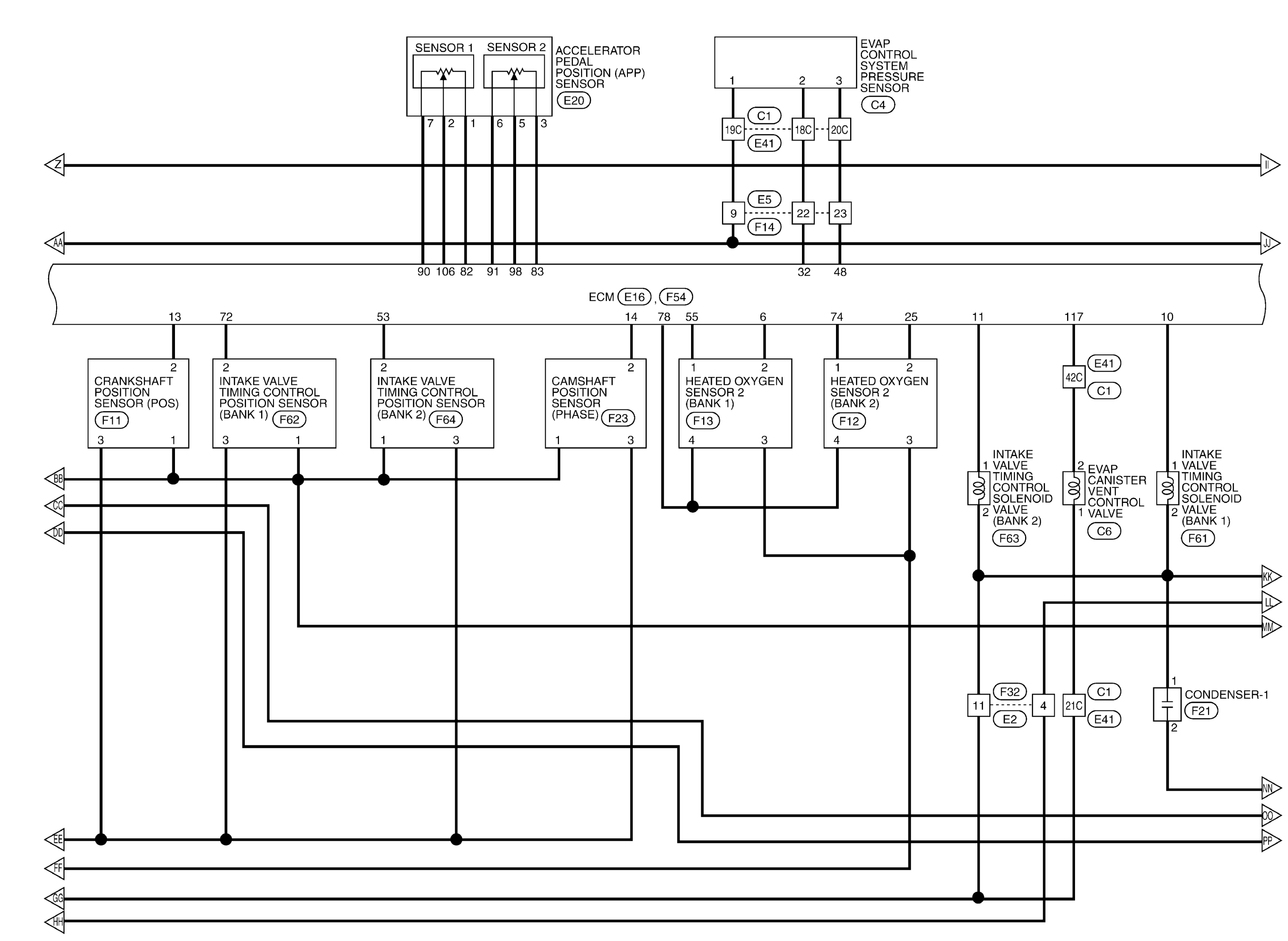
Fig 2: Engine Control System - Wiring Diagram (2 Of 5)
G08693838Courtesy of NISSAN NORTH AMERICA, INC.
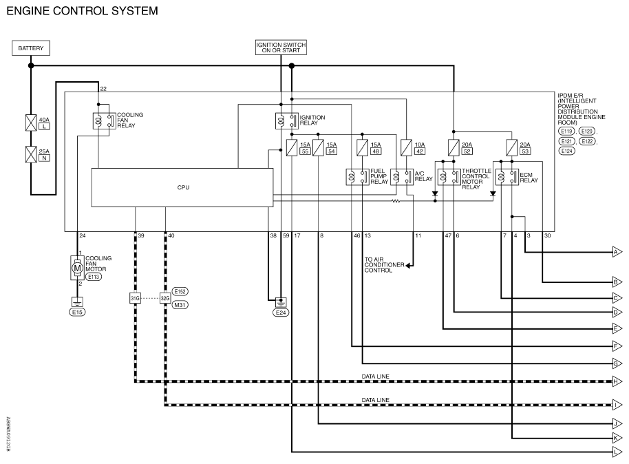
Fig 3: Engine Control System - Wiring Diagram (3 Of 5)
G08693839Courtesy of NISSAN NORTH AMERICA, INC.
Fig 4: Engine Control System - Wiring Diagram (4 Of 5)
G08693840Courtesy of NISSAN NORTH AMERICA, INC.
Fig 5: Engine Control System - Wiring Diagram (5 Of 5)
G08693841Courtesy of NISSAN NORTH AMERICA, INC.
Fig 6: Engine Control System Connector End View (1 Of 18)
G08693842Courtesy of NISSAN NORTH AMERICA, INC.
Fig 7: Engine Control System Connector End View (2 Of 18)
G08693843Courtesy of NISSAN NORTH AMERICA, INC.
Fig 8: Engine Control System Connector End View (3 Of 18)
G08693844Courtesy of NISSAN NORTH AMERICA, INC.
Fig 9: Engine Control System Connector End View (4 Of 18)
G08693845Courtesy of NISSAN NORTH AMERICA, INC.
Fig 10: Engine Control System Connector End View (5 Of 18)
G08693846Courtesy of NISSAN NORTH AMERICA, INC.
Fig 11: Engine Control System Connector End View (6 Of 18)
G08693847Courtesy of NISSAN NORTH AMERICA, INC.
Fig 12: Engine Control System Connector End View (7 Of 18)
G08693848Courtesy of NISSAN NORTH AMERICA, INC.
Fig 13: Engine Control System Connector End View (8 Of 18)
G08693849Courtesy of NISSAN NORTH AMERICA, INC.
Fig 14: Engine Control System Connector End View (9 Of 18)
G08693850Courtesy of NISSAN NORTH AMERICA, INC.
Fig 15: Engine Control System Connector End View (10 Of 18)
G08693851Courtesy of NISSAN NORTH AMERICA, INC.
Fig 16: Engine Control System Connector End View (11 Of 18)
G08693852Courtesy of NISSAN NORTH AMERICA, INC.
Fig 17: Engine Control System Connector End View (12 Of 18)
G08693853Courtesy of NISSAN NORTH AMERICA, INC.
Fig 18: Engine Control System Connector End View (13 Of 18)
G08693854Courtesy of NISSAN NORTH AMERICA, INC.
Fig 19: Engine Control System Connector End View (14 Of 18)
G08693855Courtesy of NISSAN NORTH AMERICA, INC.
Fig 20: Engine Control System Connector End View (15 Of 18)
G08693856Courtesy of NISSAN NORTH AMERICA, INC.
Fig 21: Engine Control System Connector End View (16 Of 18)
G08693857Courtesy of NISSAN NORTH AMERICA, INC.
Fig 22: Engine Control System Connector End View (17 Of 18)
G08693858Courtesy of NISSAN NORTH AMERICA, INC.
Fig 23: Engine Control System Connector End View (18 Of 18)
G08693859Courtesy of NISSAN NORTH AMERICA, INC.