LEMON Manuals: Even more car manuals for everyone: 1960-2025
Home >> Toyota >> 2004 >> Highlander Base, 3.3 P, AWD >> Repair and Diagnosis >> Body & Frame >> Windows >> Power Window Control System - Diagnostics >> Windows Cannot Be Operated Via Regulator Switch At Each Seat >> Wiring Diagram
April 5, 2026: LEMON Manuals is launched! Read the announcement.

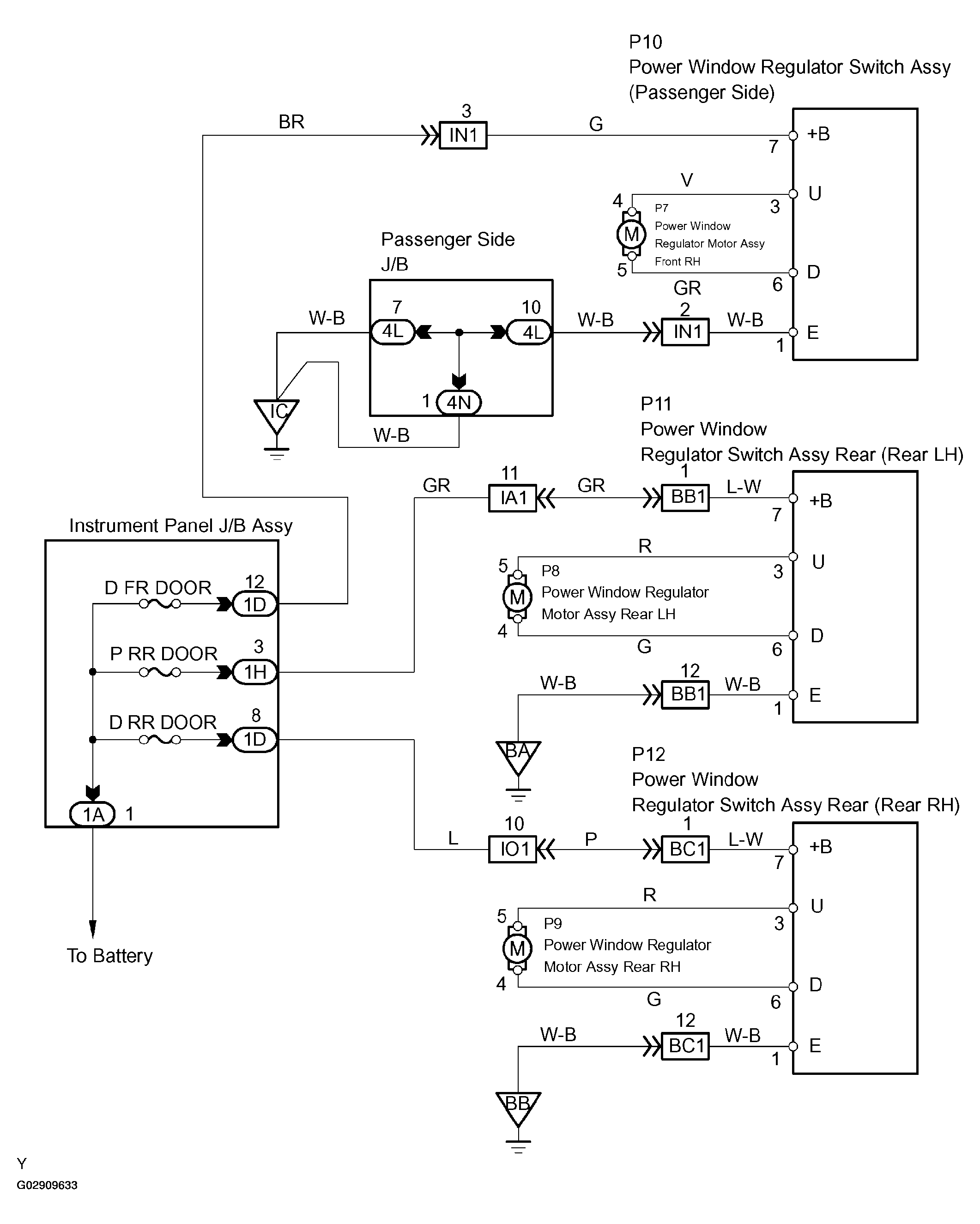
Windows Cannot Be Operated Via Regulator Switch At Each Seat: Wiring Diagram

Fig 1: Identifying Power Window Regulator Switch Assy (Passenger Side) Wiring Diagram
G02909633Courtesy of © TOYOTA, LICENSE AGREEMENT TMS1002