LEMON Manuals: Even more car manuals for everyone: 1960-2025
Home >> Toyota >> 2004 >> Highlander Limited, AWD >> Repair and Diagnosis >> External Pages >> Different car >> Section 894 (Security Control System (Without Intelligent Key System)) >> Wiring Diagram >> Vehicle Security System >> Wiring Diagram
April 5, 2026: LEMON Manuals is launched! Read the announcement.

Vehicle Security System: Wiring Diagram

WARNING: This page is about a different car, the 2013 Nissan Armada. However, it is still accessible from the selected car via links, so may be relevant.
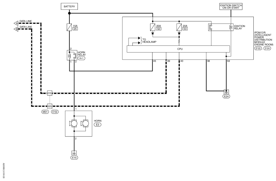
Fig 1: Vehicle Security System - Wiring Diagram (1 Of 2)
G08693094Courtesy of NISSAN NORTH AMERICA, INC.
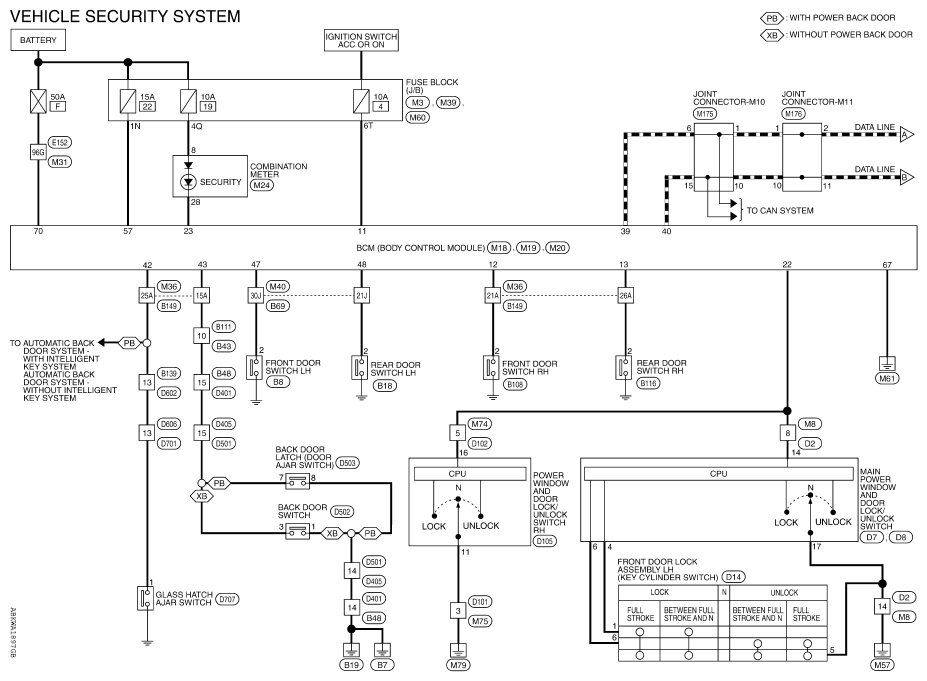
Fig 2: Vehicle Security System - Wiring Diagram (2 Of 2)
G08693095Courtesy of NISSAN NORTH AMERICA, INC.
Fig 3: Vehicle Security System Connector End View (1 Of 9)
G08693096Courtesy of NISSAN NORTH AMERICA, INC.
Fig 4: Vehicle Security System Connector End View (2 Of 9)
G08693097Courtesy of NISSAN NORTH AMERICA, INC.
Fig 5: Vehicle Security System Connector End View (3 Of 9)
G08693098Courtesy of NISSAN NORTH AMERICA, INC.
Fig 6: Vehicle Security System Connector End View (4 Of 9)
G08693099Courtesy of NISSAN NORTH AMERICA, INC.
Fig 7: Vehicle Security System Connector End View (5 Of 9)
G08693100Courtesy of NISSAN NORTH AMERICA, INC.
Fig 8: Vehicle Security System Connector End View (6 Of 9)
G08693101Courtesy of NISSAN NORTH AMERICA, INC.
Fig 9: Vehicle Security System Connector End View (7 Of 9)
G08693102Courtesy of NISSAN NORTH AMERICA, INC.
Fig 10: Vehicle Security System Connector End View (8 Of 9)
G08693103Courtesy of NISSAN NORTH AMERICA, INC.
Fig 11: Vehicle Security System Connector End View (9 Of 9)
G08693104Courtesy of NISSAN NORTH AMERICA, INC.