LEMON Manuals: Even more car manuals for everyone: 1960-2025
Home >> Toyota >> 2004 >> Land Cruiser >> Repair and Diagnosis >> Body & Frame >> Body, Cab Control Systems >> Body Control Systems - Diagnostics >> Light Control Switch Circuit >> Wiring Diagram
April 5, 2026: LEMON Manuals is launched! Read the announcement.

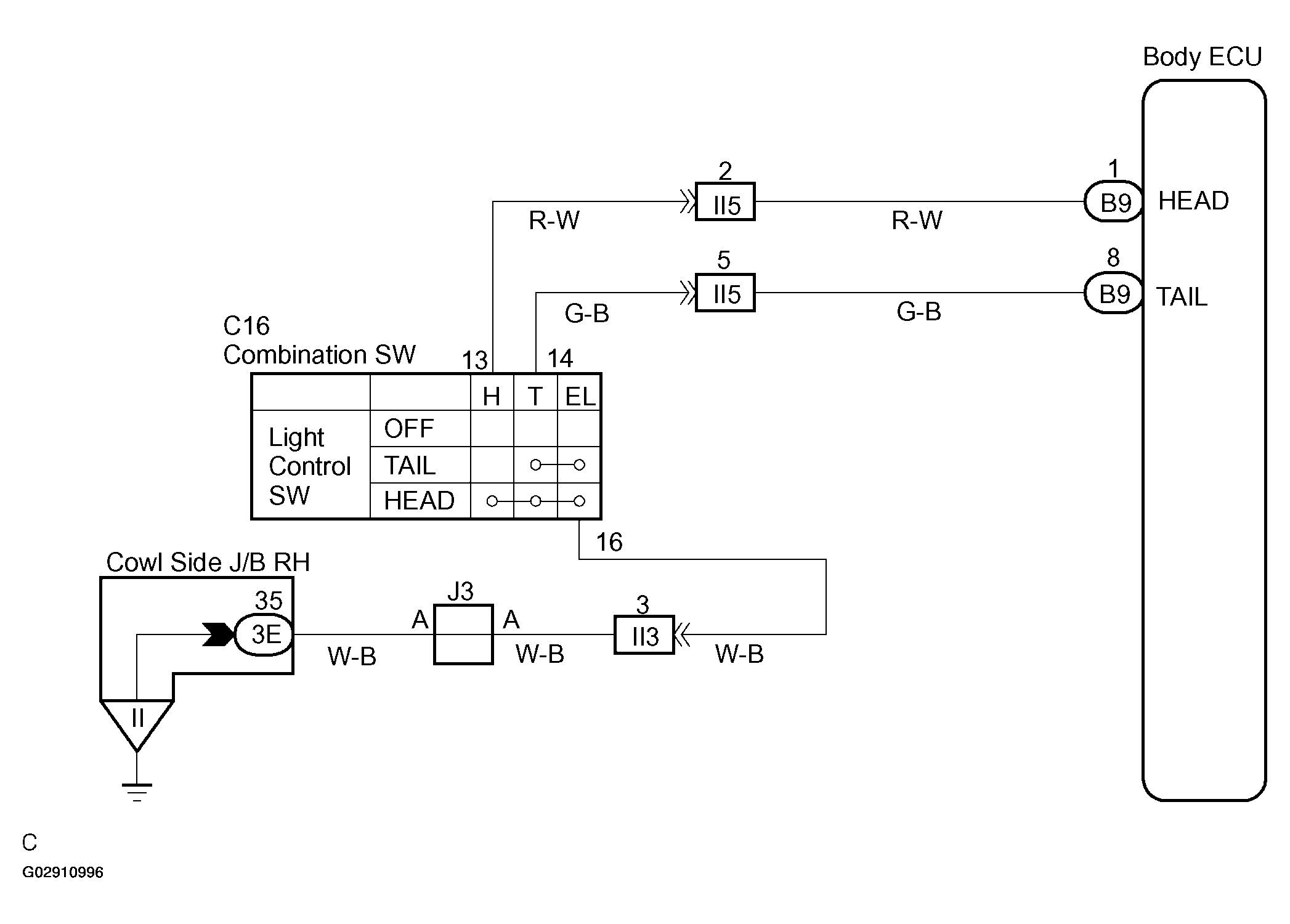
Light Control Switch Circuit: Wiring Diagram

Fig 1: Light Control Switch Wiring Diagram
G02910996Courtesy of © TOYOTA, LICENSE AGREEMENT TMS1002