LEMON Manuals: Even more car manuals for everyone: 1960-2025
Home >> Toyota >> 2004 >> Land Cruiser >> Repair and Diagnosis >> Body & Frame >> Body, Cab Control Systems >> Body Control Systems - Diagnostics >> Power Source Circuit >> Wiring Diagram
April 5, 2026: LEMON Manuals is launched! Read the announcement.

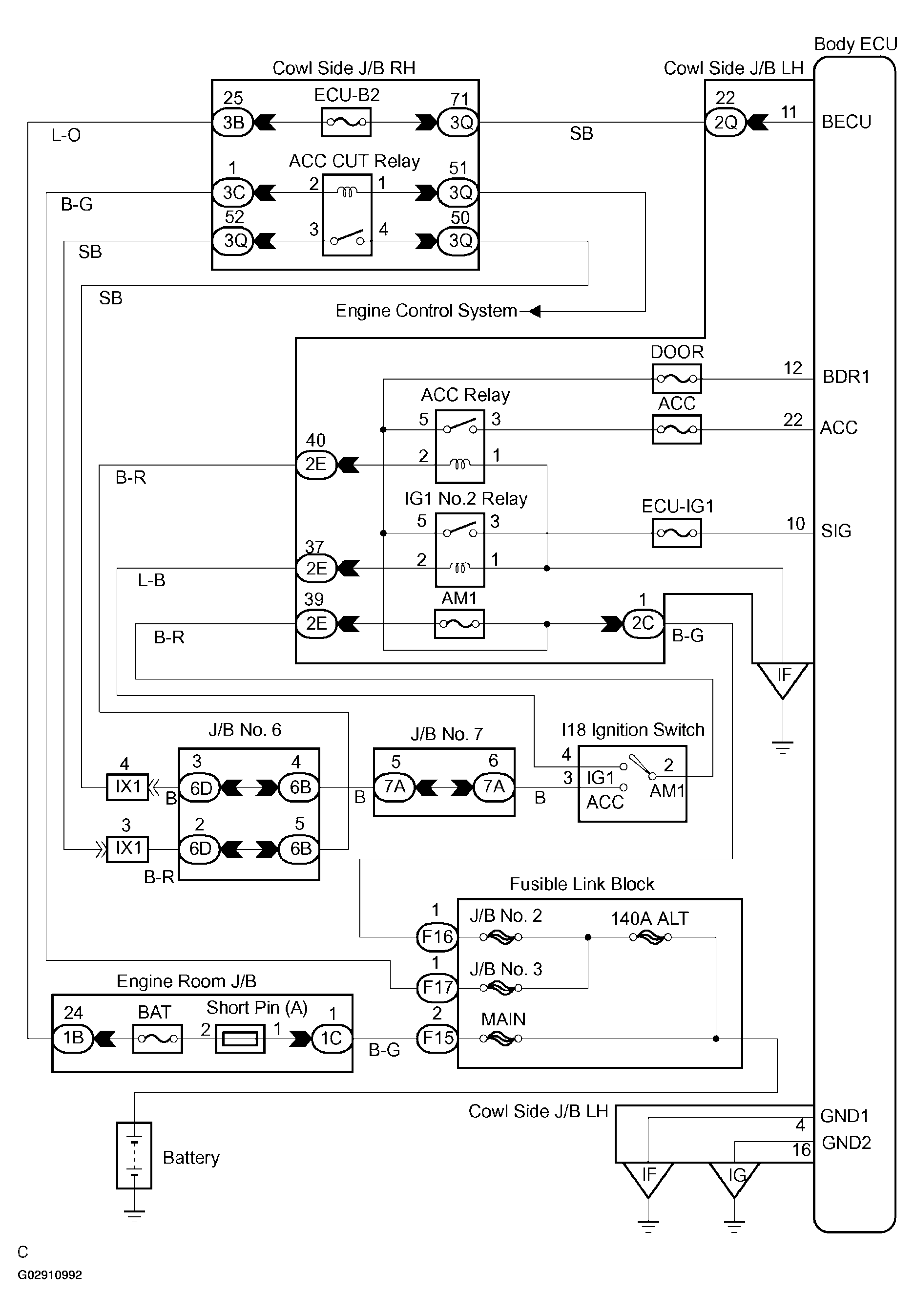
Power Source Circuit: Wiring Diagram

Fig 1: Power Source Wiring Diagram
G02910992Courtesy of © TOYOTA, LICENSE AGREEMENT TMS1002