LEMON Manuals: Even more car manuals for everyone: 1960-2025
Home >> Toyota >> 2004 >> Land Cruiser >> Repair and Diagnosis >> General Information >> Identification >> Introduction >> How To Troubleshoot Ecu Controlled Systems >> How To Use The Diagnostic Chart And Inspection Procedure
April 5, 2026: LEMON Manuals is launched! Read the announcement.

How To Use The Diagnostic Chart And Inspection Procedure

  1. CONNECTOR CONNECTION AND TERMINAL INSPECTION 
    • For troubleshooting, diagnostic trouble code charts or problem symptom table are provided for each circuit with detailed inspection procedures.
    • When all the component parts, wire harnesses and connectors of each circuit except the ECU are found to be normal in troubleshooting, then it is determined that the problem is in the ECU. Accordingly, if diagnosis is performed without the problem symptoms occurring, refer to Step  8 to replace the ECU. So always confirm that the problem symptoms are occurring, or proceed with inspection while using the symptom simulation method.
    • The instructions "Check wire harness and connector" and "Check and replace ECU" which appear in the inspection procedure, are common and applicable to all diagnostic trouble codes. Follow the procedure outlined below whenever these instructions appear.

    OPEN CIRCUIT:

    This could be due to a disconnected wire harness, faulty contact in the connector, and a connector terminal pulled out, etc.

    Fig 1: Disconnected Wire Harness
    G02909998Courtesy of © TOYOTA, LICENSE AGREEMENT TMS1002
    NOTE:
    • It is rarely the case that a wire is broken in the middle of it. Most cases occur at the connector. In particular, carefully check the connectors of sensors and actuators
      Fig 2: Broken Wire
      G02909999Courtesy of © TOYOTA, LICENSE AGREEMENT TMS1002
    • Faulty contact could be due to rusting of the connector terminals, to foreign materials entering terminals or a deformation of connector terminals. Simply disconnecting and reconnecting the connectors once changes the condition of the connection and may result in a return to normal operation. Therefore, in troubleshooting, if no abnormality is found in the wire harness and connector check, but the problem disappears after the check, then the cause is considered to be in the wire harness or connectors.
      Fig 3: Checking Connector Contact
      G02910000Courtesy of © TOYOTA, LICENSE AGREEMENT TMS1002

    SHORT CIRCUIT:

    This could be due to a contact between wire harness and the body ground or to a short circuit occurred inside the switch, etc.

    NOTE:

    When there is a short circuit between the wire harness and body ground, check thoroughly whether the wire harness is caught in the body or is clamped properly.

  2. CONNECTOR HANDLING 

    When inserting tester probes into a connector, insert them from the rear of the connector. When necessary, use mini test leads. For water resistant connectors which cannot be accessed from behind, take good care not to deform the connector terminals.

    Fig 4: Handling & Probing Connector
    G02910001Courtesy of © TOYOTA, LICENSE AGREEMENT TMS1002
  3. CONTINUITY CHECK (OPEN CIRCUIT CHECK) 
    1. Disconnect the connectors at both ECU and sensor sides.
      Fig 5: Disconnecting Connectors both ECU and Sensor side
      G02910002Courtesy of © TOYOTA, LICENSE AGREEMENT TMS1002
    2. NOTE:

      Measure the resistance while lightly shaking the wire harness vertically and horizontally.

      Fig 6: Checking Resistance (Terminal To Terminal)
      G02910003Courtesy of © TOYOTA, LICENSE AGREEMENT TMS1002
    3. Measure the resistance between the applicable terminals of the connectors.

      Resistance: 1 Ω or less 

  4. RESISTANCE CHECK (SHORT CIRCUIT CHECK) 
    1. Disconnect the connectors on both ends.
    2. Measure the resistance between the applicable terminals of the connectors and body ground. Be sure to carry out this check on the connectors on both ends.

      Resistance: 1 MΩ or higher 

    HINT:

    Measure the resistance while lightly shaking the wire harness vertically and horizontally.

    Fig 7: Checking Resistance (Terminal To Body Ground)
    G02910004Courtesy of © TOYOTA, LICENSE AGREEMENT TMS1002
  5. VISUAL CHECK AND CONTACT PRESSURE CHECK 
    1. Disconnect the connectors at both ends.
    2. Check for rust or foreign material, etc. in the terminals of the connectors.
    3. CAUTION: When testing a gold-plated female terminal, always use a gold-plated male terminal.
      NOTE:

      The terminals should not come out when pulled lightly from the back.


      When the test terminal is pulled out more easily than others, there may be poor contact in that section.
      Fig 8: Checking Contact Pressure
      G02910005Courtesy of © TOYOTA, LICENSE AGREEMENT TMS1002
    4. Check crimped portions for looseness or damage and check that the terminals are secured in lock portion.
    5. Prepare a test male terminal and insert it in the female terminal, then pull it out.
  6. CHECK OPEN CIRCUIT 

    For the open circuit in the wire harness in Fig 9, perform "( a) Continuity Check" or "( b) Voltage Check" to locate the section.

    Fig 9: Diagraming Open Circuit
    G02910006Courtesy of © TOYOTA, LICENSE AGREEMENT TMS1002
    1. Check the continuity.
      Fig 10: Identifying Open Side Of Wire Harness
      G02910007Courtesy of © TOYOTA, LICENSE AGREEMENT TMS1002
      1. Disconnect connectors "A" and "C" and measure the resistance between them.

        In the case of Fig. 2,

        Between terminal 1 of connector "A" and terminal 1

        of connector "C" --> No continuity (open)

        Between terminal 2 of connector "A" and terminal 2

        of connector "C" --> Continuity

        Therefore, it is found out that there is an open circuit

        between terminal 1 of connector "A" and terminal 1

        of connector "C".

      2. Disconnect connector "B" and measure the resistance between the connectors.
        Fig 11: Isolating Open Wire Harness Segment
        G02910008Courtesy of © TOYOTA, LICENSE AGREEMENT TMS1002

        In the case of Fig. 3,

        Between terminal 1 of connector "A" and terminal 1

        of connector "B1" --> Continuity

        Between terminal 1 of connector "B2" and terminal

        1 of connector "C" --> No continuity (open)

        Therefore, it is found out that there is an open circuit

        between terminal 1 of connector "B2" and terminal

        1 of connector "C".

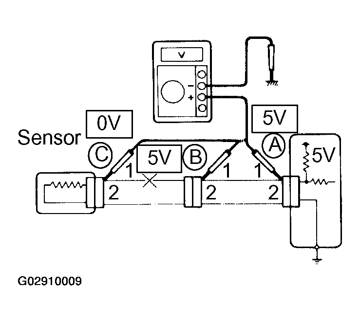
    2. Check the voltage.
      Fig 12: Locating Open By Testing Circuit Voltages
      G02910009Courtesy of © TOYOTA, LICENSE AGREEMENT TMS1002

      In a circuit in which voltage is applied (to the ECU connector terminal), an open circuit can be checked for by conducting a voltage check.

      As shown in Fig 12, with each connector still connected, measure the voltage between body ground and terminal 1 of connector "A" at the ECU 5V output terminal, terminal 1 of connector "B", and terminal 1 of connector "C", in that order.

    If the results are:

    5V: Between Terminal 1 of connector "A" and Body Ground

    5V: Between Terminal 1 of connector "B" and Body Ground

    0V: Between Terminal 1 of connector "C" and Body Ground

    Then it is found out that there is an open circuit in the wire harness between terminal 1 of "B" and terminal 1 of "C".

  7. CHECK SHORT CIRCUIT 

    If the wire harness is ground shorted as in Fig 13, locate the section by conducting a "continuity check with ground".

    Fig 13: Diagraming Circuit Shorted To Ground
    G02910010Courtesy of © TOYOTA, LICENSE AGREEMENT TMS1002

    Check the continuity with ground.

    1. Disconnect connectors "A" and "C" and measure

      the resistance between terminal 1 and 2 of connector "A" and body ground.

      Fig 14: Identifying Side Of Wire Harness Shorted To Ground
      G02910011Courtesy of © TOYOTA, LICENSE AGREEMENT TMS1002

      In the case of Fig 14

      Between terminal 1 of connector "A" and body

      ground --> Continuity (short)

      Between terminal 2 of connector "A" and body

      ground --> No continuity

      Therefore, it is found out that there is a short circuit

      between terminal 1 of connector "A" and terminal 1

      of connector "C".

    2. Disconnect connector "B" and measure the resistance between terminal 1 of connector "A" and body ground, and terminal 1 of connector "B2" and body ground.
      Fig 15: Isolating Wire Shorted To Ground
      G02910012Courtesy of © TOYOTA, LICENSE AGREEMENT TMS1002

      Between terminal 1 of connector "A" and body ground --> No continuity

      Between terminal 1 of connector "B2" and body ground --> Continuity (short)

      Therefore, it is found out that there is a short circuit between terminal 1 of connector "B2" and terminal 1 of connector "C".

  8. CHECK AND REPLACE ECU 

    First check the ECU ground circuit. If it is faulty, repair it. If it is normal, the ECU could be faulty, so replace the ECU with a normal functioning one and check that the symptoms appear.

    1. Measure the resistance between the ECU ground terminal and the body ground.
      Fig 16: Checking Resistance At ECU ground Terminal (Connector Connected)
      G02910013Courtesy of © TOYOTA, LICENSE AGREEMENT TMS1002

      Resistance: 1 Ω or less 

    2. Disconnect the ECU connector, check the ground terminals on the ECU side and the wire harness side for bend and check the contact pressure.
      Fig 17: Checking Resistances At ECU ground (Connector Disconnected)
      G02910014Courtesy of © TOYOTA, LICENSE AGREEMENT TMS1002