LEMON Manuals: Even more car manuals for everyone: 1960-2025
Home >> Toyota >> 2004 >> MR2 C65M >> Repair and Diagnosis >> Engine Performance >> System >> Engine Controls - Diagnostics >> A/C Compressor Circuit >> Wiring Diagram
April 5, 2026: LEMON Manuals is launched! Read the announcement.

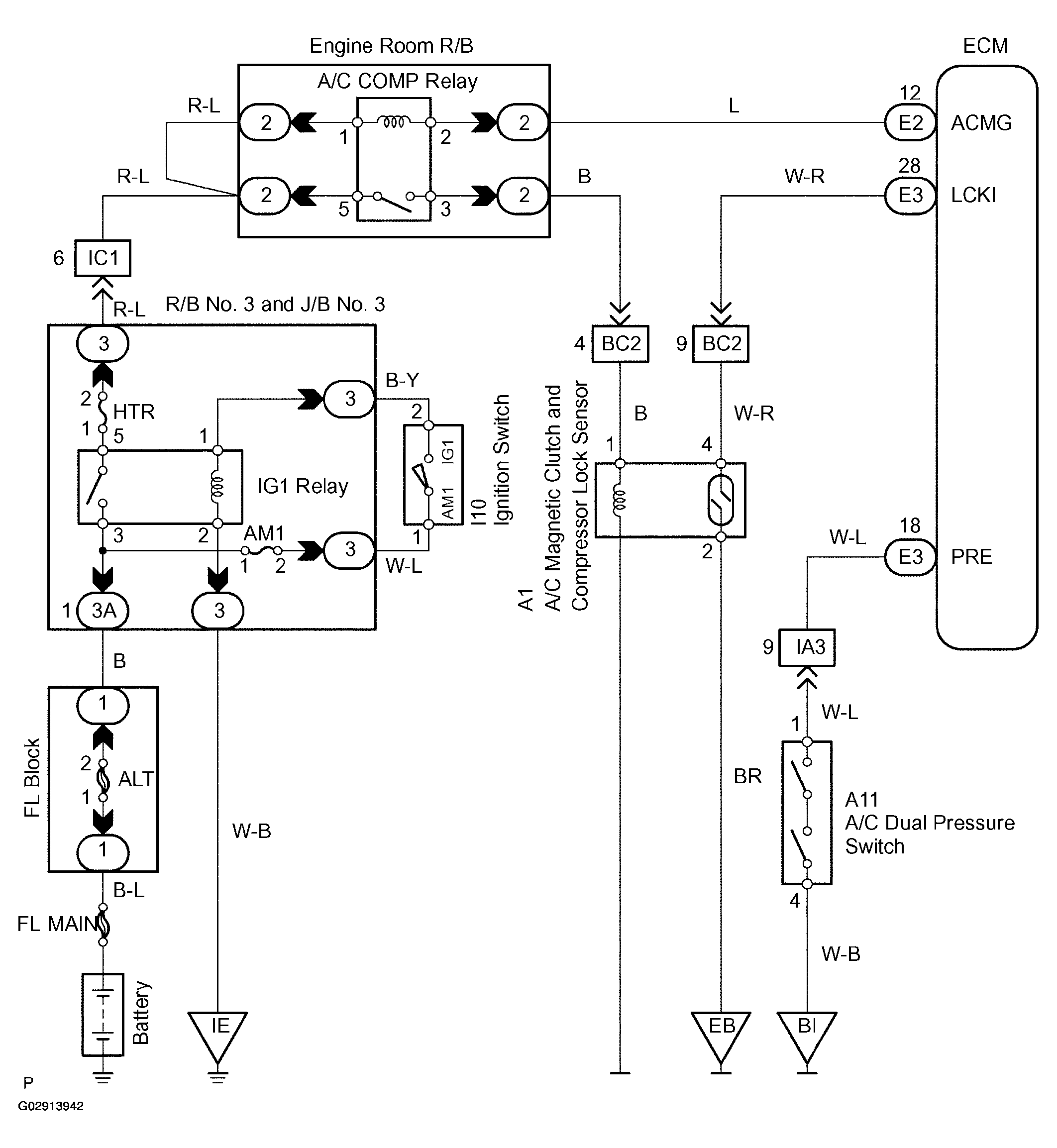
A/C Compressor Circuit: Wiring Diagram

Fig 1: Wiring Diagram - A/C Compressor Circuit
G02913942Courtesy of © TOYOTA, LICENSE AGREEMENT TMS1002