LEMON Manuals: Even more car manuals for everyone: 1960-2025
Home >> Toyota >> 2004 >> MR2 C65M >> Repair and Diagnosis >> Engine Performance >> System >> Engine Controls - Diagnostics >> Fuel Pump Control Circuit >> Wiring Diagram
April 5, 2026: LEMON Manuals is launched! Read the announcement.

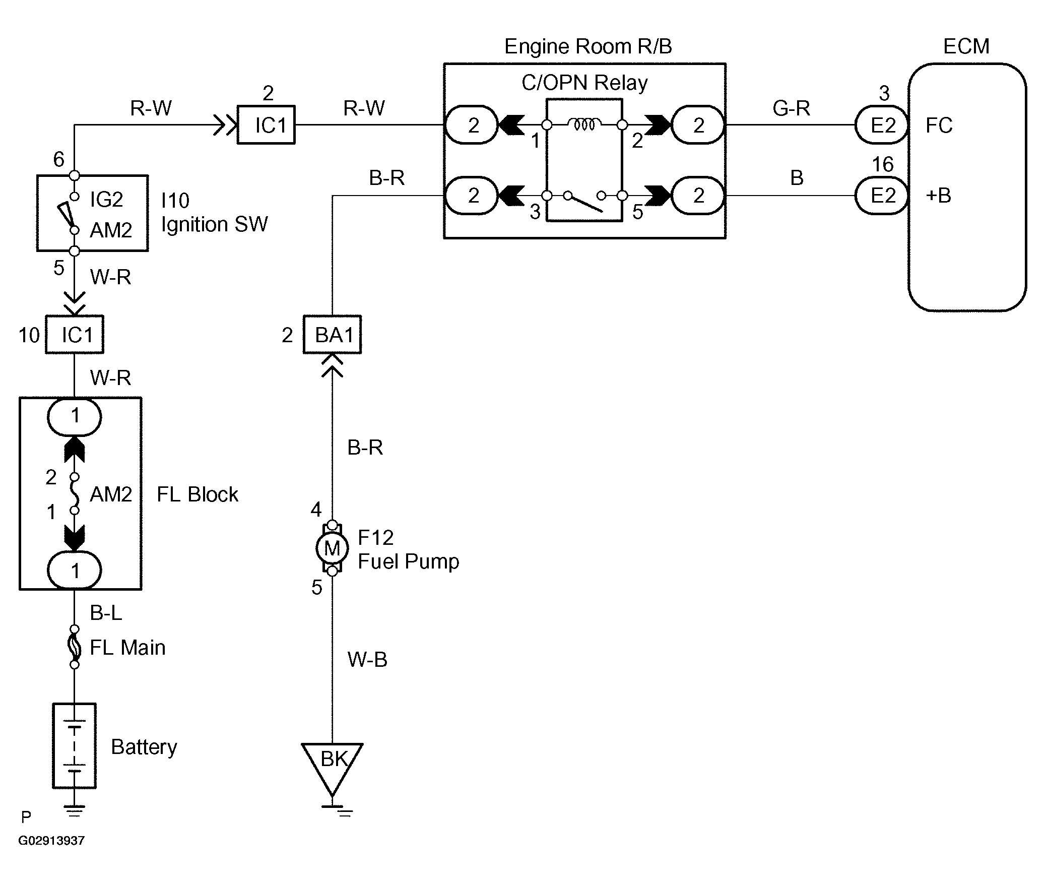
Fuel Pump Control Circuit: Wiring Diagram

Fig 1: Wiring Diagram - Fuel Pump Control Circuit
G02913937Courtesy of © TOYOTA, LICENSE AGREEMENT TMS1002