LEMON Manuals: Even more car manuals for everyone: 1960-2025
Home >> Toyota >> 2004 >> MR2 C65M >> Repair and Diagnosis >> Transmission >> Manual Trans >> Manual Trans Sequential >> Shift Lever >> Components
April 5, 2026: LEMON Manuals is launched! Read the announcement.

Shift Lever: Components

Fig 1: Identifying Shift Lever Components (1 Of 2)
G00928260Courtesy of © TOYOTA, LICENSE AGREEMENT TMS1002
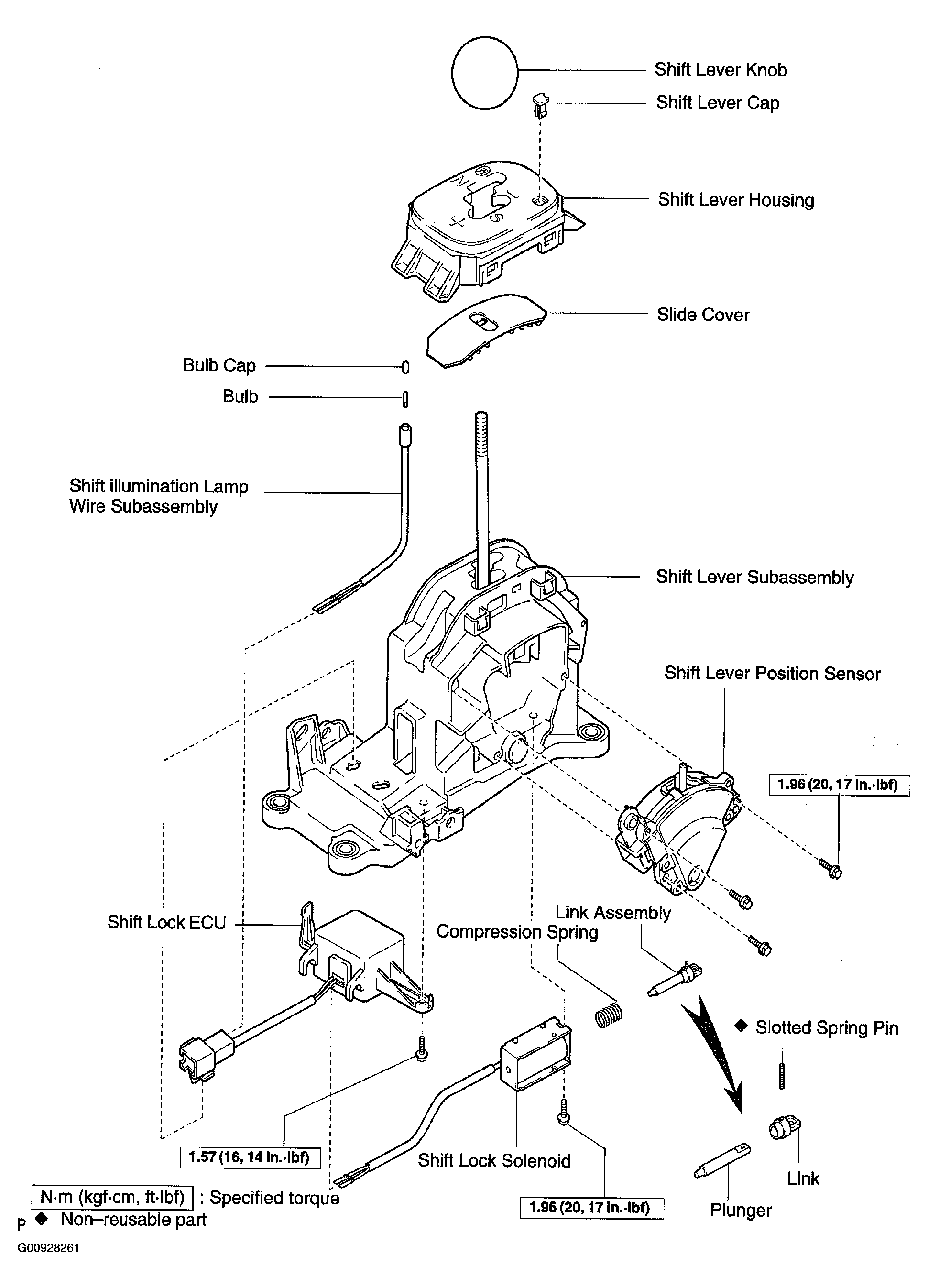
Fig 2: Identifying Shift Lever Components (2 Of 2)
G00928261Courtesy of © TOYOTA, LICENSE AGREEMENT TMS1002