LEMON Manuals: Even more car manuals for everyone: 1960-2025
Home >> Toyota >> 2004 >> Matrix Base, 4WD >> Repair and Diagnosis >> External Pages >> Different car >> Section 212 (Anti-Lock Brake System) >> System Tests >> Test C: Brake Warning Light Circuit >> Testing Procedures
April 5, 2026: LEMON Manuals is launched! Read the announcement.

Testing Procedures

WARNING: This page is about a different car, the 2003 Toyota Prius, 2002 Toyota Prius, and 2001 Toyota Prius. However, it is still accessible from the selected car via links, so may be relevant.

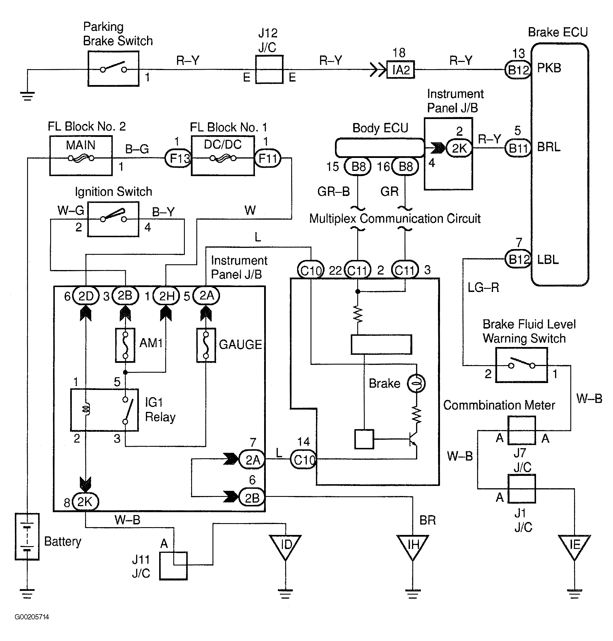
For wiring diagram, see Fig 1. For testing procedures, see Fig 2 and Fig 3 .

Fig 1: Brake Warning Light Wiring Diagram
G00205714Courtesy of © TOYOTA, LICENSE AGREEMENT TMS1002
Fig 2: Brake Warning Light Circuit Testing Procedure (1 Of 2)
G00205715Courtesy of © TOYOTA, LICENSE AGREEMENT TMS1002
Fig 3: Brake Warning Light Circuit Testing Procedure (2 Of 2)
G00205716Courtesy of © TOYOTA, LICENSE AGREEMENT TMS1002