LEMON Manuals: Even more car manuals for everyone: 1960-2025
Home >> Toyota >> 2004 >> Matrix Base, 4WD >> Repair and Diagnosis >> External Pages >> Different car >> Section 695 (Lighting System - Diagnostics) >> DRL Relay Circuit >> Inspection Procedure
April 5, 2026: LEMON Manuals is launched! Read the announcement.

Inspection Procedure

WARNING: This page is about a different car, the 2004 Toyota Camry Solara. However, it is still accessible from the selected car via links, so may be relevant.
  1. INSPECT RELAY 
    1. Inspect DRL No.2 and No.4 relay continuity.
      Fig 1: Inspecting DRL No. 2 & 4 Relay Continuity
      G03049341Courtesy of © TOYOTA, LICENSE AGREEMENT TMS1002
      1. Measure the resistance according to the value(s) in SPECIFIED CONDITION  .

      Standard: 

      SPECIFIED CONDITION

      Tester connection Specified condition
      3-5 10 kΩ or higher
      3-5 Below 1 Ω (When battery voltage is applied to terminals 1-2)
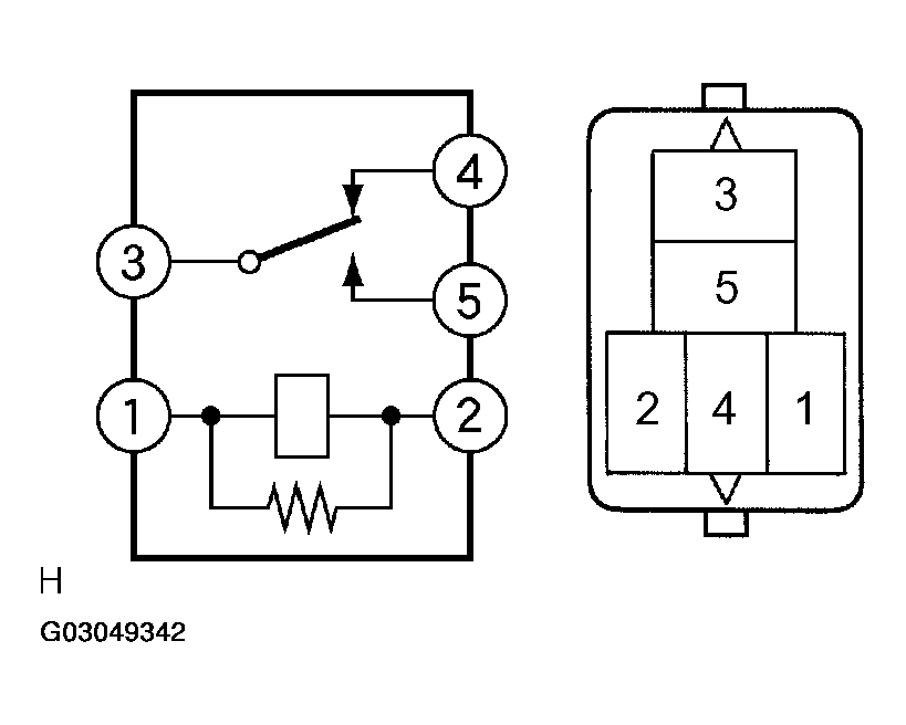
    2. Inspect DRL No.3 relay continuity.
      Fig 2: Inspecting DRL No. 3 Relay Continuity
      G03049342Courtesy of © TOYOTA, LICENSE AGREEMENT TMS1002
      1. Measure the resistance according to the value(s) in Fig 3 .

      Standard: 

      Fig 3: Measuring Resistance Specifications Table
      G03049343Courtesy of © TOYOTA, LICENSE AGREEMENT TMS1002
    1. NG: REPLACE RELAY 
    2. OK: Go to Next Step. 
  2. INSPECT INSTRUMENT PANEL JUNCTION BLOCK ASSY 
    1. Disconnect the 2D connector from the instrument panel junction block assy.
    2. Using a service wire, connect 2D-9 of the wire harness side and body ground.

      OK: Headlamp (high beam) comes on. 

      Fig 4: Connecting 2D-9 & Body Ground Using Service Wire
      G03049344Courtesy of © TOYOTA, LICENSE AGREEMENT TMS1002
    1. NG: Go to step   3 
    2. OK: PROCEED TO NEXT CIRCUIT INSPECTION SHOWN IN PROBLEM SYMPTOMS TABLE (SEE  PROBLEM SYMPTOMS TABLE  ) 
  3. INSPECT ENGINE ROOM J/B 
    1. Measure the voltage according to the value(s) in SPECIFIED VOLTAGE  .

      Standard: 

      SPECIFIED VOLTAGE

      Tester connection Condition Specified voltage (V)
      1G-3 - Body ground Always 10 to 14 V
      1G-4 - Body ground Always 10 to 14 V
      Fig 5: Measuring Voltage Specifications Table
      G03049345Courtesy of © TOYOTA, LICENSE AGREEMENT TMS1002
    1. NG: Go to step   4 
    2. OK: REPAIR OR REPLACE HARNESS OR CONNECTOR (INSTRUMENT PANEL JUNCTION BLOCK ASSY - ENGINE ROOM J/B) OR ENGINE ROOM J/B 
  4. CHECK HARNESS AND CONNECTOR (POWER SOURCE CIRCUIT) 
    1. Disconnect the 1A connector from the engine room junction block assy.
    2. Measure the voltage according to the value(s) in SPECIFIED VOLTAGE  .

      Standard: 

      SPECIFIED VOLTAGE

      Tester connection Condition Specified voltage (V)
      1A-2 - Body ground Always 10 to 14 V
      Fig 6: Measuring Voltage Between 1A-2 & Body Ground
      G03049346Courtesy of © TOYOTA, LICENSE AGREEMENT TMS1002
    1. NG: REPAIR OR REPLACE HARNESS OR CONNECTOR 
    2. OK: Go to Next Step. 
  5. INSPECT ENGINE ROOM J/B 
    1. Measure the voltage according to the value(s) in SPECIFIED VOLTAGE  .

      Standard: 

      SPECIFIED VOLTAGE

      Tester connection Condition Specified voltage (V)
      1F-2 - Body ground Headlamp dimmer switch LOW --> FLASH Below 1 V Ω 10 to 14 V
      Fig 7: Measuring Voltage Between IF-2 & Body Ground
      G03049347Courtesy of © TOYOTA, LICENSE AGREEMENT TMS1002
    1. NG: Go to step   7 
    2. OK: Go to Next Step. 
  6. INSPECT ENGINE ROOM J/B 
    1. Measure the voltage according to the value(s) in SPECIFIED VOLTAGE  .

      Standard: 

      SPECIFIED VOLTAGE

      Tester connection Condition Specified voltage (V)
      1C-1 - Body ground Headlamp dimmer switch LOW --> FLASH Below 1 V Ω 10 to 14 V
      1E-6 - Body ground Headlamp dimmer switch LOW --> FLASH Below 1 V Ω 10 to 14 V
      Fig 8: Measuring Voltage Specifications Table
      G03049348Courtesy of © TOYOTA, LICENSE AGREEMENT TMS1002
    1. NG: REPLACE ENGINE ROOM J/B 
    2. OK: REPAIR OR REPLACE HARNESS OR CONNECTOR (EACH OF HEADLAMP CIRCUIT) OR ENGINE ROOM RELAY BLOCK 
  7. CHECK HARNESS AND CONNECTOR 
    1. Remove the DRL No.2 relay from the engine room relay block.
    2. Disconnect the 1G and 1F connectors of the engine room junction block.
    3. Using a service wire, connect the DRL No.2 terminals 3 and 5.
      Fig 9: Connecting DRL No. 2 Terminals 3 & 5
      G03049349Courtesy of © TOYOTA, LICENSE AGREEMENT TMS1002
    4. Measure the resistance according to the value(s) in SPECIFIED RESISTANCE  .

      Standard: 

      SPECIFIED RESISTANCE

      Tester connection Condition Specified resistance
      1G-3 - 1F-2 Always Below 1 Ω
      1F-2 - Body ground Always 10 kΩ or higher
      Fig 10: Measuring Resistance Specifications Table
      G03049350Courtesy of © TOYOTA, LICENSE AGREEMENT TMS1002
    1. NG: REPAIR OR REPLACE HARNESS OR CONNECTOR 
    2. OK: REPLACE ENGINE ROOM J/B