LEMON Manuals: Even more car manuals for everyone: 1960-2025
Home >> Toyota >> 2004 >> Matrix Base, 4WD >> Repair and Diagnosis >> External Pages >> Different car >> Section 695 (Lighting System - Diagnostics) >> Front Fog Light Circuit >> Inspection Procedure
April 5, 2026: LEMON Manuals is launched! Read the announcement.

Inspection Procedure

WARNING: This page is about a different car, the 2004 Toyota Camry Solara. However, it is still accessible from the selected car via links, so may be relevant.
  1. INSPECT RELAY 
    1. Inspect fog lamp relay continuity.
      Fig 1: Inspecting Fog Lamp Relay Continuity
      G03049373Courtesy of © TOYOTA, LICENSE AGREEMENT TMS1002
      1. Measure the resistance according to the value(s) in Fig 2 .

      Standard: 

      Fig 2: Measuring Resistance Specifications Table
      G03049372Courtesy of © TOYOTA, LICENSE AGREEMENT TMS1002
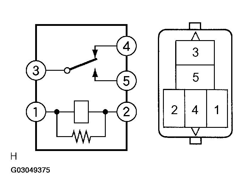
    2. Inspect tail relay continuity.
      Fig 3: Inspecting Tail Relay Continuity
      G03049375Courtesy of © TOYOTA, LICENSE AGREEMENT TMS1002
      1. Measure the resistance according to the value(s) in Fig 4 .

      Standard: 

      Fig 4: Measuring Resistance Specifications Table
      G03049374Courtesy of © TOYOTA, LICENSE AGREEMENT TMS1002
    1. NG: REPLACE RELAY 
    2. OK: Go to Next Step. 
  2. INSPECT INSTRUMENT PANEL JUNCTION BLOCK ASSY (POWER SOURCE CIRCUIT) 
    1. Disconnect the 2A connector from the instrument panel junction block assy.
    2. Measure the voltage according to the value(s) in SPECIFIED CONDITION  .

      Standard: 

      SPECIFIED CONDITION

      Tester connection Condition Specified condition
      2A-1 - Body ground Always 10 to 14 V
      Fig 5: Disconnecting 2A Connector
      G03049359Courtesy of © TOYOTA, LICENSE AGREEMENT TMS1002
    1. NG: REPAIR OR REPLACE HARNESS OR CONNECTOR (BATTERY - INSTRUMENT PANEL JUNCTION BLOCK ASSY) 
    2. OK: Go to Next Step. 
  3. INSPECT INSTRUMENT PANEL JUNCTION BLOCK ASSY 
    1. Measure the voltage according to the value(s) in Fig 6 .

      Standard: 

      Fig 6: Measuring Voltage Specifications Table
      G03049377Courtesy of © TOYOTA, LICENSE AGREEMENT TMS1002
      Fig 7: Inspecting 2C & 2D Connectors
      G03049378Courtesy of © TOYOTA, LICENSE AGREEMENT TMS1002
    1. NG: Go to step   4 
    2. OK: REPAIR OR REPLACE HARNESS OR CONNECTOR (EACH OF FRONT FOG LIGHT CIRCUIT) 
  4. INSPECT INSTRUMENT PANEL JUNCTION BLOCK ASSY 
    1. Measure the voltage according to the value(s) in Fig 8 .

      Standard: 

      Fig 8: Measuring Voltage Between 2L-3 & Body Ground Table
      G03049379Courtesy of © TOYOTA, LICENSE AGREEMENT TMS1002
      Fig 9: Inspecting 2L Connector
      G03049380Courtesy of © TOYOTA, LICENSE AGREEMENT TMS1002
    1. NG: PROCEED TO NEXT CIRCUIT INSPECTION SHOWN IN PROBLEM SYMPTOMS TABLE (SEE  PROBLEM SYMPTOMS TABLE  ) 
    2. OK: Go to Next Step. 
  5. CHECK HARNESS AND CONNECTOR 
    1. Measure the voltage according to the value(s) in Fig 10 .

      Standard: 

      Fig 10: Measuring 2L-4 To Body Ground
      G03049381Courtesy of © TOYOTA, LICENSE AGREEMENT TMS1002
      Fig 11: Checking 2L Connector
      G03049380Courtesy of © TOYOTA, LICENSE AGREEMENT TMS1002
    1. NG: REPAIR OR REPLACE HARNESS OR CONNECTOR 
    2. OK: Go to Next Step. 
  6. INSPECT INSTRUMENT PANEL JUNCTION BLOCK ASSY 
    1. Measure the voltage according to the value(s) in Fig 12 .

      Standard: 

      Fig 12: Measuring Voltage 2I-8 To Body Ground
      G03049383Courtesy of © TOYOTA, LICENSE AGREEMENT TMS1002
      Fig 13: Inspecting 2I Connector
      G03049384Courtesy of © TOYOTA, LICENSE AGREEMENT TMS1002
    1. NG: REPLACE INSTRUMENT PANEL JUNCTION BLOCK ASSY 
    2. OK: Go to Next Step. 
  7. CHECK HARNESS AND CONNECTOR (MULTIPLEX NETWORK BODY ECU - INSTRUMENT PANEL JUNCTION BLOCK) 
    1. Disconnect the B9 connector of the multiplex network body ECU and the 2I connector of the instrument panel junction block assy.
    2. Measure the resistance according to the value(s) in SPECIFIED CONDITION  .

      Standard: 

      SPECIFIED CONDITION

      Tester connection Condition Specified condition
      B9-7 - 2I-8 Always Below 1 Ω
      B9-7 - Body ground Always 10 kΩ or higher
      Fig 14: Disconnecting B9 & 2I Connectors
      G03049385Courtesy of © TOYOTA, LICENSE AGREEMENT TMS1002
    1. NG: REPAIR OR REPLACE HARNESS OR CONNECTOR 
    2. OK: PROCEED TO NEXT CIRCUIT INSPECTION SHOWN IN PROBLEM SYMPTOMS TABLE (SEE  PROBLEM SYMPTOMS TABLE  )