LEMON Manuals: Even more car manuals for everyone: 1960-2025
Home >> Toyota >> 2004 >> Matrix Base, 4WD >> Repair and Diagnosis >> External Pages >> Different car >> Section 728 (Engine Control System - Diagnosis) >> DTC P0100: Mass Or Volume Air Flow Circuit, DTC P0102 Mass Or Volume Air Flow Circuit Low Input, DTC P0103 Mass Or Volume Air Flow Circuit High Input >> Wiring Diagram
April 5, 2026: LEMON Manuals is launched! Read the announcement.

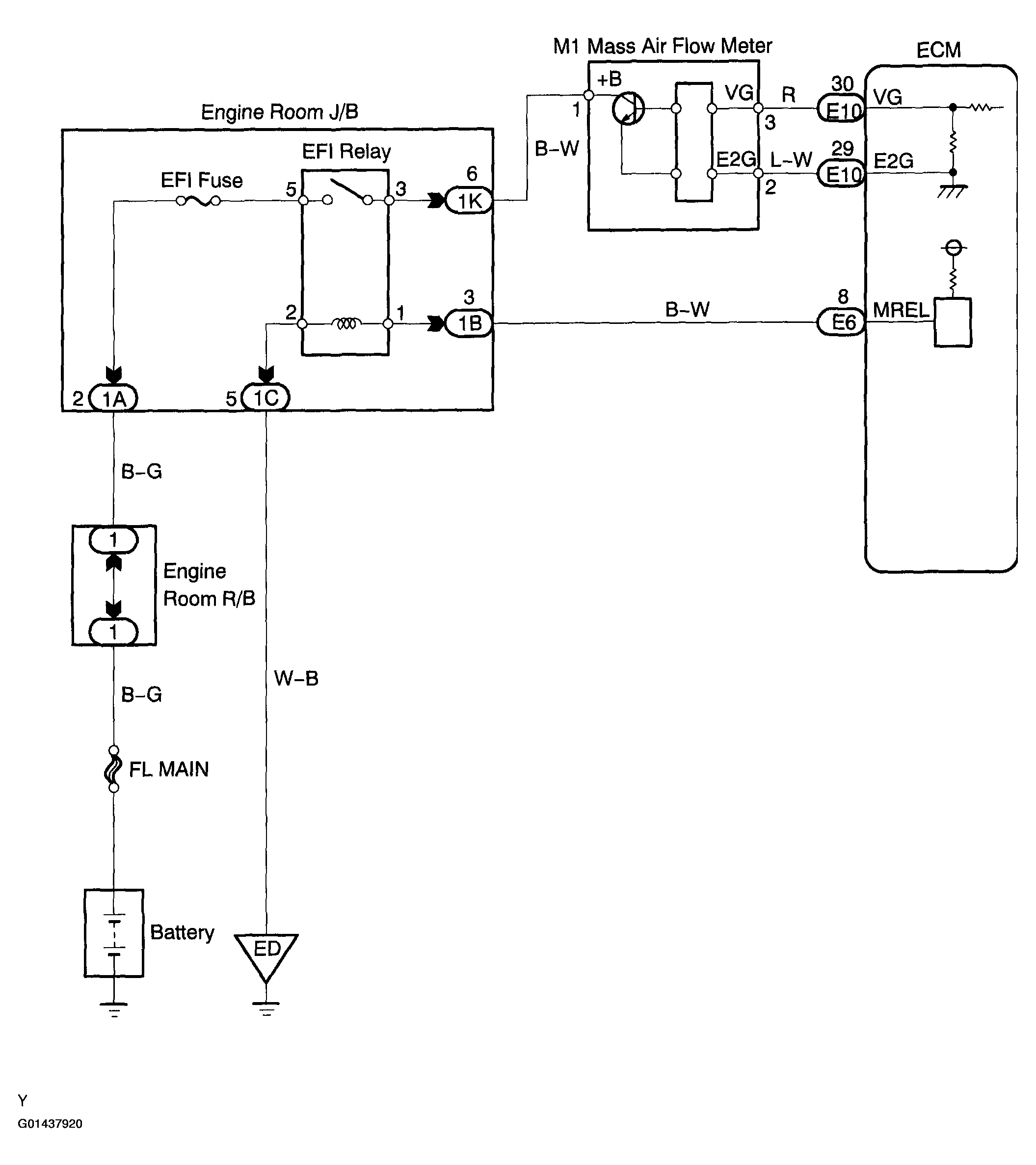
DTC P0100: Mass Or Volume Air Flow Circuit, DTC P0102 Mass Or Volume Air Flow Circuit Low Input, DTC P0103 Mass Or Volume Air Flow Circuit High Input: Wiring Diagram

WARNING: This page is about a different car, the 2004 Lexus ES 330. However, it is still accessible from the selected car via links, so may be relevant.
Fig 1: Wiring Diagram - Mass Or Volume Air Flow Circuit
G01437920Courtesy of © TOYOTA, LICENSE AGREEMENT TMS1002