LEMON Manuals: Even more car manuals for everyone: 1960-2025
Home >> Toyota >> 2004 >> Matrix Base, 4WD >> Repair and Diagnosis >> External Pages >> Different car >> Section 772 (Engine Control System - Diagnosis) >> Circuit Inspection >> DTC P0120: Throttle Pedal Position Sensor/Switch "A" Circuit, DTC P0122: Throttle Pedal Position Sensor/Switch "A" Circuit Low Input, DTC P0123: Throttle Pedal Position Sensor/Switch "A" Circuit High Input >> Wiring Diagram
April 5, 2026: LEMON Manuals is launched! Read the announcement.

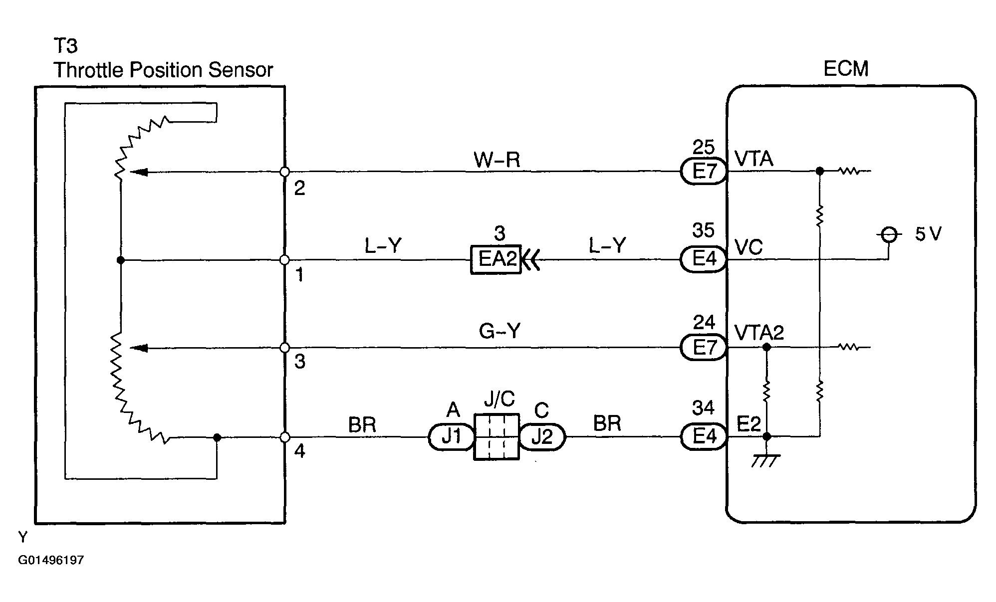
DTC P0120: Throttle Pedal Position Sensor/Switch "A" Circuit, DTC P0122: Throttle Pedal Position Sensor/Switch "A" Circuit Low Input, DTC P0123: Throttle Pedal Position Sensor/Switch "A" Circuit High Input: Wiring Diagram

WARNING: This page is about a different car, the 2004 Lexus IS 300. However, it is still accessible from the selected car via links, so may be relevant.
Fig 1: Throttle Position Sensor Wiring Diagram
G01496197Courtesy of © TOYOTA, LICENSE AGREEMENT TMS1002