LEMON Manuals: Even more car manuals for everyone: 1960-2025
Home >> Toyota >> 2004 >> Matrix Base, FWD, Automatic >> Repair and Diagnosis (Single Page) >> Accessories & Equipment >> Infotainment >> Navigation System - Diagnostics >> Map Disc Cannot Be Inserted >> Wiring Diagram
April 5, 2026: LEMON Manuals is launched! Read the announcement.

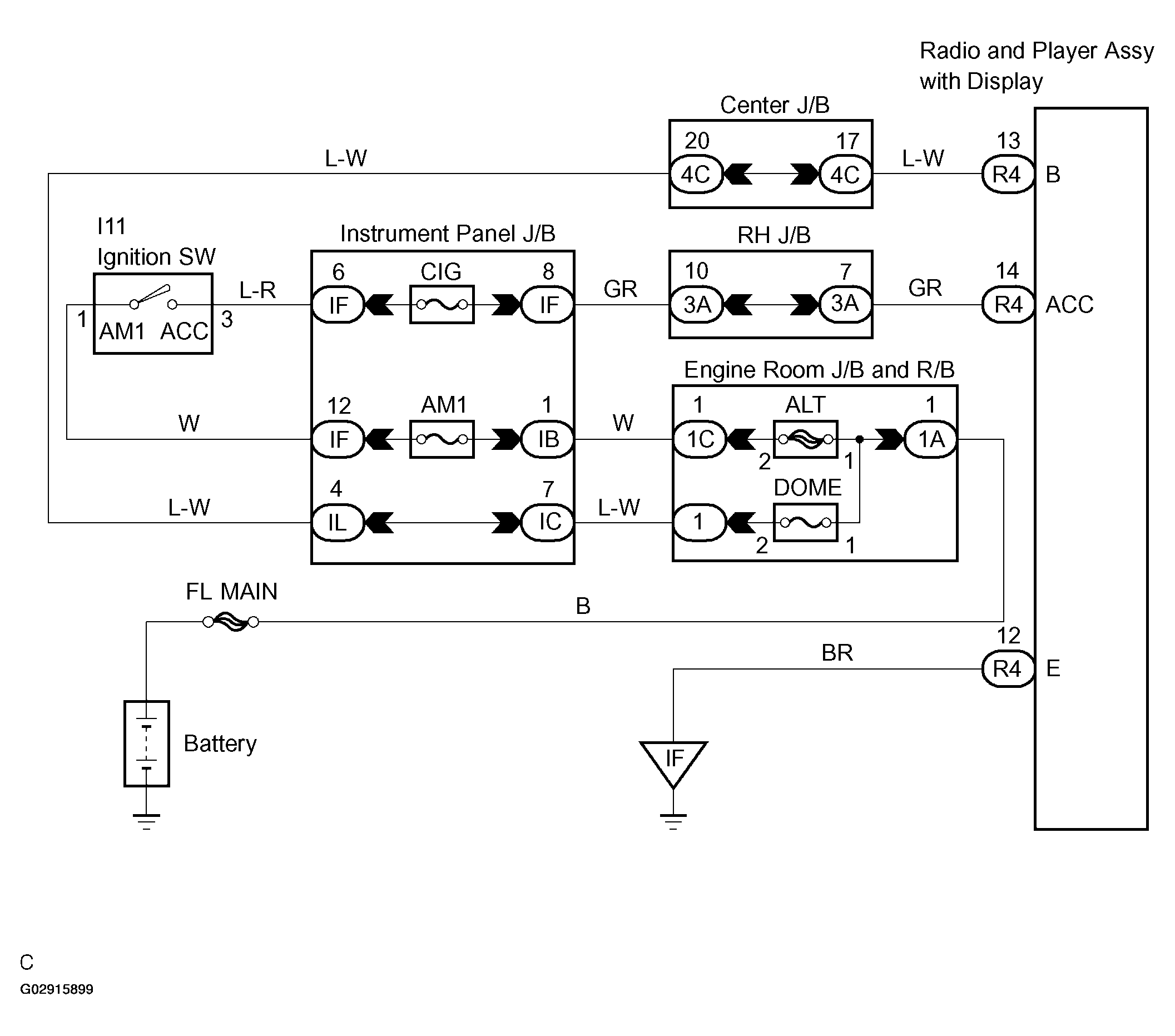
Map Disc Cannot Be Inserted: Wiring Diagram

NOTE: For system wiring diagrams, see SYSTEM WIRING DIAGRAMS .
Fig 1: Radio & Player Wiring Diagram (W/Display)
G02915899Courtesy of © TOYOTA, LICENSE AGREEMENT TMS1002