LEMON Manuals: Even more car manuals for everyone: 1960-2025
Home >> Toyota >> 2004 >> Matrix Base, FWD, Automatic >> Repair and Diagnosis >> Accessories & Equipment >> Anti-Theft Systems >> Vehicle Intrusion Protection System - Diagnostics >> Indicator Light Circuit >> Wiring Diagram
April 5, 2026: LEMON Manuals is launched! Read the announcement.

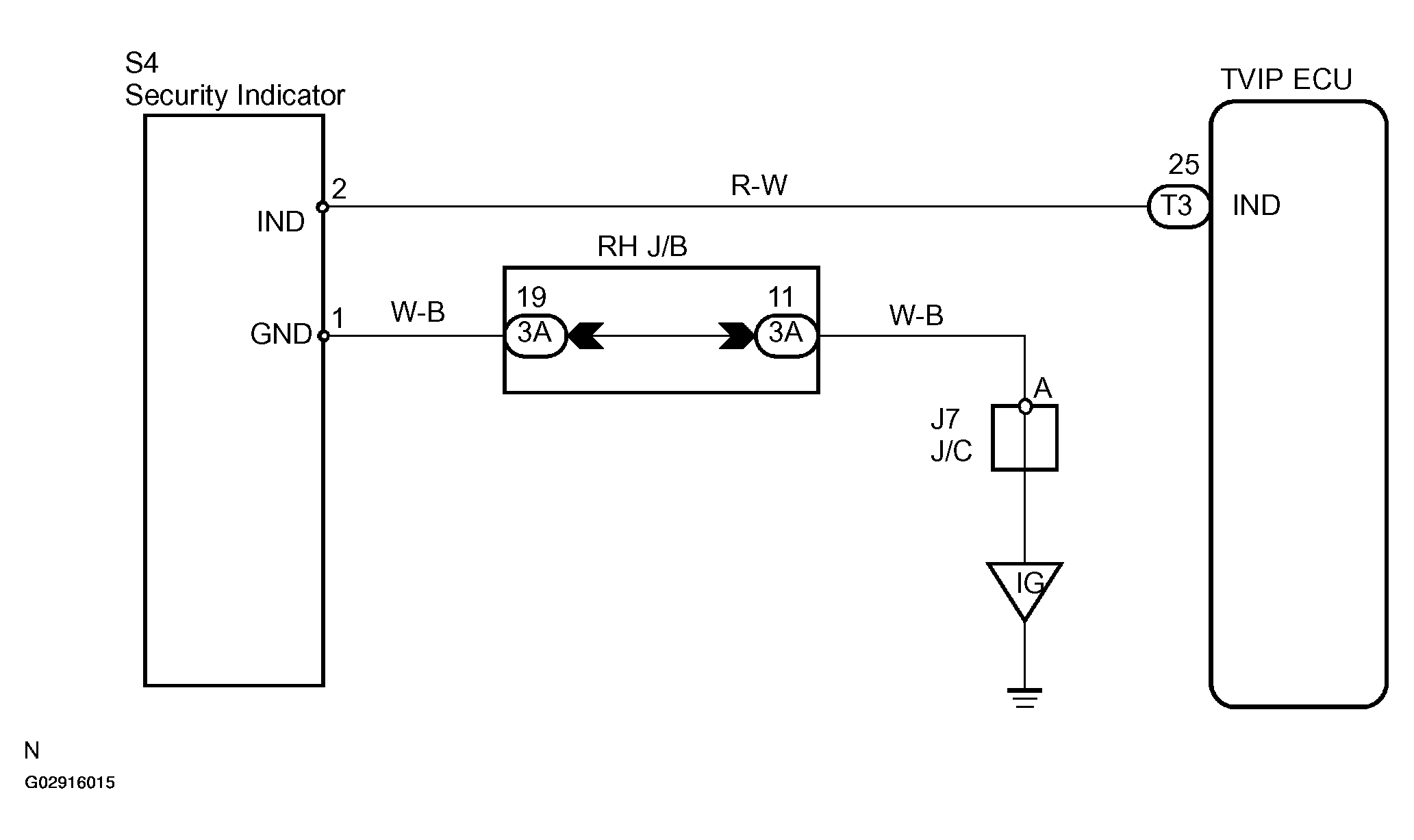
Indicator Light Circuit: Wiring Diagram

NOTE: For system wiring diagrams, see SYSTEM WIRING DIAGRAMS .
Fig 1: Wiring Diagram - Security Indicator & TVIP ECM
G02916015Courtesy of © TOYOTA, LICENSE AGREEMENT TMS1002