LEMON Manuals: Even more car manuals for everyone: 1960-2025
Home >> Toyota >> 2004 >> Matrix Base, FWD, Automatic >> Repair and Diagnosis >> External Pages >> Different car >> Section 106 (Engine Controls - Self-Diagnostics) >> Diagnostic Tests >> DTC P0325: Knock Sensor 1 Circuit (Bank 1 Or Single Sensor) Or DTC P0330: Knock Sensor 2 Circuit Malfunction (Bank 2) >> Circuit Description
April 5, 2026: LEMON Manuals is launched! Read the announcement.

Circuit Description

WARNING: This page is about a different car, the 2003 Lexus GS 300. However, it is still accessible from the selected car via links, so may be relevant.

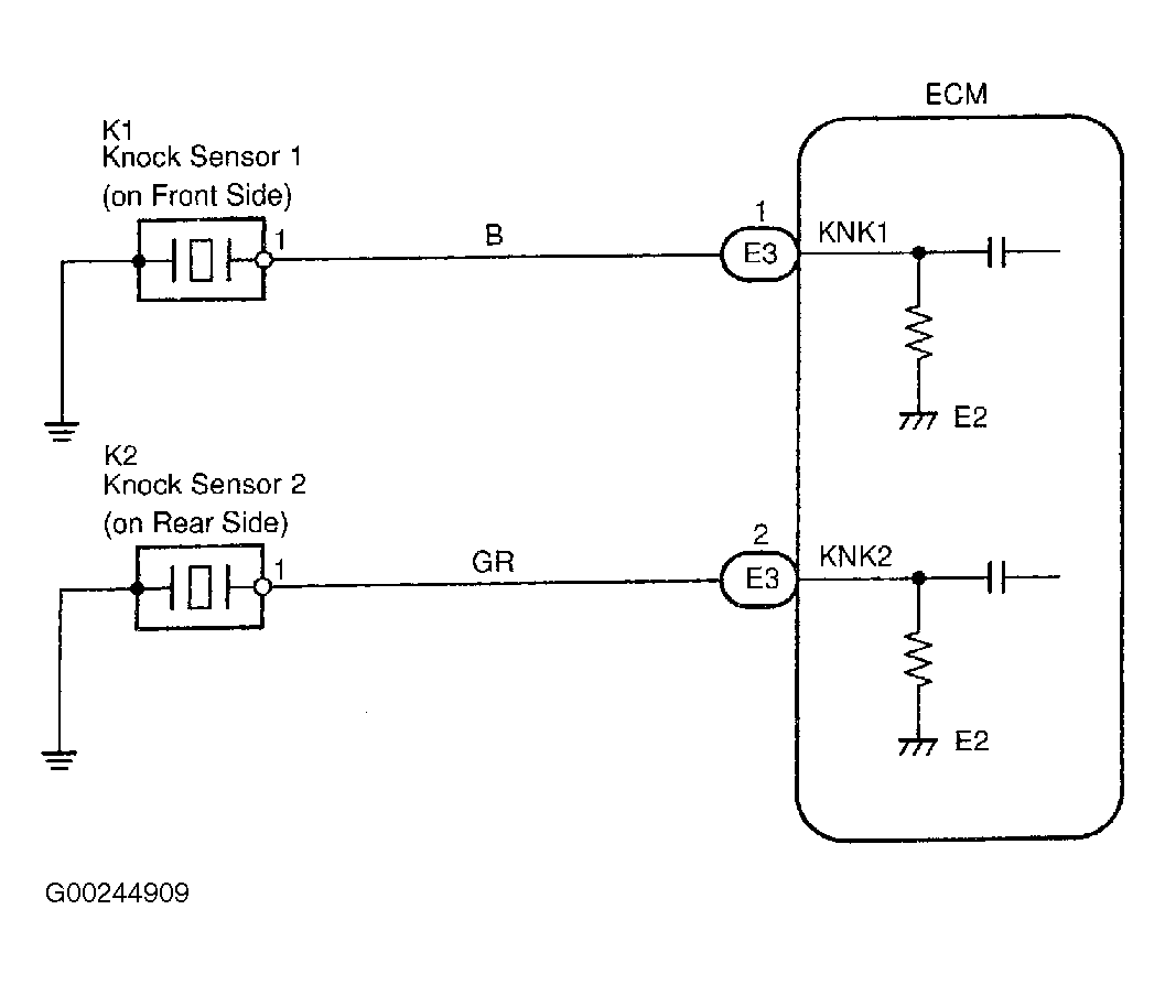
Knock sensors are located on front and rear left side of cylinder block. Sensor generates voltage when engine block vibrates due to knocking. If engine knocks, ECM will retard ignition timing. If DTC is set, ECM will operate in fail-safe mode (maximum timing retardation). DTC is set when there is no knock sensor signal to ECM with engine speed of 1600-5200 RPM. DTC P0325 is for knock sensor No. 1 on front of cylinder block. DTC P0330 is for knock sensor No. 2 on rear of cylinder block. See Fig 1. Possible causes are:

Fig 1: Identifying Knock Sensor Circuits
G00244909Courtesy of © TOYOTA, LICENSE AGREEMENT TMS1002