LEMON Manuals: Even more car manuals for everyone: 1960-2025
Home >> Toyota >> 2004 >> Matrix Base, FWD, Automatic >> Repair and Diagnosis >> External Pages >> Different car >> Section 135 (Engine Control System Self Diagnostics - V8) >> Diagnostic Tests >> DTC P0230: Fuel Pump Primary Circuit >> Diagnosis & Repair
April 5, 2026: LEMON Manuals is launched! Read the announcement.

Diagnosis & Repair

WARNING: This page is about a different car, the 2003 Toyota Tundra. However, it is still accessible from the selected car via links, so may be relevant.
NOTE: Using Toyota hand-held tester or scan tool, read FREEZE FRAME data. Freeze frame data records engine conditions when malfunction is detected.

For diagnosis and repair procedure with Toyota hand-held tester or Enhanced OBD II scan tool, see Fig 2 & Fig 3 . For diagnosis and repair procedure with generic OBD II scan tool, see Fig 4 - Fig 6 .

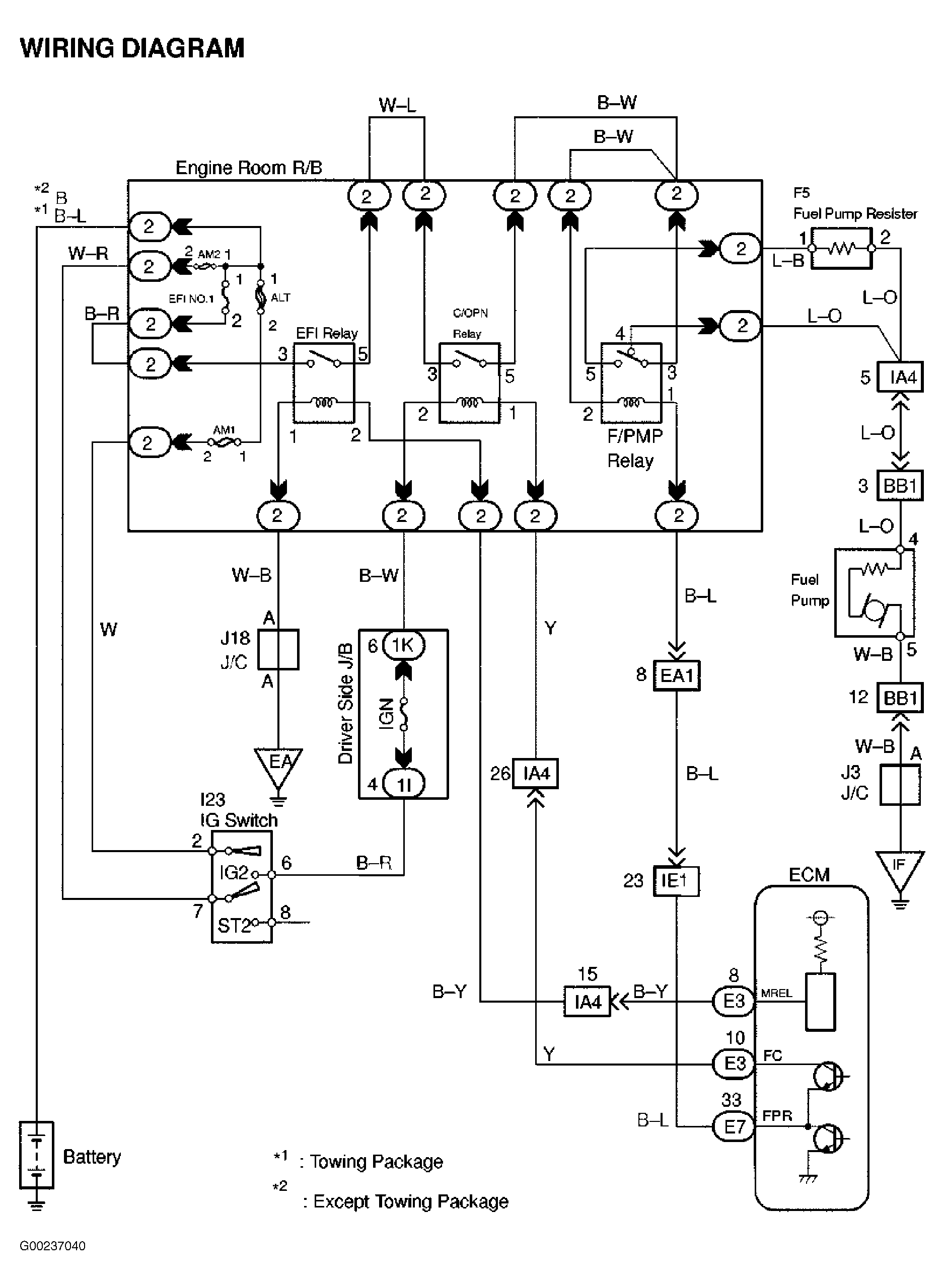
For ECM location, see Figure. For ECM connector view, see Figure. For circuit wiring diagram, see Fig 1. For testing of systems or components, see BASIC DIAGNOSTIC PROCEDURES - V6 & V8 article or SYSTEM & COMPONENT TESTING - V6 & V8 article. For removal and installation of components, see REMOVAL & INSTALLATION - V6 & V8 article.

Fig 1: Fuel Pump Primary Circuit Wiring Diagram
G00237040Courtesy of © TOYOTA, LICENSE AGREEMENT TMS1002
Fig 2: DTC P0230 Diagnostic Procedure Using Hand-Held Tester (Steps 1-3)
G00237041Courtesy of © TOYOTA, LICENSE AGREEMENT TMS1002
Fig 3: DTC P0230 Diagnostic Procedure Using Hand-Held Tester (Steps 4-6)
G00237042Courtesy of © TOYOTA, LICENSE AGREEMENT TMS1002
Fig 4: DTC P0230 Diagnostic Procedure Using OBD II Scan Tool (Steps 1-3)
G00237043Courtesy of © TOYOTA, LICENSE AGREEMENT TMS1002
Fig 5: DTC P0230 Diagnostic Procedure Using OBD II Scan Tool (Steps 4-6)
G00237044Courtesy of © TOYOTA, LICENSE AGREEMENT TMS1002
Fig 6: DTC P0230 Diagnostic Procedure Using OBD II Scan Tool (Steps 7-8)
G00237045Courtesy of © TOYOTA, LICENSE AGREEMENT TMS1002