LEMON Manuals: Even more car manuals for everyone: 1960-2025
Home >> Toyota >> 2004 >> Matrix Base, FWD, Automatic >> Repair and Diagnosis >> External Pages >> Different car >> Section 210 (Body Control System) >> Circuit Tests >> Illumination Circuit >> Circuit Description
April 5, 2026: LEMON Manuals is launched! Read the announcement.

Circuit Description

WARNING: This page is about a different car, the 2003 Lexus IS 300 and 2002 Lexus IS 300. However, it is still accessible from the selected car via links, so may be relevant.

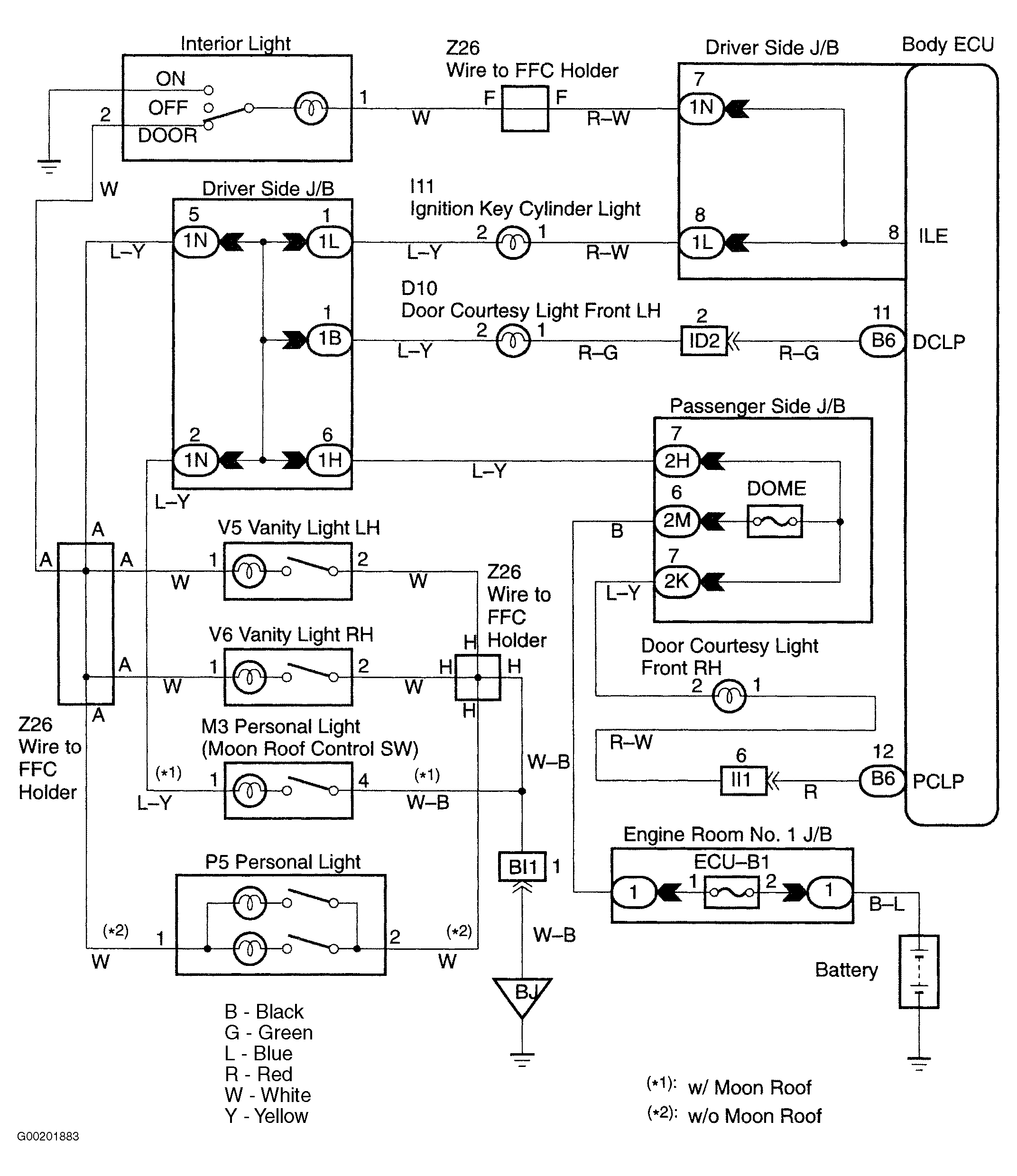
Receiving the courtesy signal from the body ECU will make the interior light, ignition light and courtesy light come on. For circuit diagram, see Fig 1.

Fig 1: Identifying Illumination Circuit
G00201883Courtesy of © TOYOTA, LICENSE AGREEMENT TMS1002