LEMON Manuals: Even more car manuals for everyone: 1960-2025
Home >> Toyota >> 2004 >> Matrix Base, FWD, Automatic >> Repair and Diagnosis >> External Pages >> Different car >> Section 211 (Anti-Lock Brake System) >> Diagnostic Tests >> DTC C1253/ 53: Hydro Motor Relay Circuit >> Testing Procedures
April 5, 2026: LEMON Manuals is launched! Read the announcement.

Testing Procedures

WARNING: This page is about a different car, the 2003 Toyota Prius, 2002 Toyota Prius, and 2001 Toyota Prius. However, it is still accessible from the selected car via links, so may be relevant.

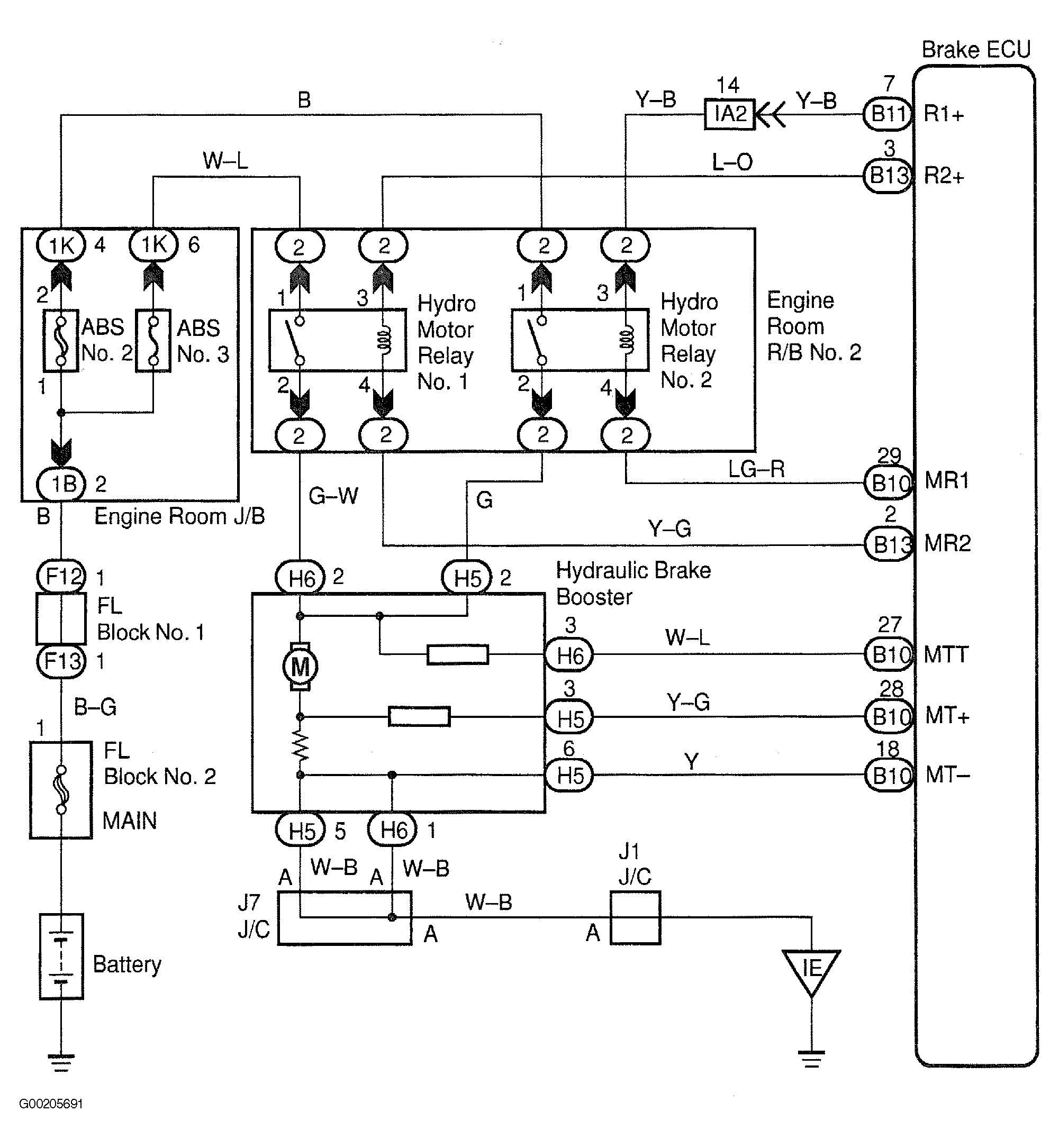
For wiring diagram, see Fig 1. For testing procedures, see Fig 2-Fig 4 .

Fig 1: DTC C1253/ 53 Wiring Diagram
G00205691Courtesy of © TOYOTA, LICENSE AGREEMENT TMS1002
Fig 2: DTC C1253/ 53 Testing Procedures (1 Of 3)
G00205692Courtesy of © TOYOTA, LICENSE AGREEMENT TMS1002
Fig 3: DTC C1253/ 53 Testing Procedures (2 Of 3)
G00205693Courtesy of © TOYOTA, LICENSE AGREEMENT TMS1002
Fig 4: DTC C1253/ 53 Testing Procedures (3 Of 3)
G00205694Courtesy of © TOYOTA, LICENSE AGREEMENT TMS1002