LEMON Manuals: Even more car manuals for everyone: 1960-2025
Home >> Toyota >> 2004 >> Matrix Base, FWD, Automatic >> Repair and Diagnosis >> External Pages >> Different car >> Section 224 (Anti-Theft System) >> Circuit Tests >> Horn Relay Circuit >> Circuit Description
April 5, 2026: LEMON Manuals is launched! Read the announcement.

Circuit Description

WARNING: This page is about a different car, the 2003 Lexus IS 300 and 2002 Lexus IS 300. However, it is still accessible from the selected car via links, so may be relevant.

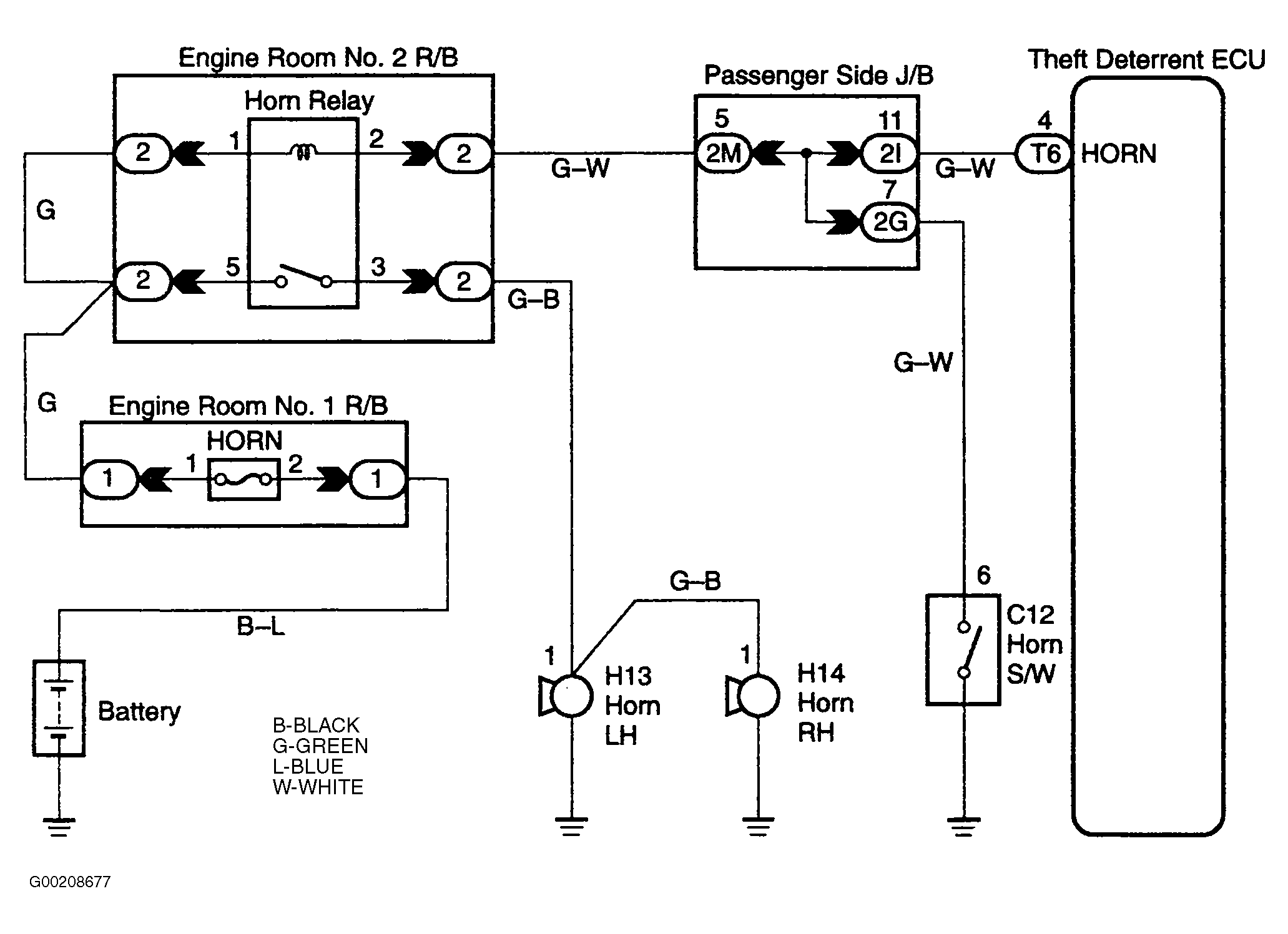
When the anti-theft system is activated, it causes the transistor in the ECU to switch ON and OFF in approximately 0.4 second cycles. This switches the horn relay ON and OFF, thus the horns blow. In this condition, if any of the following operations is done, the transistor in the ECU goes OFF and the horn relay switches OFF, thus stopping the horns from blowing:

See Fig 1.

Fig 1: Identifying Horn Relay Circuit
G00208677Courtesy of © TOYOTA, LICENSE AGREEMENT TMS1002