LEMON Manuals: Even more car manuals for everyone: 1960-2025
Home >> Toyota >> 2004 >> Matrix Base, FWD, Automatic >> Repair and Diagnosis >> External Pages >> Different car >> Section 476 (Can Communication System - Diagnostics) >> Circuit Inspection >> Skid Control ECU Communication Stop Mode >> Wiring Diagram
April 5, 2026: LEMON Manuals is launched! Read the announcement.

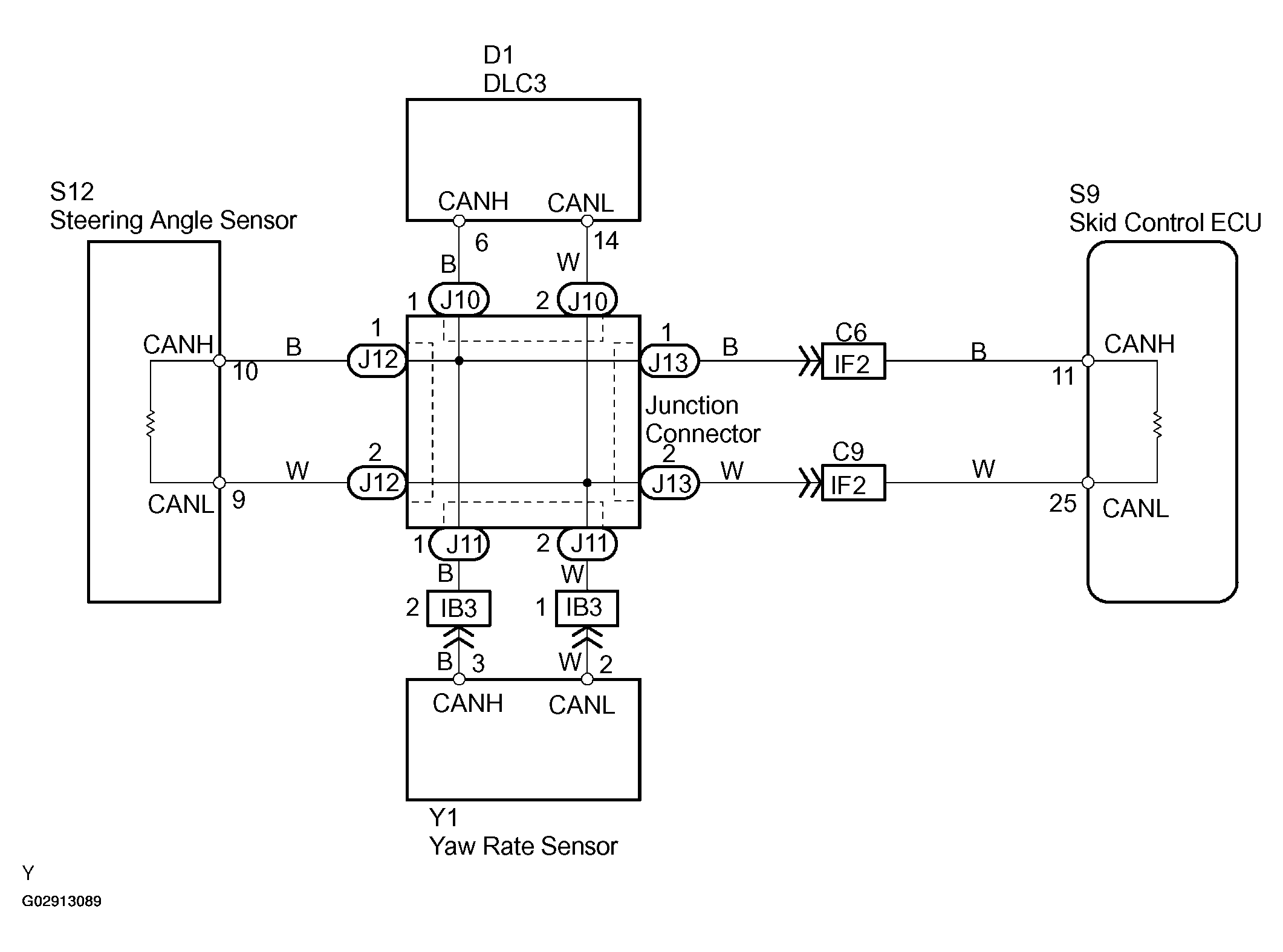
Skid Control ECU Communication Stop Mode: Wiring Diagram

WARNING: This page is about a different car, the 2004 Toyota RAV4. However, it is still accessible from the selected car via links, so may be relevant.
Fig 1: Wiring Diagram Of Skid Control ECU Communication Stop Mode
G02913089Courtesy of © TOYOTA, LICENSE AGREEMENT TMS1002