LEMON Manuals: Even more car manuals for everyone: 1960-2025
Home >> Toyota >> 2004 >> Matrix Base, FWD, Automatic >> Repair and Diagnosis >> External Pages >> Different car >> Section 554 (Audio & Visual System - Diagnostics) >> Pre-Check
April 5, 2026: LEMON Manuals is launched! Read the announcement.

Section 554 (Audio & Visual System - Diagnostics): Pre-Check

WARNING: This page is about a different car, the 2003 Toyota Sequoia. However, it is still accessible from the selected car via links, so may be relevant.
  1. RADIO WAVE BAND 

    The radio wave bands used in radio broadcasting are as follows:

    Fig 1: Radio Wave Band Frequency Chart
    G02838936Courtesy of © TOYOTA, LICENSE AGREEMENT TMS1002
  2. SERVICE AREA 

    There are great differences in the size of the service area for AM and FM monaural. Sometimes FM stereo broadcasts cannot be received even through AM can be received in very clearly. Not only does FM stereo have the smallest service area, but it also picks up static and other types of interference ("noise") easily.

    Fig 2: Identifying Service Area Difference
    G02838937Courtesy of © TOYOTA, LICENSE AGREEMENT TMS1002
  3. RECEPTION PROBLEMS 

    Besides the problem of static, there are also the problems called "fading", "multipath" and "fade out". These problems are caused not by electrical noise but by the nature of the radio waves themselves.

    1. Fading:

      Besides electrical interference, AM broadcasts are also susceptible to other types of interference, especially at night. This is because AM radio waves bounce off the ionosphere at night. These radio waves then interfere with the signals from the same transmitter that reach the vehicle's antenna directly. This type of interference is called "fading".

      Fig 3: Identifying Fading
      G02838938Courtesy of © TOYOTA, LICENSE AGREEMENT TMS1002
    2. Multipath:

      One type of interference caused by the bounce of radio waves off of obstructions is called "multipath". Multipath occurs when a signal from the broadcast transmitter antenna bounces off buildings and mountains, interfering with the signal that is received directly.

      Fig 4: Identifying Multipath
      G02838939Courtesy of © TOYOTA, LICENSE AGREEMENT TMS1002
    3. Fade Out:

      Because FM radio waves are of higher frequencies than AM radio waves, they bounce off buildings, mountains, and other obstructions. For this reason, FM signals often disappear or fade away gradually as the vehicle goes behind a building or other obstruction. This is called "fade out".

    Fig 5: Identifying Fade Out
    G02838940Courtesy of © TOYOTA, LICENSE AGREEMENT TMS1002
  4. NOISE PROBLEMS 
    1. Questionnaire for noise:

      It is very important for noise troubleshooting to have good understanding of the claims from the customers. Refer to the following questionnaire to diagnose the problem accurately.

      Fig 6: Noise Problems Chart
      G02838941Courtesy of © TOYOTA, LICENSE AGREEMENT TMS1002
      NOTE: In the condition of noise occurrence does not meet any of the above questionnaire, check the problems by referring to  Reception Problem.
    2. Matters that require attention when checking:
      • Noise coming into the radio usually has no harm for daily use as the noise protection is taken, and it is very rare for an extremely loud noise to come in. When extremely loud noise comes into the radio, check if the grounding is normal where the antenna is installed.
      • Check if all the regular noise prevention parts are properly installed, and if there is any installation of non-authorized parts and non-authorized wiring.
      • If you leave the radio under out of tune (not tuning), it is easy to diagnose the phenomenon as noise occurs frequently.
    3. Antenna and noise:

      Electronic signal received by the antenna will reach to the radio transmitting through the core wire of the coaxial cable. Any noise wave other than radio wave is mixed into this core wire, that naturally causes noise in the radio and poor sound quality. In order to prevent the noise from coming into radio, the core wire inside the coaxial cable is covered with a mesh wire called shield wire which transmits the noise to the ground.

    4. Choke coil and noise:

      The choke coil is connected to the rear window defogger circuit, preventing noise to come into radio by transmitting the noise in the circuit to the ground.

  5. COMPACT DISC PLAYER 

    Compact Disc Players use a laser beam pick-up to read the digital signals recorded on CD and reproduce analog signals of the music, etc.

    NOTE: Never attempt to disassemble or oil any part of the player unit. Do not insert any object other than a disc into the magazine.
    NOTE: CD players use an invisible laser beam which could cause hazardous radiation exposure. Be sure to operate player correctly as instructed.
  6. Tape player/head cleaning: 

    MAINTENANCE 

    1. Raise the cassette door with your finger. Next, using a pencil or similar object, push in the guide.
    2. Using a cleaning pen or cotton applicator soaked in cleaner, clean the head surface, pinch rollers and capstans.

    Fig 7: Example - Tape Player/Head Cleaning
    G02838942Courtesy of © TOYOTA, LICENSE AGREEMENT TMS1002
  7. CD player/disc cleaning: 

    MAINTENANCE 

    If the disc gets dirty, clean the disc by wiping the surface from the center to outside in the radial directions with a soft and clean cloth.

    NOTE: Do not use a conventional record cleaner or anti-static preservative.
    Fig 8: Example - CD Player/Disc Cleaning
    G02838943Courtesy of © TOYOTA, LICENSE AGREEMENT TMS1002
  8. OUTLINE OF AVC-LAN 
    1. What is AVC-LAN?

      AVC-LAN is the abbreviation, which stands for Audio Visual Communication-Local Area Network. This is a unified standard co-developed by 6 audio manufactures associated with Toyota Motor Corporation.

      The Unified standard covers signals, such as audio signal, visual signal, signal for switch indication and communication signal.

      Fig 9: Audio Visual Communication-Local Area Network Diagram
      G02838944Courtesy of © TOYOTA, LICENSE AGREEMENT TMS1002
    2. Objectives

      Recently the car audio system has been rapidly developed and functions have been changed drastically. The conventional system has been switched to the multi-media type such as a navigation system. At the same time the level of customers needs to audio system has been upgraded. This lies behind this standardization.

      The concrete objectives are explained below.

      1. When products by different manufactures were combined together, malfunctions used to occur such as sound failure. This problem can be solved by standardization of signals.
      2. Various types of after market products have been able to add or replace freely.
      3. Because of the above (2), each manufacture has become able to concentrate on developing products in their strongest field. This has enabled many types of products provided inexpensively.
      4. In general, a new product developed by one particular manufacture could not be used due to a lack of compatibility with other manufactures products. By developing this new standard, users can enjoy many compatible products from different manufacture anytime they went.

    3. The above descriptions are the objectives to introduce AVC-LAN. By this standardization, development of new products no longer cause systematic errors.
    NOTE:
    • When +B short or GND short is detected in AVC-LAN circuit, communication stops, and audio system does not function normally.
    • When audio system is not equipped with a navigation system, audio head unit is the master unit. When audio system is equipped with a navigation system, radio receiver is the master unit.
    • The car audio system using AVC-LAN circuit has a diagnosis function.
    • Each product has its own specified numbers called physical address. Numbers are also allotted to each function in one product, which are called logical address.
  9. DIAGNOSIS FUNCTION 
    1. Diagnosis start-up

      For shifting to diagnosis mode, turn the ignition switch ON and push the "DISC" switch 3 times while pressing "ch1" and "ch6" switches.

      NOTE: To exit the diagnosis mode, push the "DISC" switch for 1.7 sec. or turn the ignition switch to ACC or OFF.
    2. Element check mode

      After the diagnosis start-up, the system enters the element check mode. Check that the all elements light up.

      NOTE: By pressing the "TUNE UP" switch, the system enters the "Service Check Mode".
    3. Switch check mode
      1. Element check mode is started at the same time with the switch check mode.
      2. Check that there is a beep sound when any switch is pressed.
      NOTE: By pressing "TUNE UP" switch, the system enters the "Service Check Mode".
      Fig 10: Identifying Audio System Switches
      G02838945Courtesy of © TOYOTA, LICENSE AGREEMENT TMS1002
    4. Service check mode
      1. After the element check and switch check is completed, the system enters service check mode when "TUNE UP" switch is pressed.
      2. Error codes over the tuner and connected equipments are displayed on the screen of the tuner. Results for each check are displayed as follows:
        • good:

          No DTC is detected for both "System Check Confirmation" and "Diagnosis Memory Response".

        • nCon:

          The component does not respond to the "Diagnosis On Instruction" command. Applicable to only the system where connected components are limited to be used.

        • ECHn:

          Application of new version has been confirmed by the "Diagnosis On Check", and there is one or more DTC which indicates "Replacement" in the "System Check Result Response" or "Diagnosis Memory Response".

        • CHEC:

          Application of new version has been confirmed by the "Diagnosis On Check", and there is no DTC which indicates "Replacement" in the "System Check Result Response" or "Diagnosis Memory Response", but one or more DTC which indicates "Check" is identified.

        • Old:

          Application of old version is confirmed by the "Diagnosis On Check", and DTC is identified in the "System Check Result Response" or "Diagnosis Memory Response".

        • nrES:

          No response is identified to the "System Check Start Instruction" and "Request for System Check Result" commands.

      NOTE:
      • Check the present and past condition of components by performing the System Check and collecting stored DTC memories.
      • Check results are displayed as one of the following six indications: "good", "ECHn", "CHEC", "nCon", "Old" or "nrES".
      Fig 11: Identifying Audio System Switches
      G02838946Courtesy of © TOYOTA, LICENSE AGREEMENT TMS1002
    5. Display Screen for Service Check.

      Example: 

      Connection parts ( physical address): Radio receiver (P190), RSE ECU (P1F6), DVD player (P1A0)

      Fig 12: Service Check Display Screen
      G02838947Courtesy of © TOYOTA, LICENSE AGREEMENT TMS1002
    6. "ECHn" Detail Display Mode Screen
      Fig 13: ECHn Detail Display Mode Screen
      G02838948Courtesy of © TOYOTA, LICENSE AGREEMENT TMS1002
    7. "CHEC" Detail Display Mode Screen
      Fig 14: CHEC Detail Display Mode Screen
      G02838949Courtesy of © TOYOTA, LICENSE AGREEMENT TMS1002
    8. "Old" Detail Display Mode Screen
    Fig 15: Old Detail Display Mode Screen
    G02838950Courtesy of © TOYOTA, LICENSE AGREEMENT TMS1002
  10. DIAGNOSIS SYSTEM MODE 
    NOTE: Diagnosis System Mode is operated as follows.
    Fig 16: Diagnosis System Mode Flowchart
    G02838951Courtesy of © TOYOTA, LICENSE AGREEMENT TMS1002
    1. Start-up of the diagnosis
      1. When the diagnostics function for the "radio and player" is started up the diagnostics function for the "rear display" is started up, automatically.
      2. "Diagnosis Inspection" is displayed as start operating the diagnosis system mode.
      3. Select "MENU" and enter "Diagnosis MENU" using a remote controller.
    2. Finishing the diagnosis

      Turn the ignition switch off to finish the mode.

  11. SERVICE CHECK MODE 
    NOTE: Service Check Mode is operated as follows.
    Fig 17: Service Check Mode Flowchart
    G02838952Courtesy of © TOYOTA, LICENSE AGREEMENT TMS1002
    1. Service Check Mode
      1. Start the Diagnosis System.
        SERVICE CHECK MODE ITEM FUNCTION

        Display Item Function
        Components Name/*1 List Of Component Names Including Optional Components (15 Components Max.) Are Displayed. When The Names Are Not Identified, Their Physical Addresses Are Displayed.
        Check Result/*2 Check Results Are Displayed.
        Memory Clear Switch/*3 Pressing This Switch For 3 Sec. Deletes All The Information About Master Component Registration.
        DTC Clear Switch/*4 Pressing This Switch For 3 Sec. Deletes Diagnosis Memory Of All The Components. It Deletes Service Check Results And The Screen Displaying The Check Results.
        Recheck/*5 Pressing This Switch Performs Service Check Again.
        MENU/*6 Pressing This Switch Activates The Diagnosis Menu Screen.
        LAN Monitor Screen Switch/*7 Pressing This Switch Activates The LAN Monitor Screen, Which Displays The Logical Address 01 With DTC DO - FE.
        Fig 18: Service Check Mode Menu Display
        G02838953Courtesy of © TOYOTA, LICENSE AGREEMENT TMS1002
        NOTE: Service Check displays the check results based on the information obtained from each component's response to "System Check Execution" and "Diagnosis Memory Request", and the information of "Current DTC Notification" (the Unit Check that will be displayed on the next screens.).
      2. Read Check Result
        CHECK RESULT

        Check Result Meaning
        OK No DTC Is Identified.
        EXCH One Or More DTC Requesting For Exchange Are Detected.
        CHEK One Or More DTC Requesting For Check Are Detected.
        Ncon No Connection Response To Diagnosis System Start-Up, Whereas It Has The Connection Response To The AVC LAN System When The Power Switch Is Turned On (When IG Is Turned To ACC).
        Old One Or More DTC Are Detected Because Of Old Version.
        NRES No Response To The Information About The Diagnosis System, Whereas It Responds To The Diagnosis System Start-Up.
        NOTE:
        • After repair and check, press "Code CLR" for more than 3 sec. to delete diagnosis memory.
        • After deleting diagnosis memory, press "Recheck" and make sure "OK" is displayed on the screen.
      3. "EXCH", "CHEK" and "Old" can be used as switches to activate Unit Check Mode" for detail information. Check troubled parts of the components in these modes by referring to the DTC code list.
        ITEM DESCRIPTION

        Display Item Description
        Components name/*1 Names Of Components To Be Checked Are Displayed.
        DTC Clear Switch/*2 Pressing This Switch For 3 Sec. Deletes DTC Memory Of The Selected Diagnosis Component.
        Service Check Mode Screen Switch/*3 Pressing This Returns To The Service Check Mode Screen.
        Date/Time/*4 The Date And Time Stamped At The Time Of DTC Occurrence Are Displayed In The Order Of Year-Month-Day-Hour-Minute-Second. (If The Date And Time Data Is Invalid, It Is Displayed As A Blank.)
        Current/*5 Up To 6 DTC Codes Detected During The System Check Are Displayed.
        Memory/ *6 DTC Memories Stored And Current DTC Notification Are Displayed.
        Fig 19: Unit Check Mode Service Display
        G02838954Courtesy of © TOYOTA, LICENSE AGREEMENT TMS1002
        NOTE:
        • Detecting Unit DTC activates the Unit Check Mode on the screen.
        • In the Unit Check Mode, DTC which is identified as "EHCK" in the Service Check is displayed as classified into Current DTC and Past DTC.
      4. "LAN Mon" can be used as a switch to activate "LAN Monitor" for detail information. Check faulty parts of the components in these modes by referring to the DTC code list.
        DISPLAY ITEM DESCRIPTION

        Display Item Description
        Components name/*1 Names Of Components To Be Checked Are Displayed.
        Segment/*2 Logical Address Codes Corresponding To DTC Are Displayed.
        DTC/*3 DTC Is Displayed.
        Sub-Code (Address Numbers Of Related Components)/*4 Physical Address Codes Memorized Together With DTC Are Displayed.
        Sub-Code (Connection Confirmation Number) /*5 Connection Confirmation Numbers Memorized Together With DTC Are Displayed.
        Sub-Code (Number Of Occurrence) /*6 The Number Of Occurrence Of The Same DTC Is Displayed.
        Fig 20: LAN Monitor Menu Display
        G02838955Courtesy of © TOYOTA, LICENSE AGREEMENT TMS1002
        Fig 21: LAN Monitor Service Display
        G02838956Courtesy of © TOYOTA, LICENSE AGREEMENT TMS1002
        NOTE:
        • Detecting no LAN DTC activates the LAN Monitor on the screen.
        • The LAN Monitor chooses and displays the LAN DTC out of DTC of components identified as "CHEK" in the LAN Monitor.
      5. Read Check Result
        CHECK RESULT

        Check Result Meaning
        OK No DTC Is Identified.
        CHEK One Or More DTC Requesting For Check Are Detected.
        NCON No Connection Response To Diagnosis System Start-Up, Whereas It Has The Connection Response To The AVC-LAN System When The Power Switch Is Turned On (When IG Is Turned To ACC).
        NRES No Response To The Information About The Diagnosis System, Whereas It Responds To The Diagnosis System Start-Up.
        Old One Or More DTC Are Detected Because Of Old Version.
        NOTE:
        • After repairing and checking, press "Code CLR" for more than 3 sec. to delete diagnosis memory.
        • After deleting diagnosis memory, press "Recheck" and make sure "OK" is displayed on the screen.
  12. DISPLAY CHECK MODE 
    NOTE: Display Check Mode is operated as follows.
    Fig 22: Check Mode Display Flowchart
    G02838957Courtesy of © TOYOTA, LICENSE AGREEMENT TMS1002
    1. Display Check Mode
      DISPLAY CONTENTS

      Display Contents
      Color Bar Check/*1 Color Display Is Checked.
      Remote Commander/*2 Operating Condition Of Remote Commander Display Is Checked.
      NOTE: In Display Check Mode, above checks can be performed.
      Fig 23: Display Check Menu Display
      G02838958Courtesy of © TOYOTA, LICENSE AGREEMENT TMS1002
    2. Display Color Bar Check
      1. Start the Diagnosis System.
      2. Select "MENU".
      3. Select "Display Check".
      4. Select "Color Bar Check".
      5. Make sure that each color name is corresponding to each color on the bar.
        Fig 24: Color Bar Check Mode And Menu Display
        G02838959Courtesy of © TOYOTA, LICENSE AGREEMENT TMS1002
        NOTE: Select Black, Red, Green, Blue, White and Stripe to display selected colors and stripe on the entire screen.
      6. Compare the color with the Color Bar Check, and make sure that the color is the same.
      Fig 25: Remote Commander Check Display Menu
      G02838960Courtesy of © TOYOTA, LICENSE AGREEMENT TMS1002
    3. Display Panel Switch Check
      1. Start the Diagnosis system.
      2. Select "MENU".
      3. Select "Display Check".
      4. Select "Remote Commander".
      5. Press each switch and make sure that it corresponds to the display on the screen.
  13. WIRING DIAGRAM 
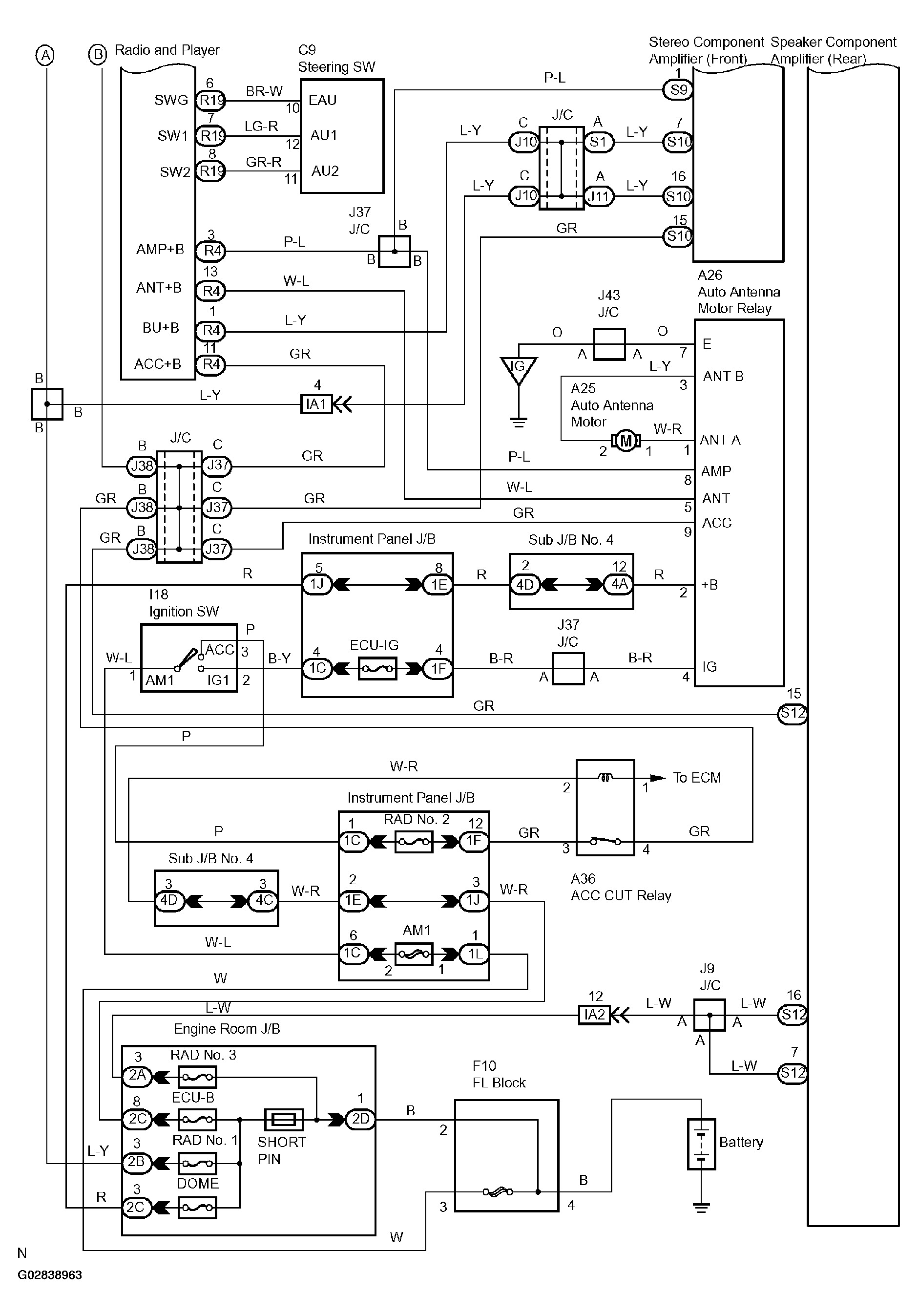
    1. Rear Seat Audio System
      Fig 26: Wiring Diagram - Rear Seat Audio System (1 Of 3)
      G02838961Courtesy of © TOYOTA, LICENSE AGREEMENT TMS1002
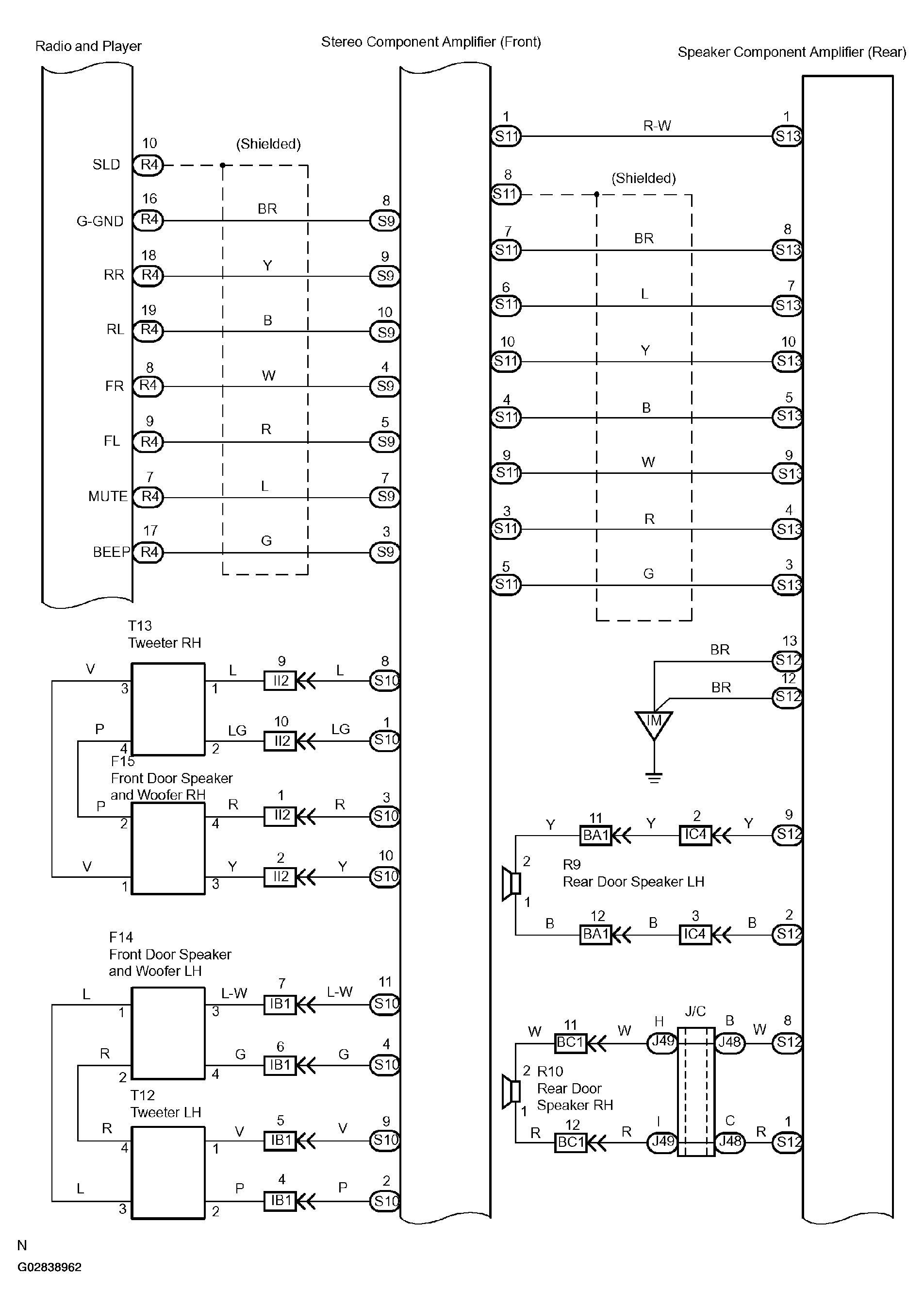
      Fig 27: Wiring Diagram - Rear Seat Audio System (2 Of 3)
      G02838962Courtesy of © TOYOTA, LICENSE AGREEMENT TMS1002
      Fig 28: Wiring Diagram - Rear Seat Audio System (3 Of 3)
      G02838963Courtesy of © TOYOTA, LICENSE AGREEMENT TMS1002
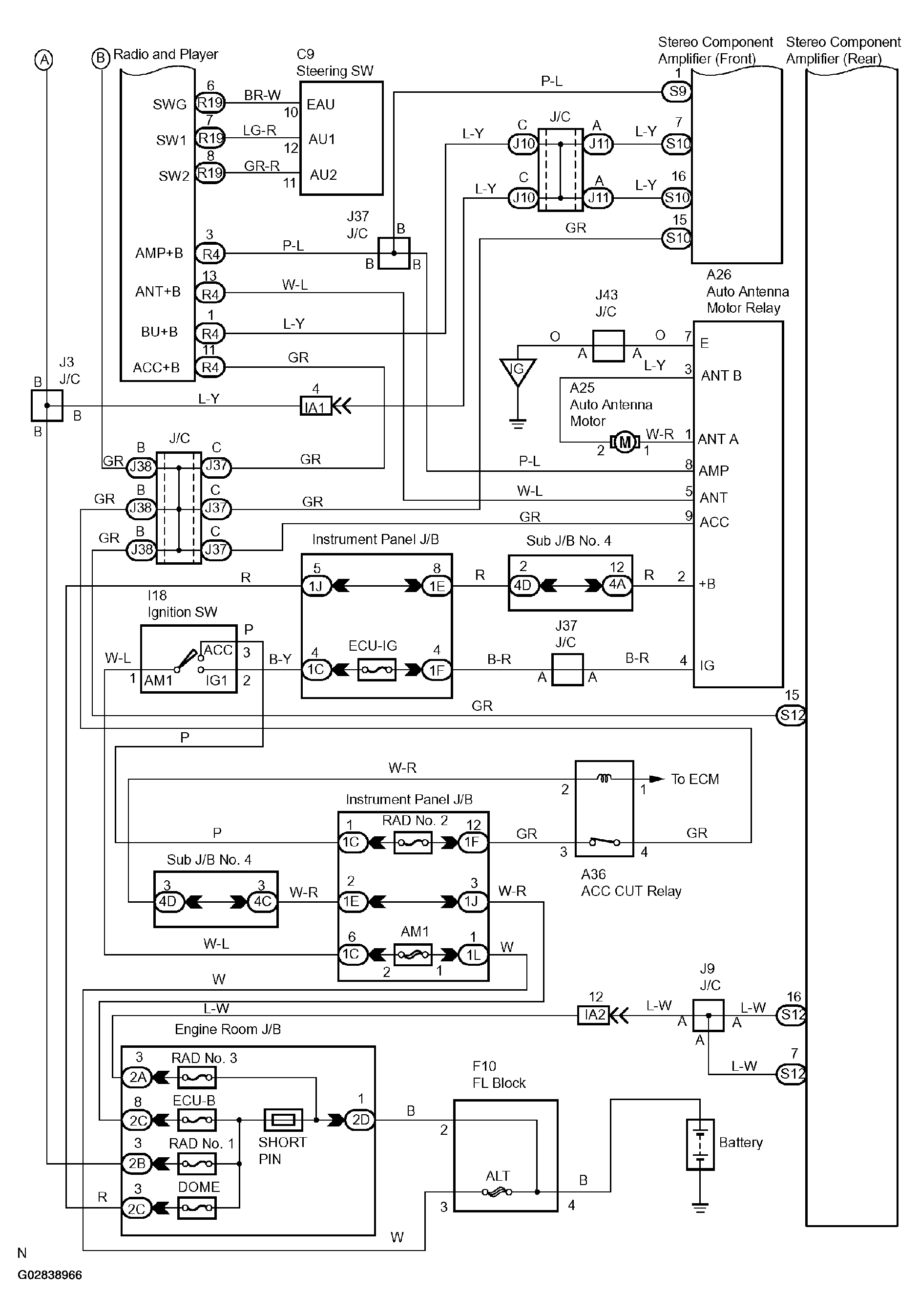
    2. Rear Seat Entertainment System
      Fig 29: Wiring Diagram - Rear Seat Entertainment System (1 Of 3)
      G02838964Courtesy of © TOYOTA, LICENSE AGREEMENT TMS1002
      Fig 30: Wiring Diagram - Rear Seat Entertainment System (2 Of 3)
      G02838965Courtesy of © TOYOTA, LICENSE AGREEMENT TMS1002
      Fig 31: Wiring Diagram - Rear Seat Entertainment System (3 Of 3)
      G02838966Courtesy of © TOYOTA, LICENSE AGREEMENT TMS1002
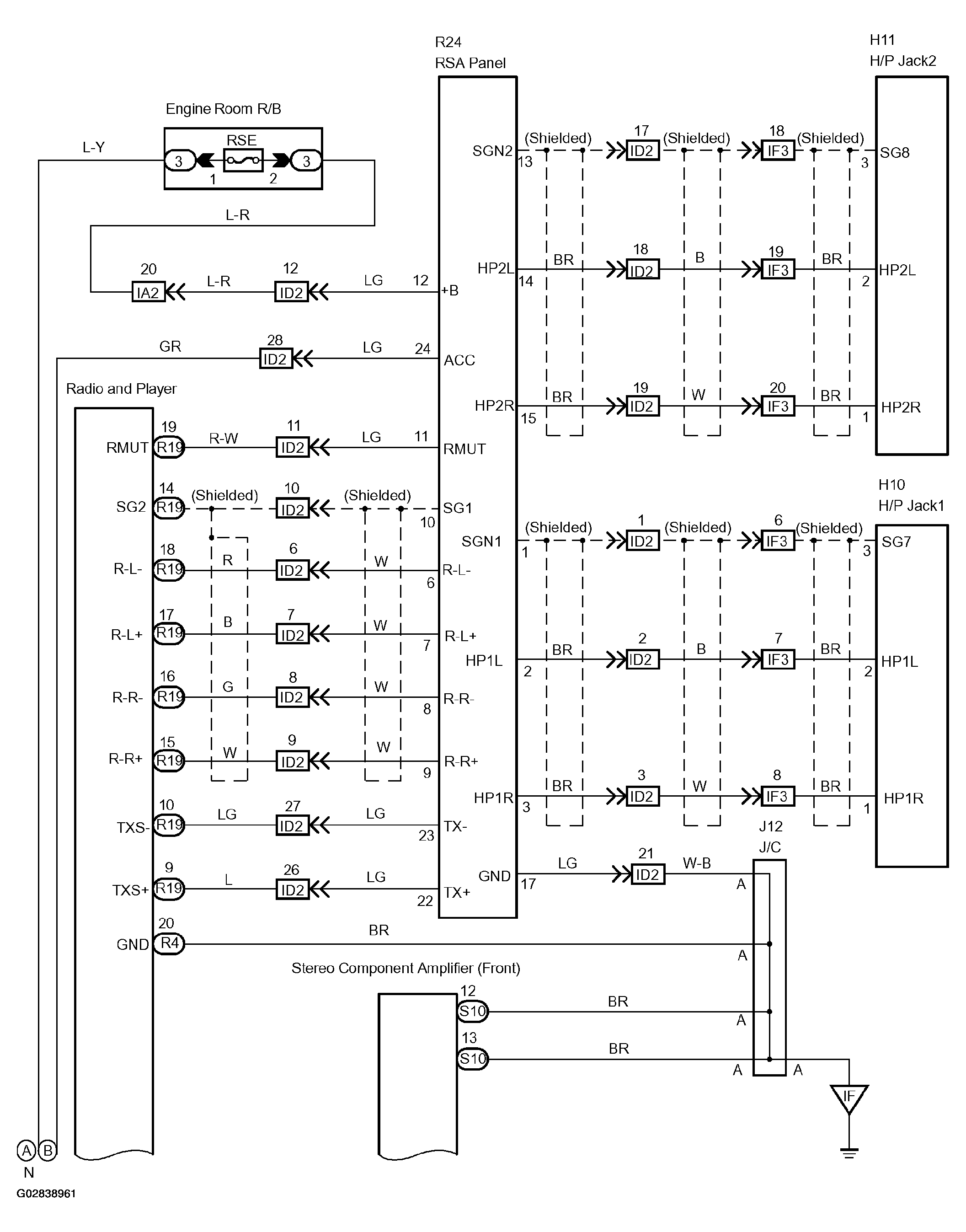
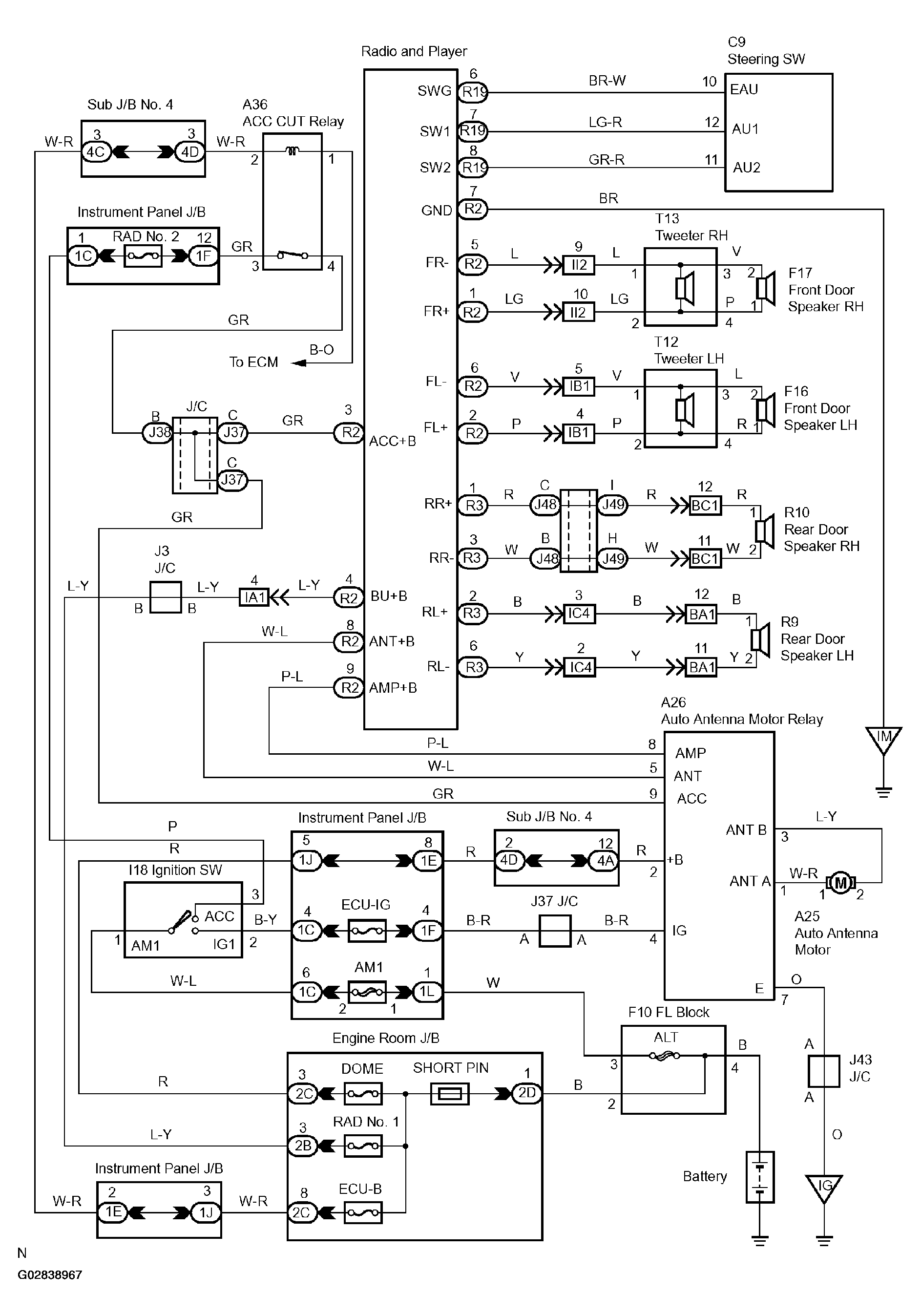
    3. Radio and Player (6 Speaker)
    Fig 32: Wiring Diagram - Radio And Player (6 Speaker)
    G02838967Courtesy of © TOYOTA, LICENSE AGREEMENT TMS1002