LEMON Manuals: Even more car manuals for everyone: 1960-2025
Home >> Toyota >> 2004 >> Matrix Base, FWD, Automatic >> Repair and Diagnosis >> External Pages >> Different car >> Section 693 (Lighting System - Diagnostics) >> Front Fog Light Circuit >> Wiring Diagram
April 5, 2026: LEMON Manuals is launched! Read the announcement.

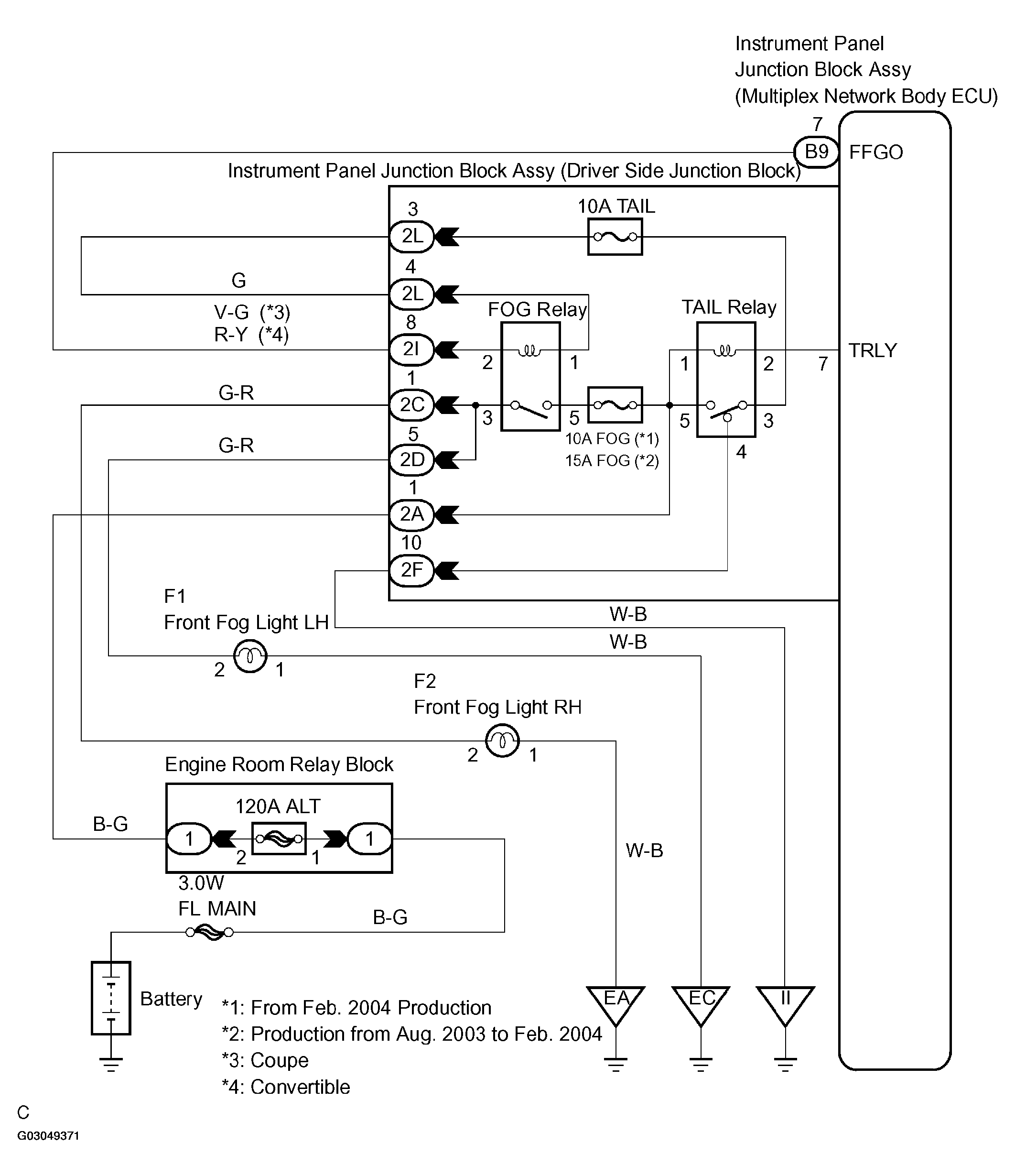
Front Fog Light Circuit: Wiring Diagram

WARNING: This page is about a different car, the 2004 Toyota Camry Solara. However, it is still accessible from the selected car via links, so may be relevant.
Fig 1: Front Fog Light Circuit Wiring Diagram
G03049371Courtesy of © TOYOTA, LICENSE AGREEMENT TMS1002