LEMON Manuals: Even more car manuals for everyone: 1960-2025
Home >> Toyota >> 2004 >> Matrix Base, FWD, Automatic >> Repair and Diagnosis >> External Pages >> Different car >> Section 735 (Power Window Control System - Diagnostics) >> Power Window Regulator Switch Circuit (Rear LH Door) >> Wiring Diagram
April 5, 2026: LEMON Manuals is launched! Read the announcement.

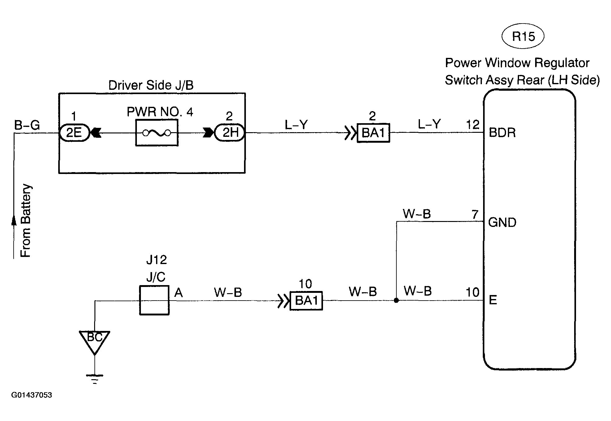
Power Window Regulator Switch Circuit (Rear LH Door): Wiring Diagram

WARNING: This page is about a different car, the 2004 Lexus ES 330. However, it is still accessible from the selected car via links, so may be relevant.
Fig 1: Power Window Regulator Switch Wiring Diagram (Rear LH Door)
G01437053Courtesy of © TOYOTA, LICENSE AGREEMENT TMS1002