LEMON Manuals: Even more car manuals for everyone: 1960-2025
Home >> Toyota >> 2004 >> Matrix Base, FWD, Automatic >> Repair and Diagnosis >> External Pages >> Different car >> Section 858 (LEXUS Navigation System - Diagnosis) >> Circuit Inspection >> AVC-LAN (Communication bus) Circuit >> Wiring Diagram
April 5, 2026: LEMON Manuals is launched! Read the announcement.

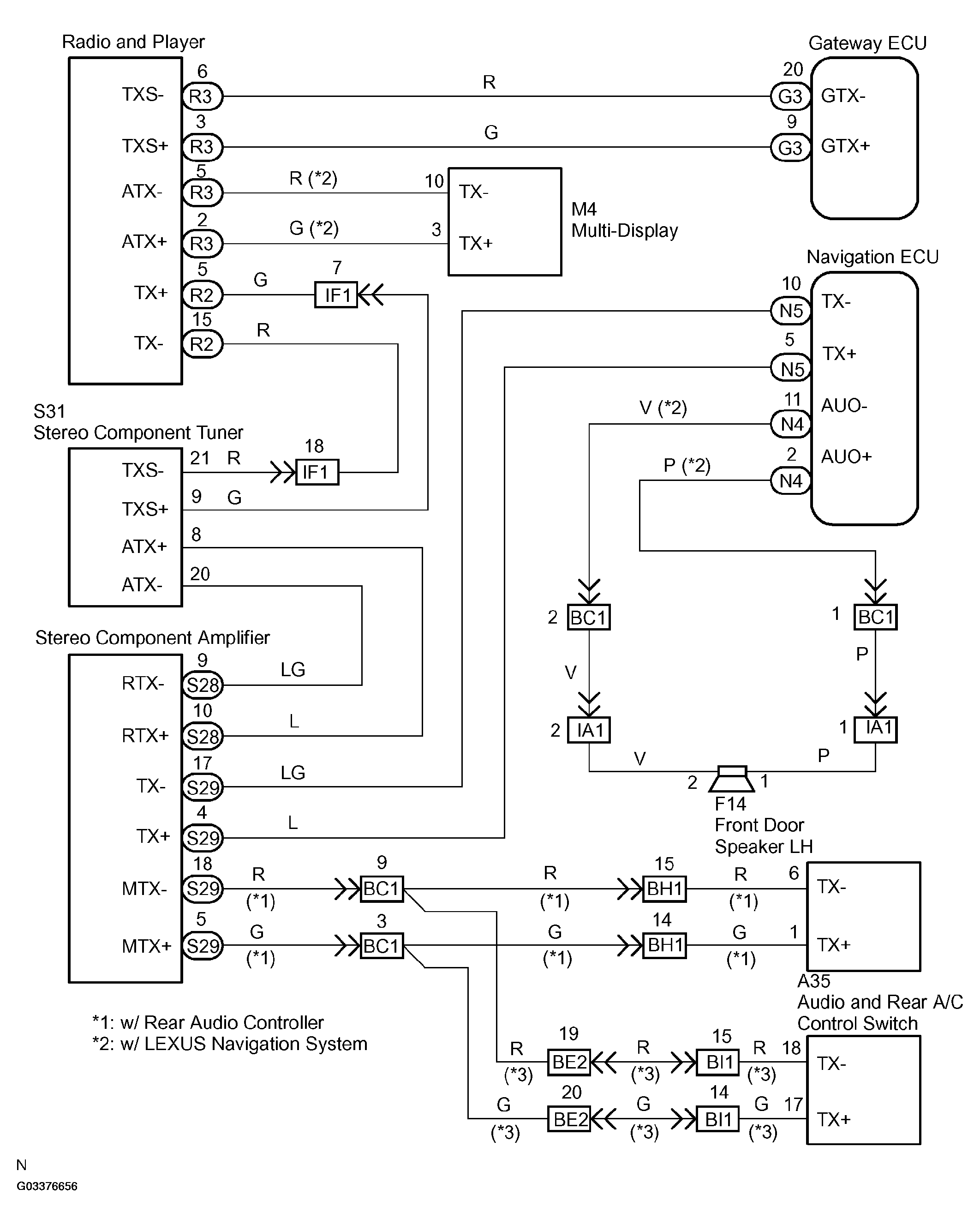
AVC-LAN (Communication bus) Circuit: Wiring Diagram

WARNING: This page is about a different car, the 2003 Lexus LS 430. However, it is still accessible from the selected car via links, so may be relevant.
Fig 1: Wiring Diagram
G03376656Courtesy of © TOYOTA, LICENSE AGREEMENT TMS1002