LEMON Manuals: Even more car manuals for everyone: 1960-2025
Home >> Toyota >> 2004 >> Matrix Base, FWD, Automatic >> Repair and Diagnosis >> External Pages >> Different variant/trim >> Section 4 (Engine Control System (SFI) - Diagnostics (2ZZ-GE)) >> DTC P2430: Secondary Air Injection System Air Flow/Pressure Sensor Circuit Bank1, DTC P2431: Secondary Air Injection System Air Flow/Pressure Sensor Circuit Range/Performance Bank1, DTC P2432: Secondary Air Injection System Air Flow/Pressure Sensor Circuit Low Bank1, DTC P2433: Secondary Air Injection System Air Flow/Pressure Sensor Circuit High Bank1 >> Wiring Diagram
April 5, 2026: LEMON Manuals is launched! Read the announcement.

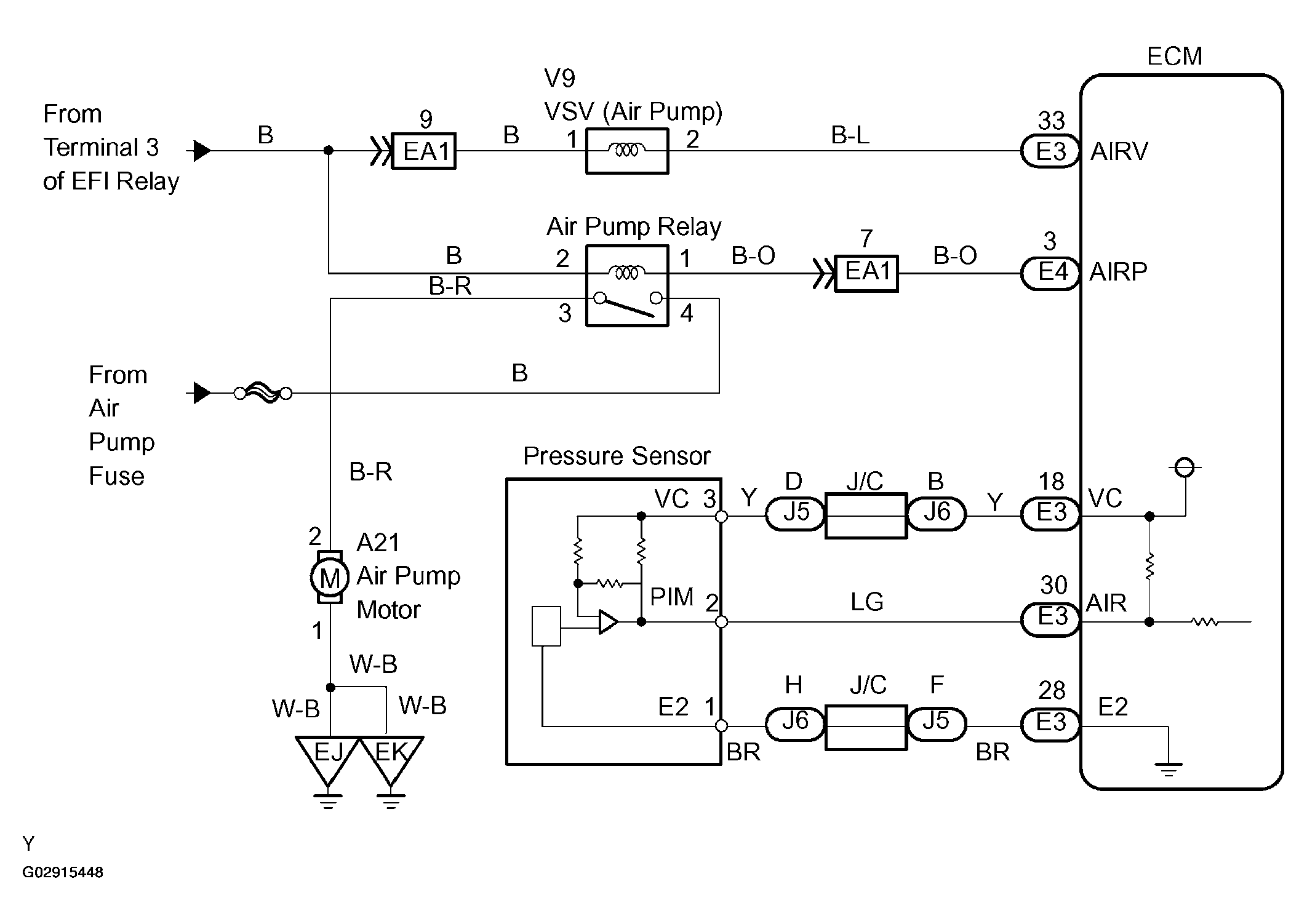
DTC P2430: Secondary Air Injection System Air Flow/Pressure Sensor Circuit Bank1, DTC P2431: Secondary Air Injection System Air Flow/Pressure Sensor Circuit Range/Performance Bank1, DTC P2432: Secondary Air Injection System Air Flow/Pressure Sensor Circuit Low Bank1, DTC P2433: Secondary Air Injection System Air Flow/Pressure Sensor Circuit High Bank1: Wiring Diagram

WARNING: This page is about a different variant/trim than selected.
Fig 1: Wiring Diagram - Air Injection System Air Flow/Pressure Sensor Circuit
G02915448Courtesy of © TOYOTA, LICENSE AGREEMENT TMS1002