LEMON Manuals: Even more car manuals for everyone: 1960-2025
Home >> Toyota >> 2004 >> Matrix Base, FWD, Standard >> Repair and Diagnosis (Single Page) >> External Pages >> Different car >> Section 210 (Body Control System) >> Circuit Tests >> Door Courtesy Switch Circuit (Front & Rear) >> Circuit Description
April 5, 2026: LEMON Manuals is launched! Read the announcement.

Circuit Description

WARNING: This page is about a different car, the 2003 Lexus IS 300 and 2002 Lexus IS 300. However, it is still accessible from the selected car via links, so may be relevant.

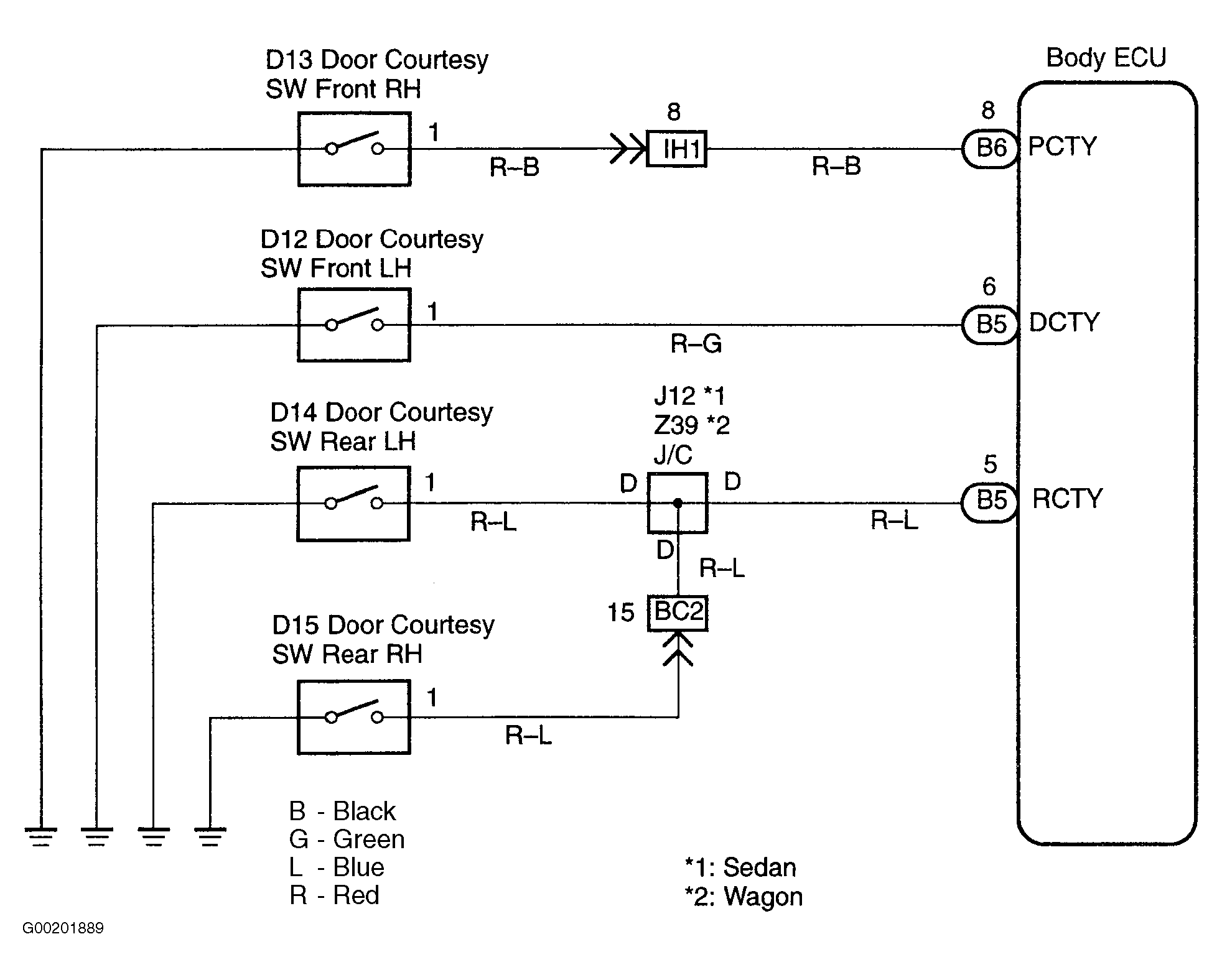
The door courtesy switch goes on when the door is opened and goes off when the door is closed. For circuit diagram, see Fig 1.

Fig 1: Identifying Door Courtesy Switch Circuit
G00201889Courtesy of © TOYOTA, LICENSE AGREEMENT TMS1002