LEMON Manuals: Even more car manuals for everyone: 1960-2025
Home >> Toyota >> 2004 >> Matrix Base, FWD, Standard >> Repair and Diagnosis >> External Pages >> Different car >> Section 133 (Engine Control System Self Diagnostics) >> Diagnostic Tests >> DTC P0230: Fuel Pump Primary Circuit >> Diagnosis & Repair
April 5, 2026: LEMON Manuals is launched! Read the announcement.

Diagnosis & Repair

WARNING: This page is about a different car, the 2003 Toyota Sequoia. However, it is still accessible from the selected car via links, so may be relevant.
NOTE: Using Toyota hand-held tester or scan tool, read FREEZE FRAME data. Freeze frame data records engine conditions when malfunction is detected.

For diagnosis and repair procedure, see Fig 1.

For locating emission related components, see Figure.

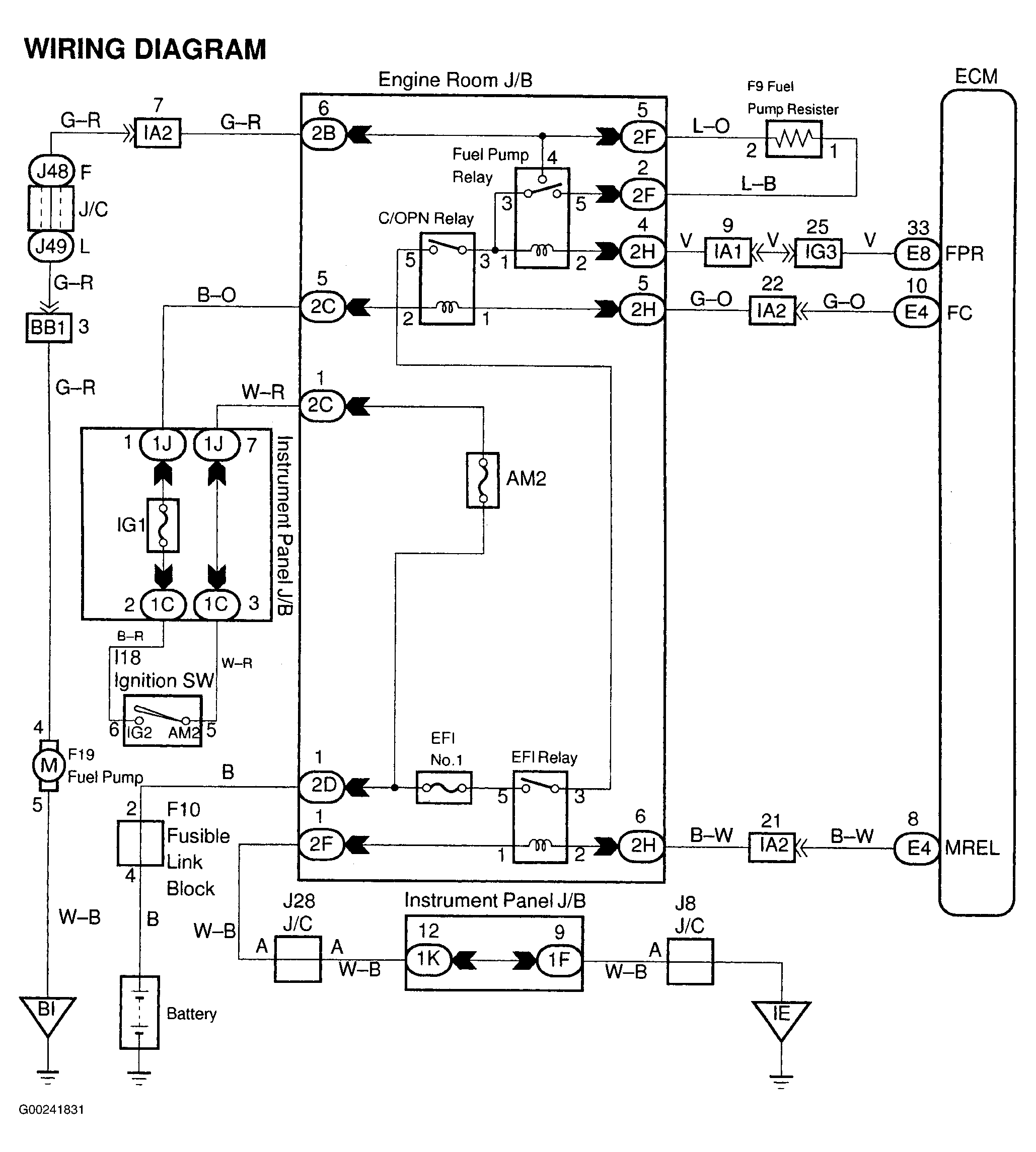
For ECM location, see Figure. For ECM connector view, see Figure. For fuel pump circuit wiring diagram, see Fig 2. For testing of systems or components, see SYSTEM & COMPONENT TESTING - V6 & V8 article. For removal and installation of components, see REMOVAL & INSTALLATION - V6 & V8 article.

Fig 1: DTC P0230 Diagnostic Procedure
G00241832Courtesy of © TOYOTA, LICENSE AGREEMENT TMS1002
Fig 2: Fuel Pump Circuit Wiring Diagram
G00241831Courtesy of © TOYOTA, LICENSE AGREEMENT TMS1002