LEMON Manuals: Even more car manuals for everyone: 1960-2025
Home >> Toyota >> 2004 >> Matrix Base, FWD, Standard >> Repair and Diagnosis >> External Pages >> Different car >> Section 135 (Engine Control System Self Diagnostics - V8) >> Diagnostic Tests >> DTC P0617: Starter Relay Circuit High >> Possible Causes
April 5, 2026: LEMON Manuals is launched! Read the announcement.

Possible Causes

WARNING: This page is about a different car, the 2003 Toyota Tundra. However, it is still accessible from the selected car via links, so may be relevant.

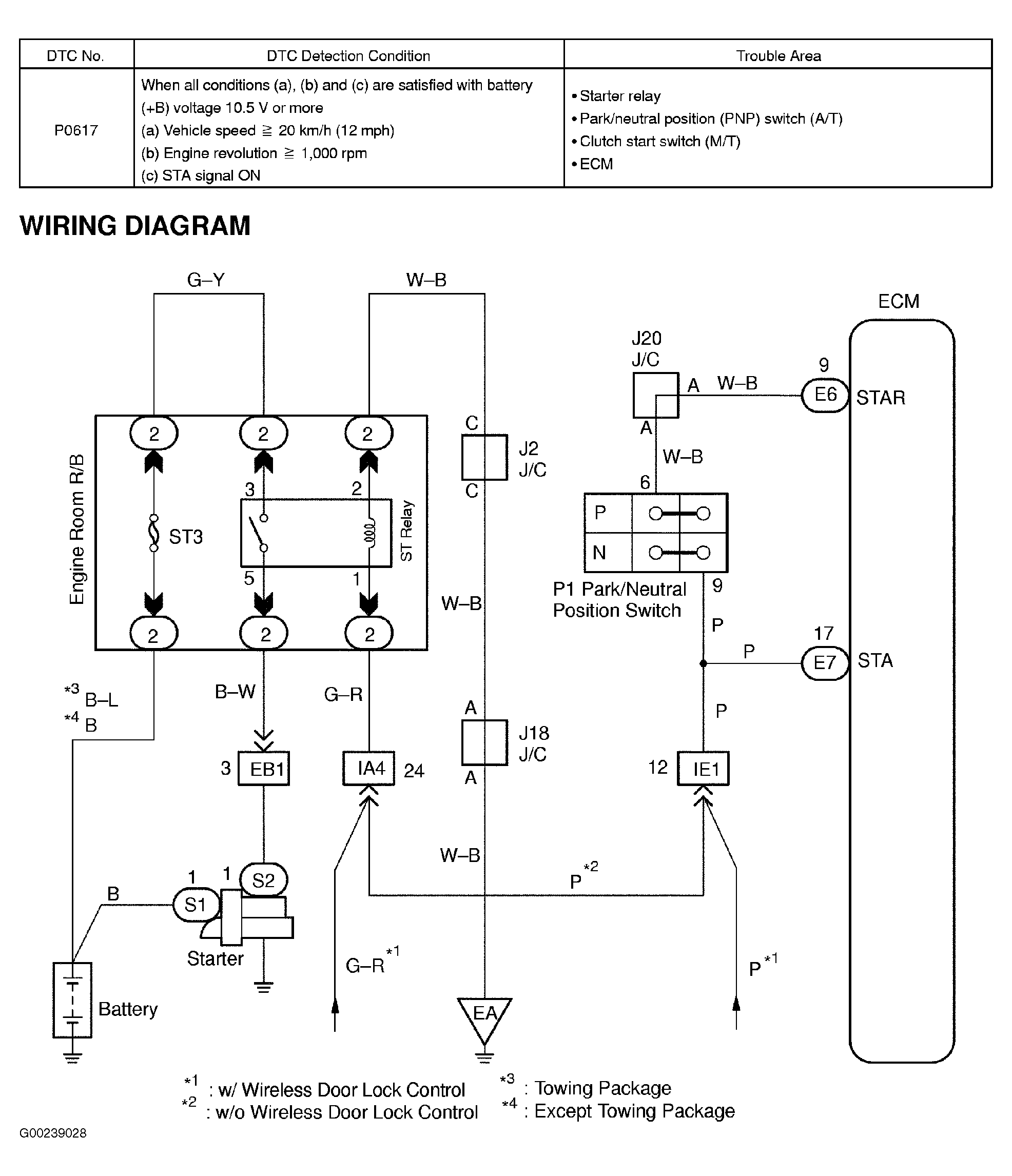
For DTC detection conditions and possible causes, see Fig 1.

Fig 1: DTC Detection Conditions & Possible Causes
G00239028Courtesy of © TOYOTA, LICENSE AGREEMENT TMS1002