LEMON Manuals: Even more car manuals for everyone: 1960-2025
Home >> Toyota >> 2004 >> Matrix Base, FWD, Standard >> Repair and Diagnosis >> External Pages >> Different car >> Section 140 (Engine Controls - System & Component Testing - V6 & V8) >> Computerized Engine Controls >> Cranking Hold Function Circuit >> Land Cruiser
April 5, 2026: LEMON Manuals is launched! Read the announcement.

Land Cruiser

WARNING: This page does not describe the selected car, but rather 10 other vehicles, including the 2003 Toyota Tundra, 2003 Toyota Tacoma, 2003 Toyota Sienna, 2003 Toyota Sequoia, and 2003 Toyota Land Cruiser. However, it is still accessible from the selected car via links, so may be relevant.
NOTE: Cranking Hold Function Circuit may be referred to as starter signal circuit.

For cranking hold function circuit inspection and wiring diagram, see Fig 1-Fig 11 . For circuit identification, see ENGINE PERFORMANCE in appropriate SYSTEM WIRING DIAGRAMS article in ELECTRICAL. To check for intermittent problems, see INTERMITTENTS in TROUBLE SHOOTING - NO CODES article. Before replacing ECM, check ECM connectors and ground circuits. See ENGINE CONTROL MODULE POWER & GROUND CIRCUITS  under COMPUTERIZED ENGINE CONTROLS.

Fig 1: Cranking Hold Function Circuit Description & Diagram (Land Cruiser)
G00247752Courtesy of © TOYOTA, LICENSE AGREEMENT TMS1002
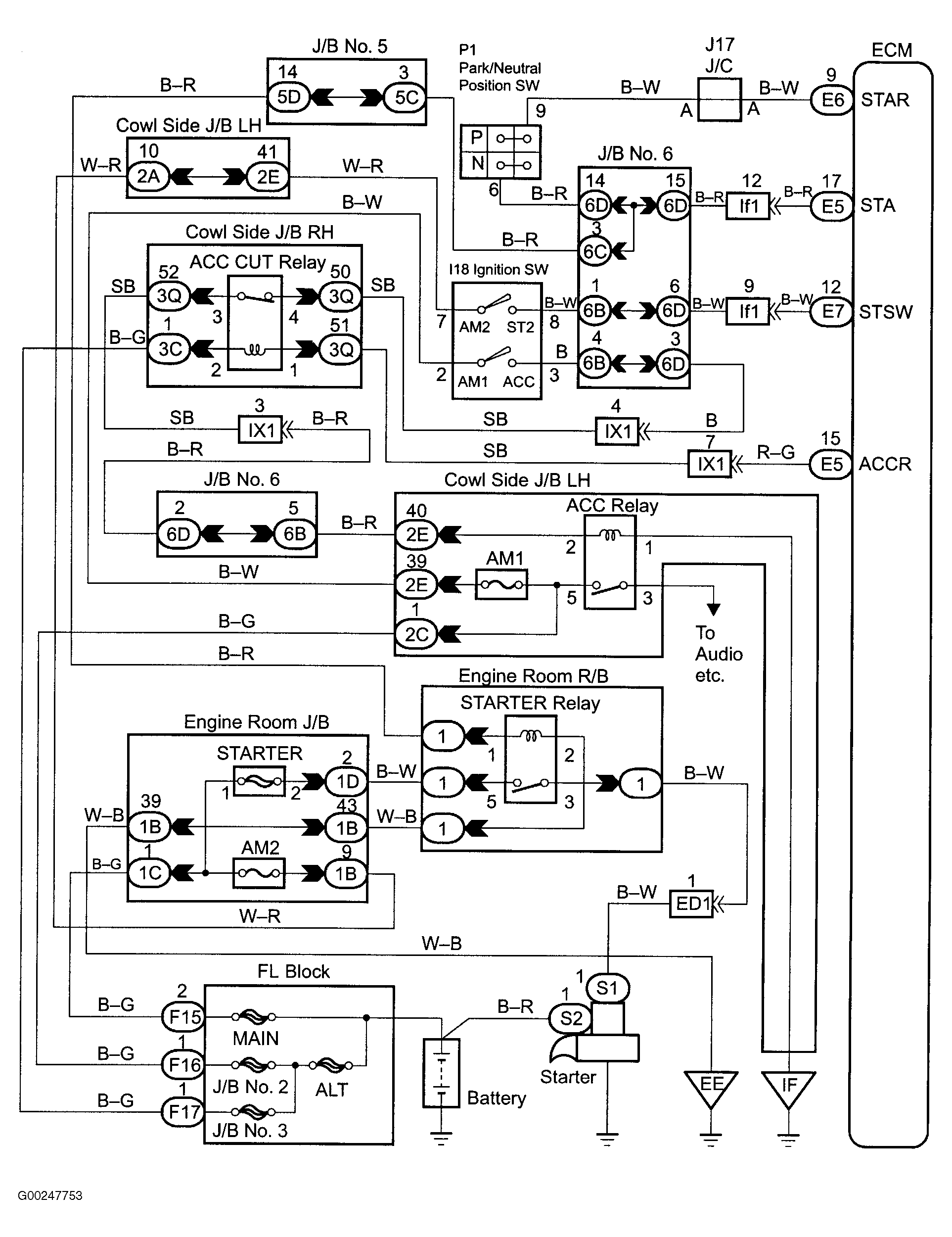
Fig 2: Cranking Hold Function Wiring Diagram (Land Cruiser)
G00247753Courtesy of © TOYOTA, LICENSE AGREEMENT TMS1002
Fig 3: Cranking Hold Function Circuit Inspection Using Hand-Held Tester - Step 1 (Land Cruiser)
G00247754Courtesy of © TOYOTA, LICENSE AGREEMENT TMS1002
Fig 4: Cranking Hold Function Circuit Inspection Using Hand-Held Tester - Steps 2-3 (Land Cruiser)
G00247755Courtesy of © TOYOTA, LICENSE AGREEMENT TMS1002
Fig 5: Cranking Hold Function Circuit Inspection Using Hand-Held Tester - Steps 4-6 (Land Cruiser)
G00247756Courtesy of © TOYOTA, LICENSE AGREEMENT TMS1002
Fig 6: Cranking Hold Function Circuit Inspection Using Hand-Held Tester - Steps 7-9 (Land Cruiser)
G00247757Courtesy of © TOYOTA, LICENSE AGREEMENT TMS1002
Fig 7: Cranking Hold Function Circuit Inspection Using OBD II Scan Tool - Steps 1-2 (Land Cruiser)
G00247758Courtesy of © TOYOTA, LICENSE AGREEMENT TMS1002
Fig 8: Cranking Hold Function Circuit Inspection Using OBD II Scan Tool - Steps 3-4 (Land Cruiser)
G00247759Courtesy of © TOYOTA, LICENSE AGREEMENT TMS1002
Fig 9: Cranking Hold Function Circuit Inspection Using OBD II Scan Tool - Steps 5-7 (Land Cruiser)
G00247760Courtesy of © TOYOTA, LICENSE AGREEMENT TMS1002
Fig 10: Cranking Hold Function Circuit Inspection Using OBD II Scan Tool - Step 8 (Land Cruiser)
G00247761Courtesy of © TOYOTA, LICENSE AGREEMENT TMS1002
Fig 11: Locating Data Link Connector No. 3 (Land Cruiser)
G99G08773Courtesy of © TOYOTA, LICENSE AGREEMENT TMS1002