LEMON Manuals: Even more car manuals for everyone: 1960-2025
Home >> Toyota >> 2004 >> Matrix Base, FWD, Standard >> Repair and Diagnosis >> External Pages >> Different car >> Section 437 (Body Control Systems - Diagnostics) >> Circuit Inspection >> Door Lock Control Switch Circuit >> Wiring Diagram
April 5, 2026: LEMON Manuals is launched! Read the announcement.

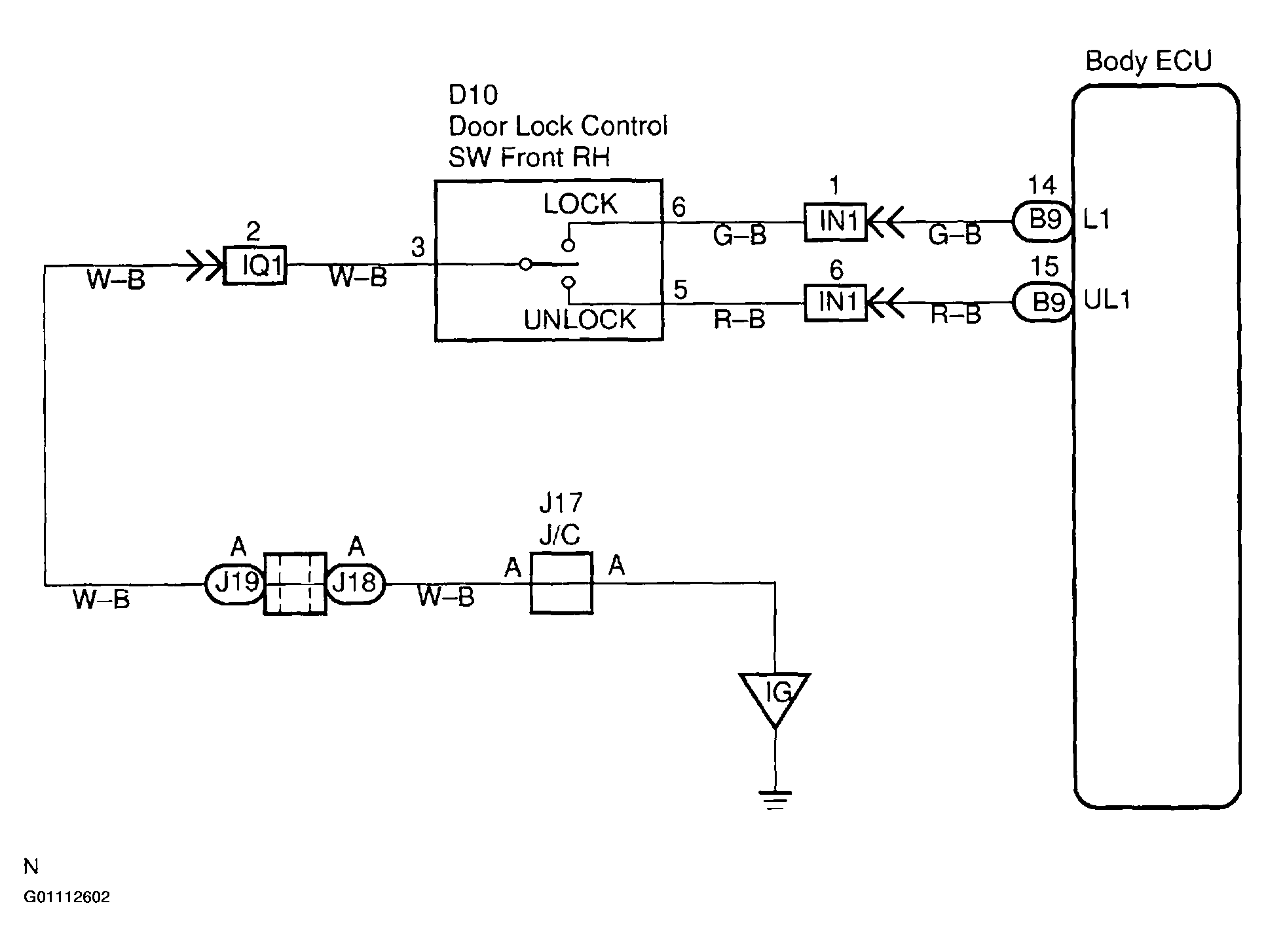
Door Lock Control Switch Circuit: Wiring Diagram

WARNING: This page is about a different car, the 2002 Toyota Prius. However, it is still accessible from the selected car via links, so may be relevant.
Fig 1: Door Lock Control Switch Circuit
G01112602Courtesy of © TOYOTA, LICENSE AGREEMENT TMS1002