LEMON Manuals: Even more car manuals for everyone: 1960-2025
Home >> Toyota >> 2004 >> Matrix Base, FWD, Standard >> Repair and Diagnosis >> External Pages >> Different car >> Section 694 (Audio System - Diagnostics) >> System Diagram
April 5, 2026: LEMON Manuals is launched! Read the announcement.

System Diagram

WARNING: This page is about a different car, the 2004 Toyota Camry Solara. However, it is still accessible from the selected car via links, so may be relevant.
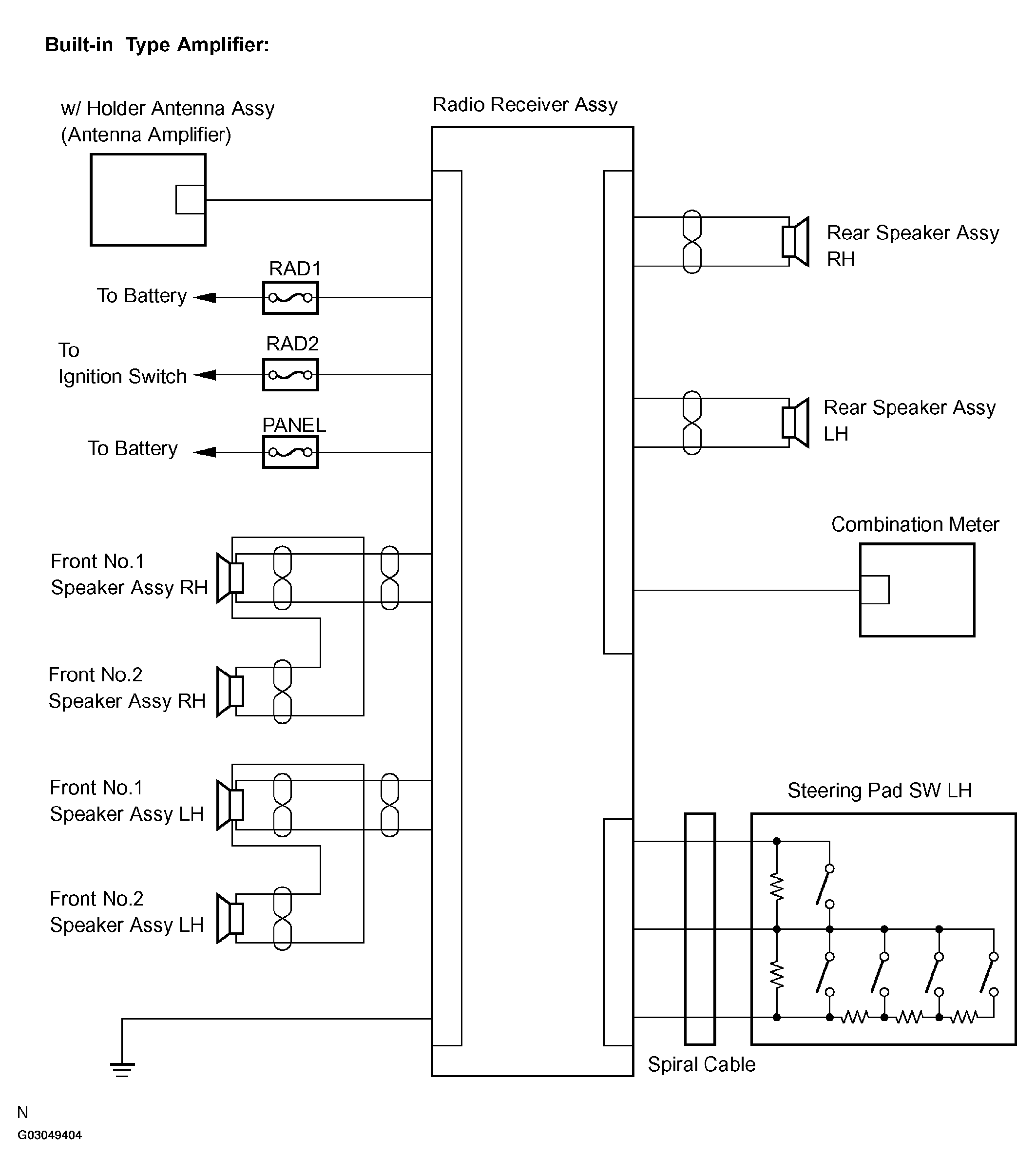
Fig 1: Audio System Diagram - Built In Type Amplifier
G03049404Courtesy of © TOYOTA, LICENSE AGREEMENT TMS1002
Fig 2: Audio System Diagram - Separate Type Amplifier (Coupe)
G03049405Courtesy of © TOYOTA, LICENSE AGREEMENT TMS1002
Fig 3: Audio System Diagram - Separate Type Amplifier (Convertible)
G03049406Courtesy of © TOYOTA, LICENSE AGREEMENT TMS1002