LEMON Manuals: Even more car manuals for everyone: 1960-2025
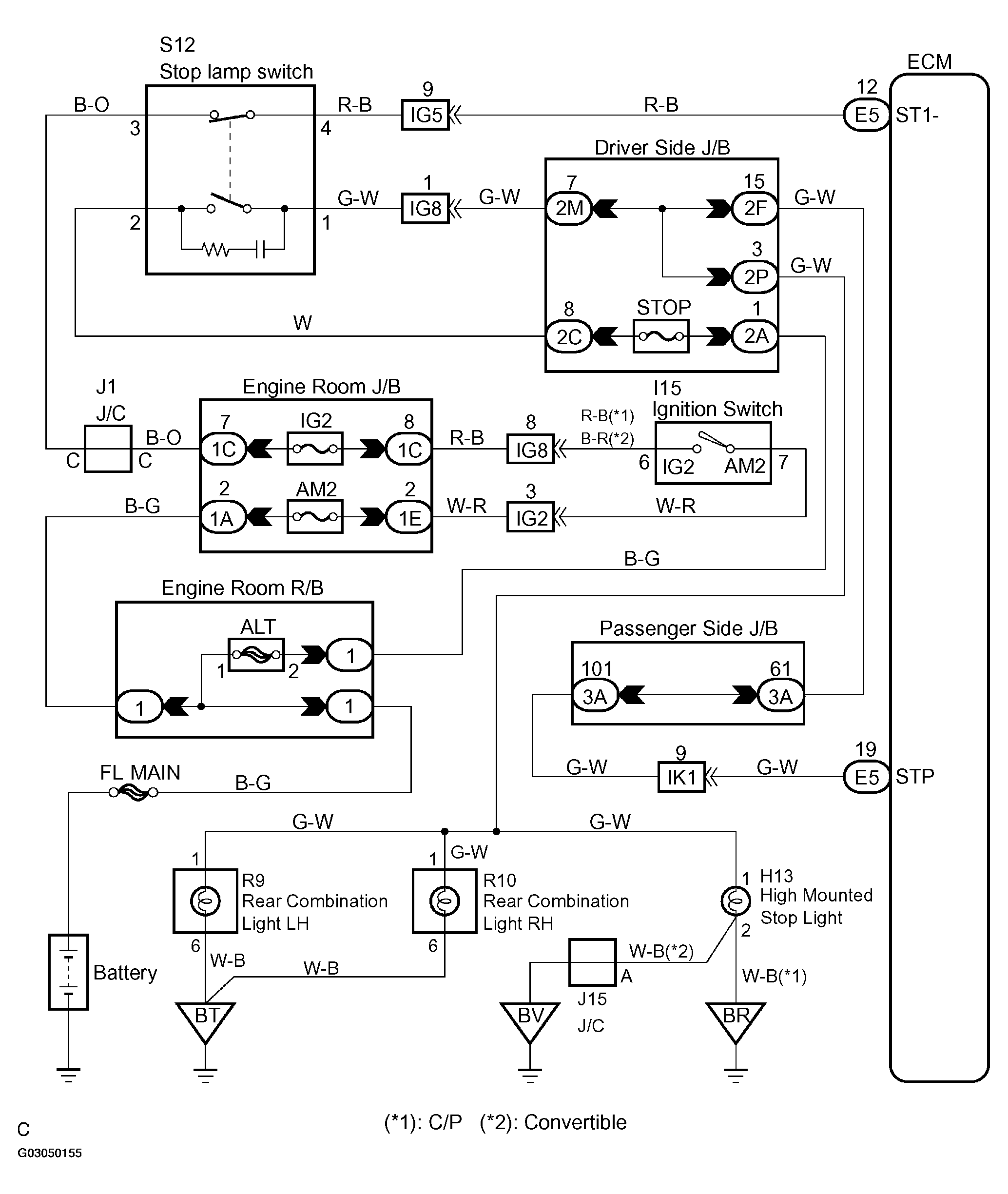
Home >> Toyota >> 2004 >> Matrix Base, FWD, Standard >> Repair and Diagnosis >> External Pages >> Different car >> Section 703 (Cruise Control System - Diagnostics) >> Diagnostic Trouble Code Chart >> DTC P0571/52: Stop Light Switch Circuit >> Wiring Diagram
April 5, 2026: LEMON Manuals is launched! Read the announcement.

DTC P0571/52: Stop Light Switch Circuit: Wiring Diagram

WARNING: This page is about a different car, the 2004 Toyota Camry Solara. However, it is still accessible from the selected car via links, so may be relevant.
Fig 1: Stop Light Switch Wiring Diagram
G03050155Courtesy of © TOYOTA, LICENSE AGREEMENT TMS1002