LEMON Manuals: Even more car manuals for everyone: 1960-2025
Home >> Toyota >> 2004 >> Matrix Base, FWD, Standard >> Repair and Diagnosis >> External Pages >> Different car >> Section 736 (Power Mirror Control System - Diagnosis) >> Mirror Position Sensor Circuit (W/ Memory) >> Wiring Diagram
April 5, 2026: LEMON Manuals is launched! Read the announcement.

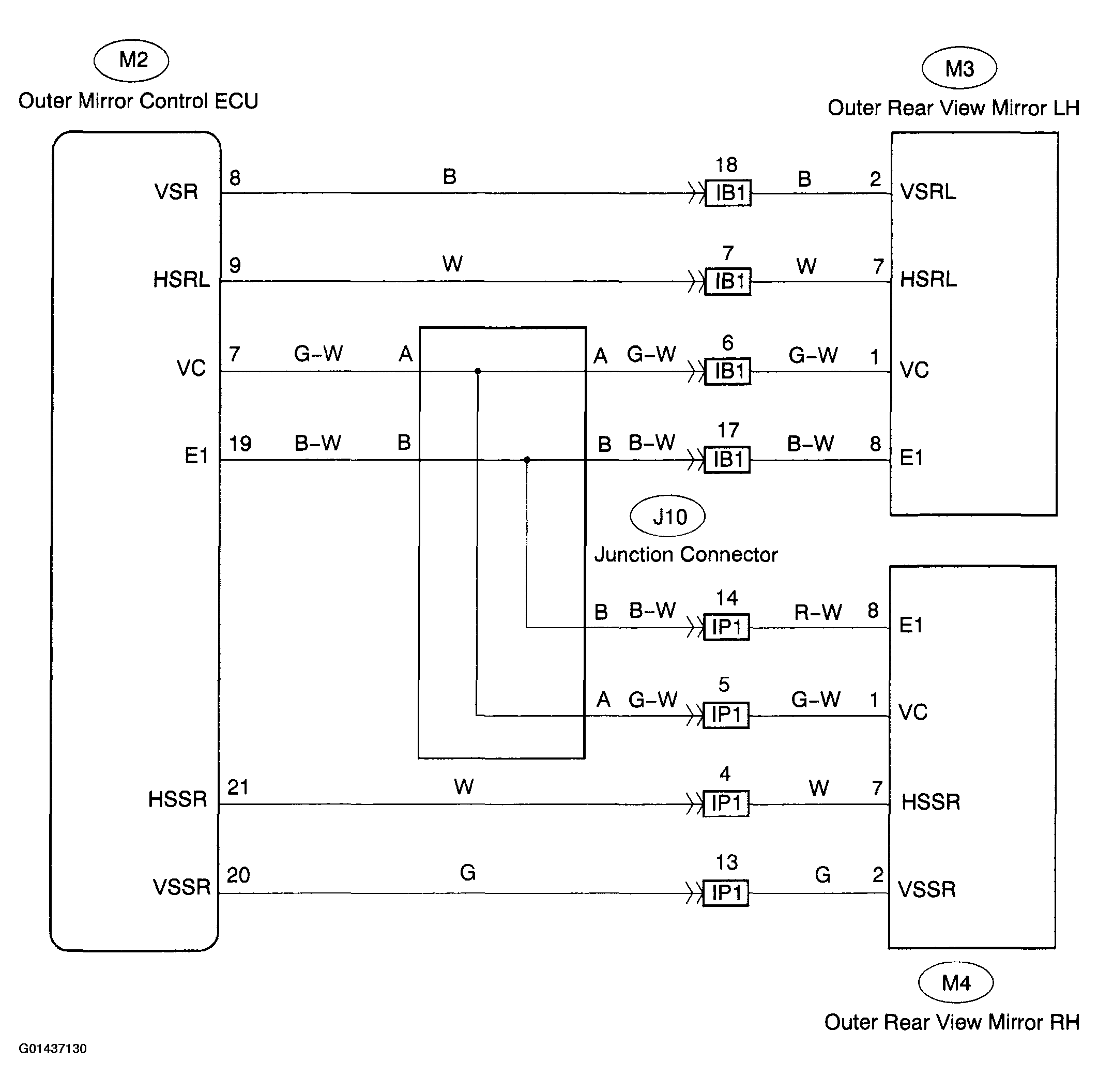
Mirror Position Sensor Circuit (W/ Memory): Wiring Diagram

WARNING: This page is about a different car, the 2004 Lexus ES 330. However, it is still accessible from the selected car via links, so may be relevant.
Fig 1: Wiring Diagram
G01437130Courtesy of © TOYOTA, LICENSE AGREEMENT TMS1002