LEMON Manuals: Even more car manuals for everyone: 1960-2025
Home >> Toyota >> 2004 >> Prius >> Repair and Diagnosis >> Body & Frame >> Windows >> Power Window Control System - Diagnosis >> System Diagram
April 5, 2026: LEMON Manuals is launched! Read the announcement.

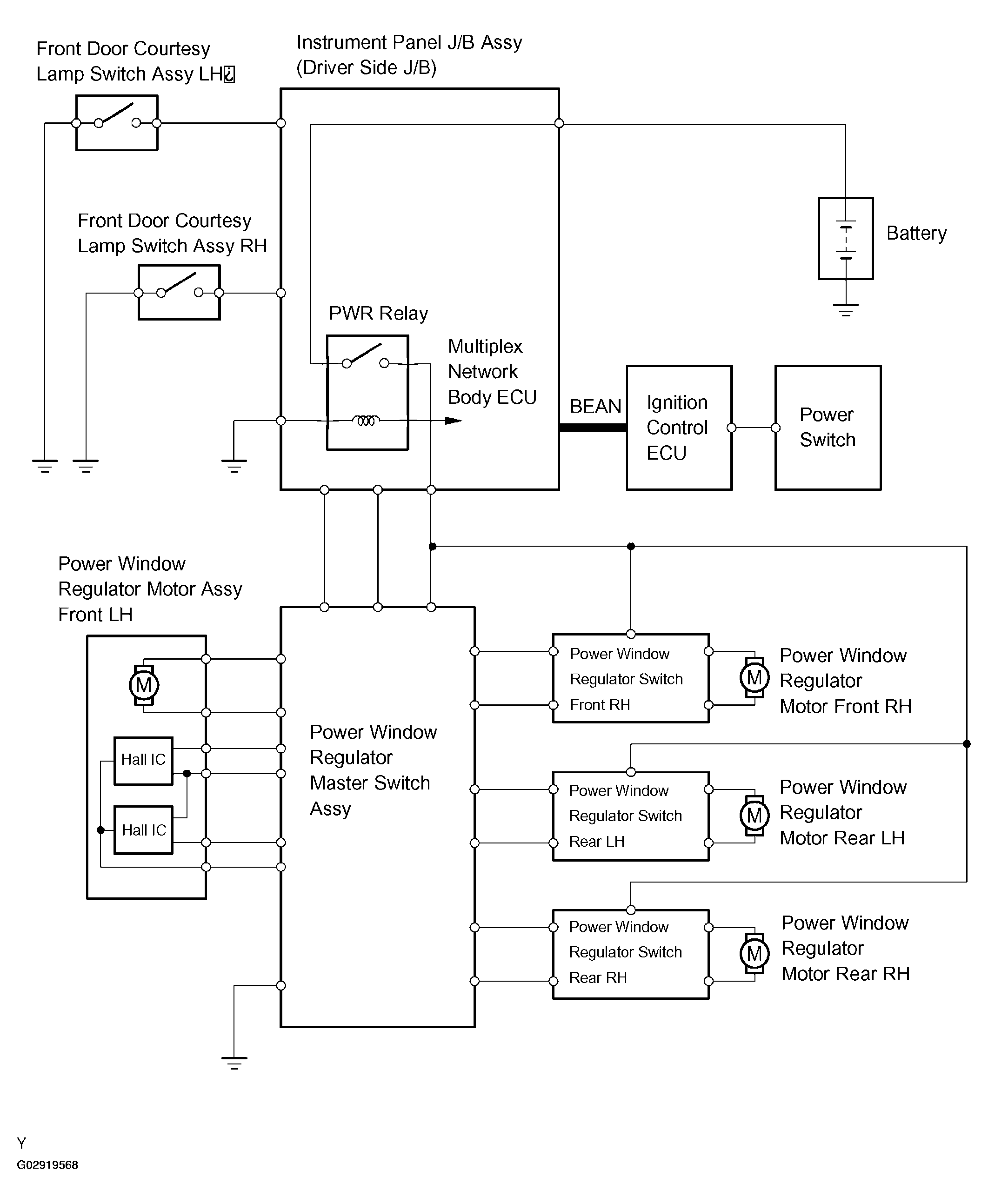
System Diagram

Fig 1: Power Window Control System Diagram
G02919568Courtesy of © TOYOTA, LICENSE AGREEMENT TMS1002