LEMON Manuals: Even more car manuals for everyone: 1960-2025
Home >> Toyota >> 2004 >> RAV4 Base, AWD, Automatic >> Repair and Diagnosis >> Body & Frame >> Body, Cab Control Systems >> Body Control Systems - Diagnostics >> Circuit Inspection >> Key Unlock Warning Switch Circuit >> Wiring Diagram
April 5, 2026: LEMON Manuals is launched! Read the announcement.

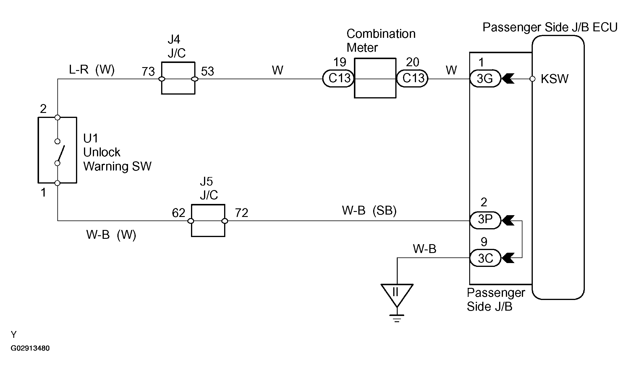
Key Unlock Warning Switch Circuit: Wiring Diagram

Fig 1: Wiring Diagram Of Key Unlock Warning Switch Circuit
G02913480Courtesy of © TOYOTA, LICENSE AGREEMENT TMS1002