LEMON Manuals: Even more car manuals for everyone: 1960-2025
Home >> Toyota >> 2004 >> RAV4 Base, AWD, Automatic >> Repair and Diagnosis >> External Pages >> Different car >> Section 127 (Engine Control System Self Diagnostics) >> Diagnostic Tests >> DTC P0134: Heated Oxygen Sensor Circuit No Activity Detected (Bank 1 Sensor 1) Or DTC P0154: Heated Oxygen Sensor Circuit No Activity Detected (Bank 2 Sensor 1) >> Diagnosis & Repair
April 5, 2026: LEMON Manuals is launched! Read the announcement.

Diagnosis & Repair

WARNING: This page is about a different car, the 2003 Toyota Land Cruiser. However, it is still accessible from the selected car via links, so may be relevant.
NOTE: Using Toyota hand-held tester or scan tool, read FREEZE FRAME data. Freeze frame data records engine conditions when malfunction is detected.

For diagnosis and repair procedure, see Fig 1-Fig 3 .

When prompted to perform confirmation driving pattern, see TEST DRIVE CONFIRMATION .

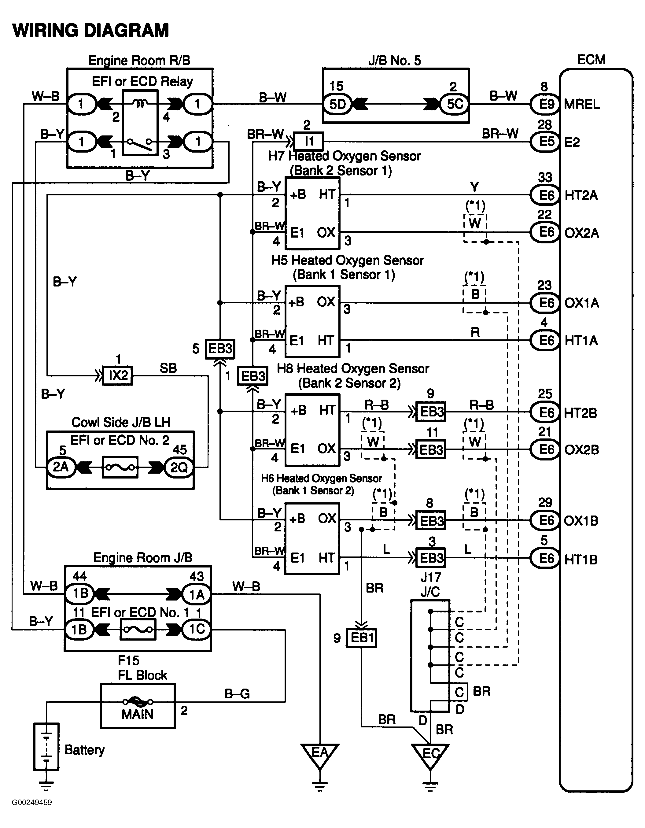
For ECM location, see Figure. For ECM connector terminal view, see Figure. For HO2S circuit wiring diagram, see Figure. For location of emission related components, see Figure.

For vacuum or EVAP hose routing, see VACUUM DIAGRAMS article. For testing of systems or components, see SYSTEM & COMPONENT TESTING - V6 & V8 article. For removal and installation of components, see REMOVAL & INSTALLATION - V6 & V8 article.

Fig 1: DTCs P0134 & P0154 Diagnostic Procedure (Steps 1-3)
G00236979Courtesy of © TOYOTA, LICENSE AGREEMENT TMS1002
Fig 2: DTCs P0134 & P0154 Diagnostic Procedure (Steps 4-8)
G00236980Courtesy of © TOYOTA, LICENSE AGREEMENT TMS1002
Fig 3: DTCs P0134 & P0154 Diagnostic Procedure (Steps 9-12)
G00236981Courtesy of © TOYOTA, LICENSE AGREEMENT TMS1002