LEMON Manuals: Even more car manuals for everyone: 1960-2025
Home >> Toyota >> 2004 >> RAV4 Base, AWD, Automatic >> Repair and Diagnosis >> External Pages >> Different car >> Section 129 (Engine Control System Self Diagnostics) >> Diagnostic Tests >> DTC P0441: EVAP Emission Control System Incorrect EVAP Purge Flow Or P0446: EVAP Emission Control System Vent Control Malfunction >> Diagnosis & Repair
April 5, 2026: LEMON Manuals is launched! Read the announcement.

Diagnosis & Repair

WARNING: This page is about a different car, the 2003 Toyota Prius. However, it is still accessible from the selected car via links, so may be relevant.
NOTE: Using Toyota hand-held tester or scan tool, read FREEZE FRAME data. Freeze frame data records engine conditions when malfunction is detected. When ENGINE RUN TIME in freeze frame data is less than 200 seconds, check EVAP VSV, charcoal canister and vapor pressure sensor.

For diagnosis and repair procedure with Toyota Hand-held tester or an Enhanced OBD II scan tool, see Fig 1-Fig 7 .

For diagnosis and repair procedure with OBD II scan tool (Non Enhanced), see Fig 8-Fig 13 .

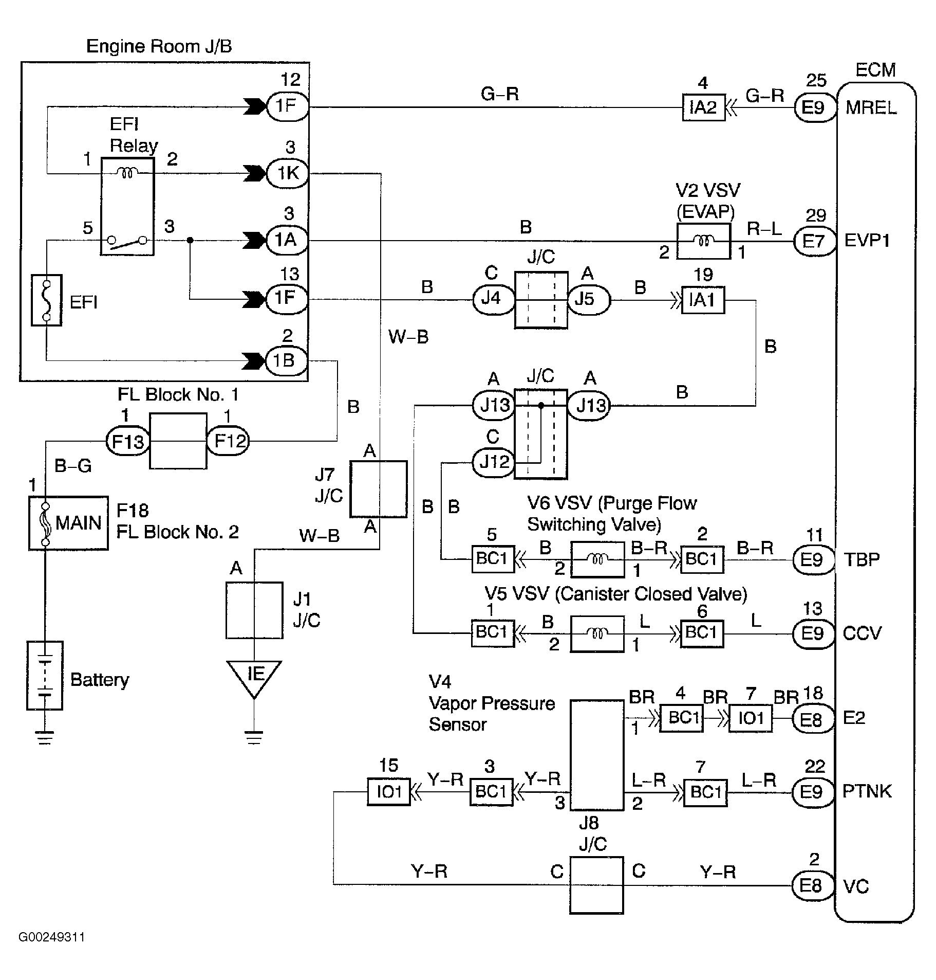
For EVAP system circuit wiring diagram, see Figure. For component locations, see Figure.

For ECM location, see Figure. For ECM connector terminal view, see Figure.

For vacuum or EVAP hose routing, see VACUUM DIAGRAMS article. For testing of systems or components, see SYSTEM & COMPONENT TESTING - 4-CYLINDER article. For removal and installation of components, see REMOVAL & INSTALLATION - 4-CYLINDER article.

Fig 1: DTCs P0441 & P0446 Diagnostic Procedure Using Hand Held Tester (Steps 1-4)
G00249312Courtesy of © TOYOTA, LICENSE AGREEMENT TMS1002
Fig 2: DTCs P0441 & P0446 Diagnostic Procedure Using Hand Held Tester (Steps 5-11)
G00249318Courtesy of © TOYOTA, LICENSE AGREEMENT TMS1002
Fig 3: DTCs P0441 & P0446 Diagnostic Procedure Using Hand Held Tester (Steps 12-13)
G00249319Courtesy of © TOYOTA, LICENSE AGREEMENT TMS1002
Fig 4: DTCs P0441 & P0446 Diagnostic Procedure Using Hand Held Tester (Steps 14-16)
G00249320Courtesy of © TOYOTA, LICENSE AGREEMENT TMS1002
Fig 5: DTCs P0441 & P0446 Diagnostic Procedure Using Hand Held Tester (Steps 17-19)
G00249321Courtesy of © TOYOTA, LICENSE AGREEMENT TMS1002
Fig 6: DTCs P0441 & P0446 Diagnostic Procedure Using Hand Held Tester (Steps 20-22)
G00249322Courtesy of © TOYOTA, LICENSE AGREEMENT TMS1002
Fig 7: DTCs P0441 & P0446 Diagnostic Procedure Using Hand Held Tester (Steps 23-26)
G00249323Courtesy of © TOYOTA, LICENSE AGREEMENT TMS1002
Fig 8: DTCs P0441 & P0446 Diagnostic Procedure Using OBD II Scan Tool (Steps 1-6)
G00249324Courtesy of © TOYOTA, LICENSE AGREEMENT TMS1002
Fig 9: DTCs P0441 & P0446 Diagnostic Procedure Using OBD II Scan Tool (Steps 7-10)
G00249325Courtesy of © TOYOTA, LICENSE AGREEMENT TMS1002
Fig 10: DTCs P0441 & P0446 Diagnostic Procedure Using OBD II Scan Tool (Steps 11-12)
G00249326Courtesy of © TOYOTA, LICENSE AGREEMENT TMS1002
Fig 11: DTCs P0441 & P0446 Diagnostic Procedure Using OBD II Scan Tool (Steps 13-14)
G00249327Courtesy of © TOYOTA, LICENSE AGREEMENT TMS1002
Fig 12: DTCs P0441 & P0446 Diagnostic Procedure Using OBD II Scan Tool (Steps 15-16)
G00249328Courtesy of © TOYOTA, LICENSE AGREEMENT TMS1002
Fig 13: DTCs P0441 & P0446 Diagnostic Procedure Using OBD II Scan Tool (Steps 17-19)
G00249329Courtesy of © TOYOTA, LICENSE AGREEMENT TMS1002