LEMON Manuals: Even more car manuals for everyone: 1960-2025
Home >> Toyota >> 2004 >> Tundra Base, Automatic >> Repair and Diagnosis >> Transmission >> Transmission Control Systems >> Automatic Transmission Control System - Diagnostics >> DTC P0705, P0850: Transmission Range Sensor Circuit Malfunction (PRNDL Input) & Park/Neutral Switch Input Circuit (5VZ-FE Only) >> Wiring Diagram
April 5, 2026: LEMON Manuals is launched! Read the announcement.

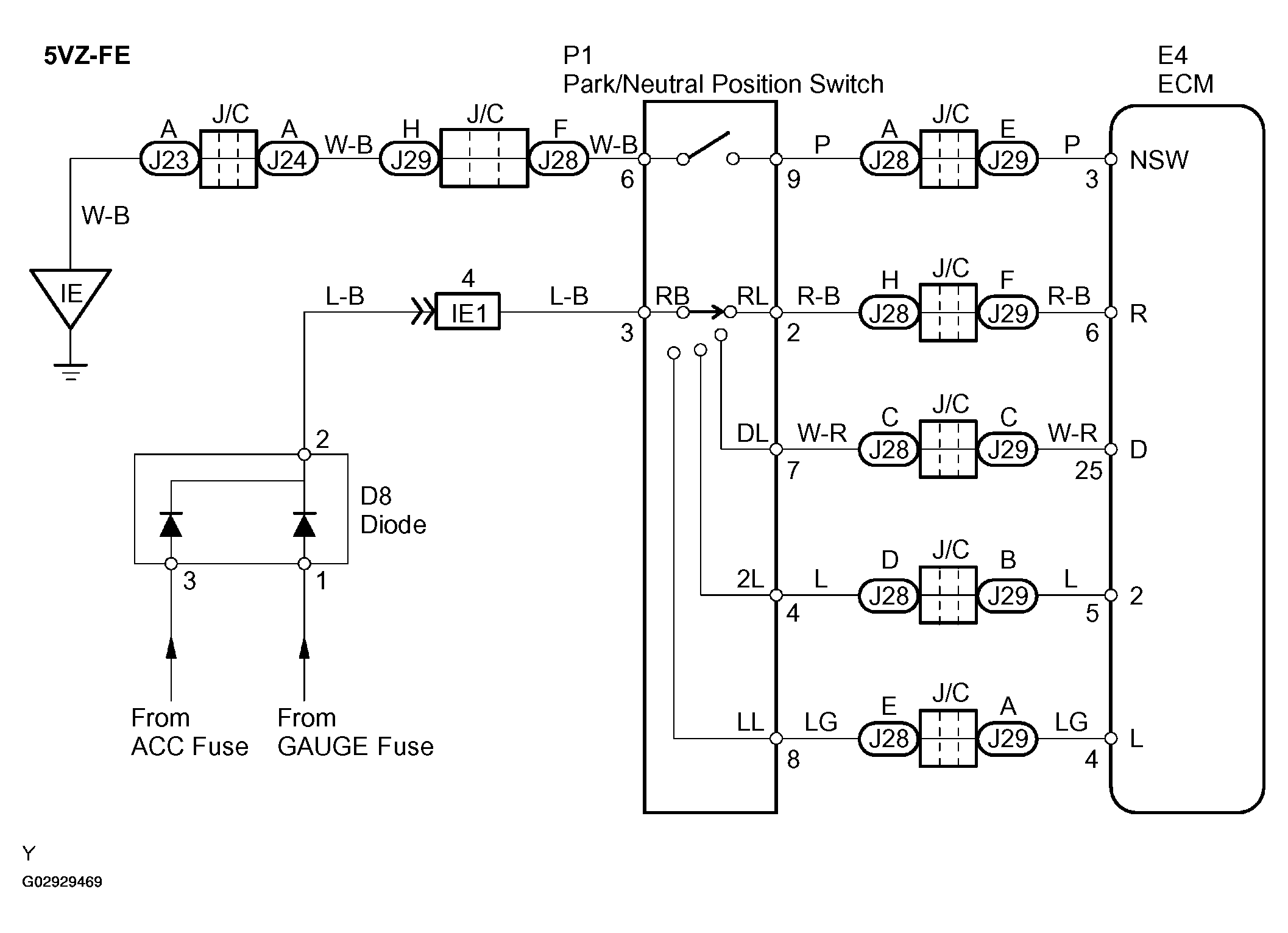
DTC P0705, P0850: Transmission Range Sensor Circuit Malfunction (PRNDL Input) & Park/Neutral Switch Input Circuit (5VZ-FE Only): Wiring Diagram

Fig 1: Wiring Diagram (2UZ-FE)
G02929468Courtesy of © TOYOTA, LICENSE AGREEMENT TMS1002
Fig 2: Wiring Diagram (5VZ-FE)
G02929469Courtesy of © TOYOTA, LICENSE AGREEMENT TMS1002