LEMON Manuals: Even more car manuals for everyone: 1960-2025
Home >> Toyota >> 2005 >> Avalon XLS >> Repair and Diagnosis >> Body & Frame >> Windows >> Power Window Control System >> Auto Up/Down Function Circuit (Front Passenger Side) >> Wiring Diagram
April 5, 2026: LEMON Manuals is launched! Read the announcement.

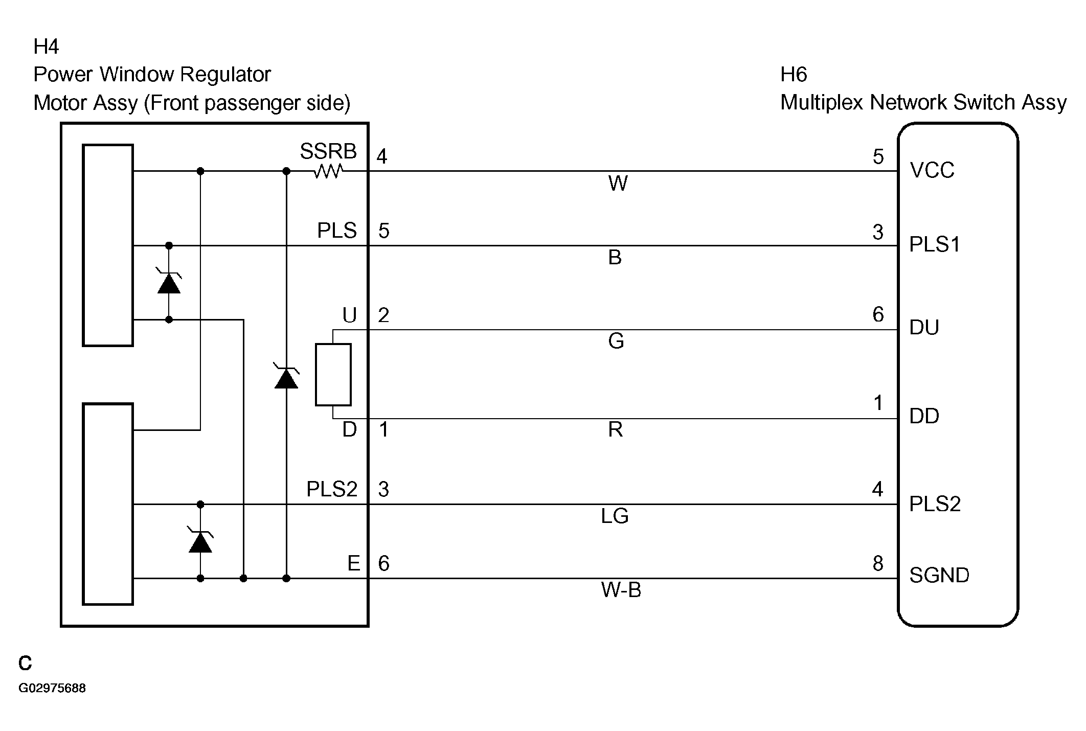
Auto Up/Down Function Circuit (Front Passenger Side): Wiring Diagram

Fig 1: Auto Up/Down Function Wiring Diagram - Front Passenger Side
G02975688Courtesy of © TOYOTA, LICENSE AGREEMENT TMS1002