LEMON Manuals: Even more car manuals for everyone: 1960-2025
Home >> Toyota >> 2005 >> Avalon XLS >> Repair and Diagnosis >> Engine Mechanical >> Auxiliary Emission Control Systems >> Intake Air Control System >> System Diagram
April 5, 2026: LEMON Manuals is launched! Read the announcement.

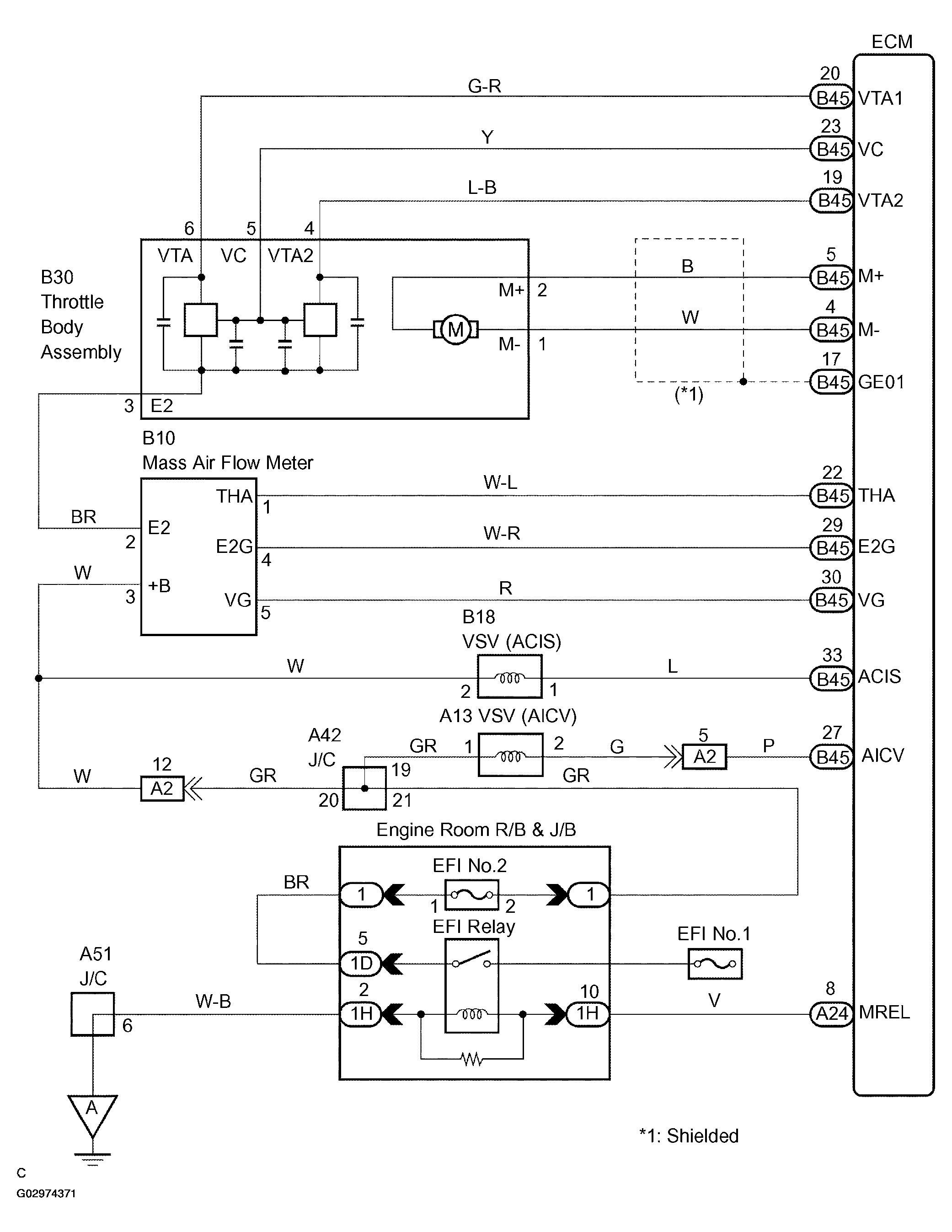
System Diagram

Fig 1: System Diagram - Intake Air Control System
G02974371Courtesy of © TOYOTA, LICENSE AGREEMENT TMS1002