LEMON Manuals: Even more car manuals for everyone: 1960-2025
Home >> Toyota >> 2005 >> Avalon XLS >> Repair and Diagnosis >> Engine Performance >> Engine Control System (SFI) >> Air Intake Control Circuit >> Wiring Diagram
April 5, 2026: LEMON Manuals is launched! Read the announcement.

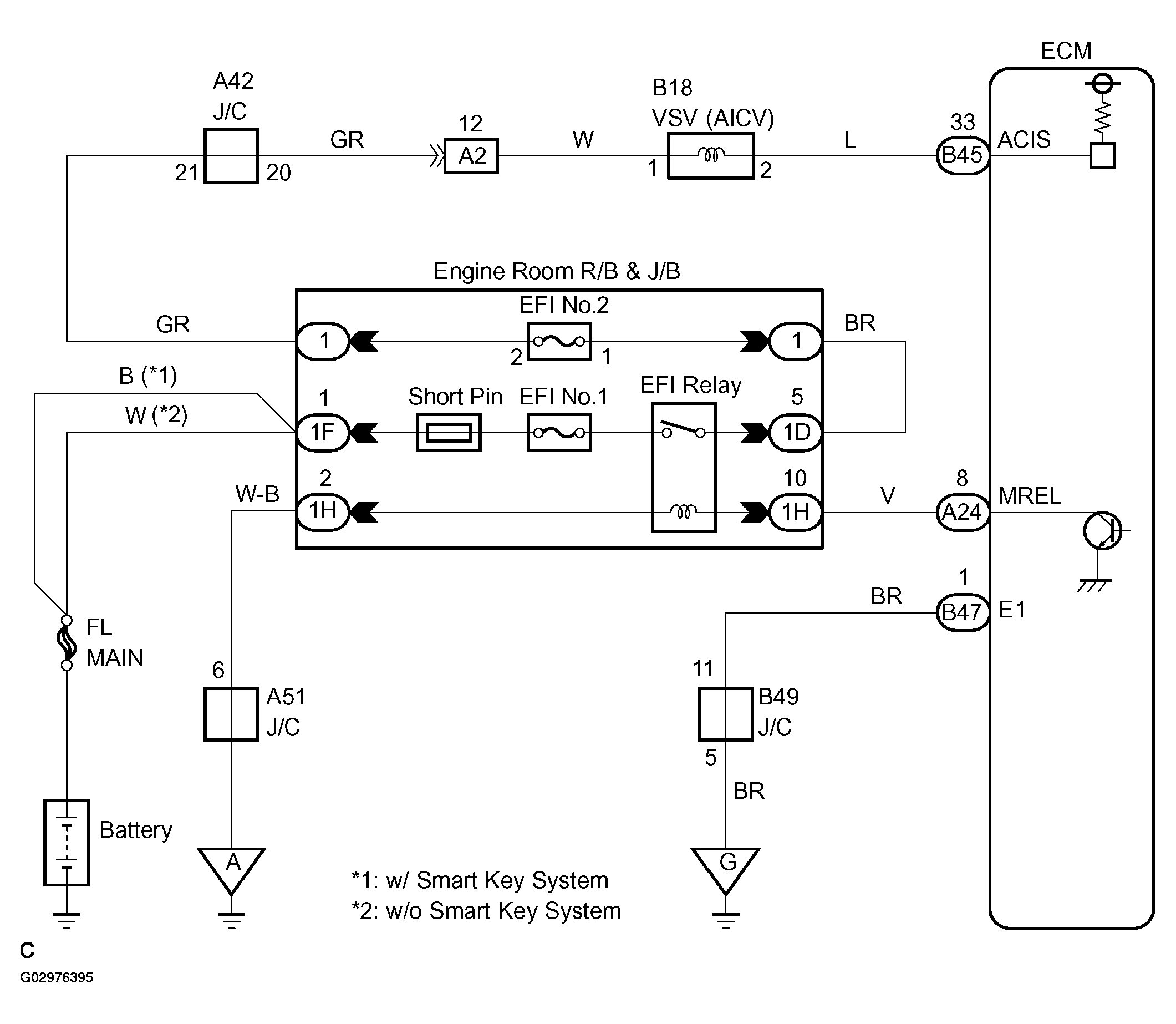
Air Intake Control Circuit: Wiring Diagram

Fig 1: Identifying Wiring Diagram
G02976395Courtesy of © TOYOTA, LICENSE AGREEMENT TMS1002