LEMON Manuals: Even more car manuals for everyone: 1960-2025
Home >> Toyota >> 2005 >> Camry Base, Standard >> Repair and Diagnosis (Single Page) >> Accessories & Equipment >> Anti-Theft Systems >> Power Door Lock - Diagnostics >> Power Door Lock Control System >> Key Lock-In Prevention Function Does Not Work Properly (Manual Operation And Interlocked With Key Are Active) >> Wiring Diagram
April 5, 2026: LEMON Manuals is launched! Read the announcement.

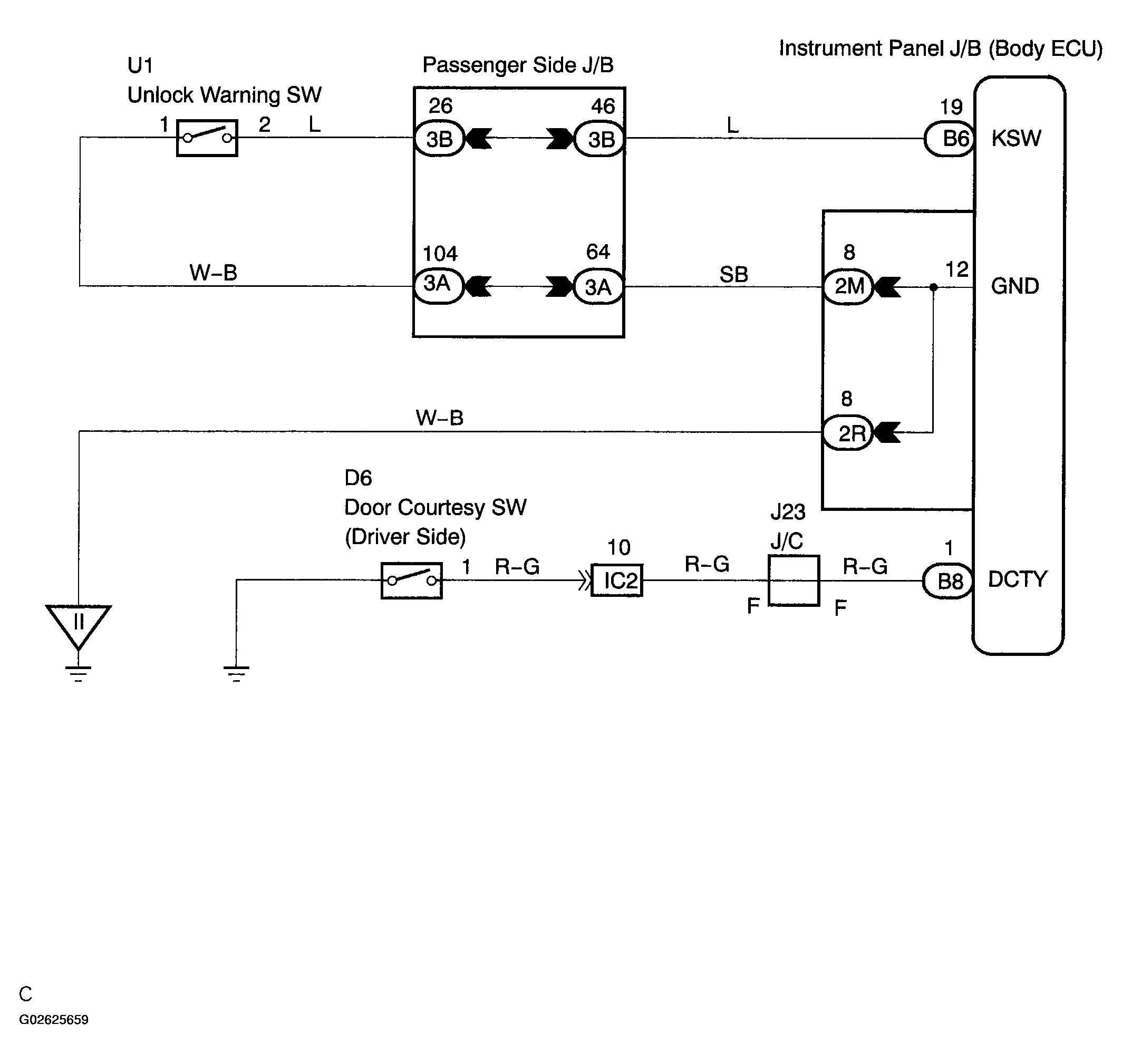
Key Lock-In Prevention Function Does Not Work Properly (Manual Operation And Interlocked With Key Are Active): Wiring Diagram

Fig 1: Key Lock-In Prevention Function Not Work Properly Wiring Diagram
G02625659Courtesy of © TOYOTA, LICENSE AGREEMENT TMS1002