LEMON Manuals: Even more car manuals for everyone: 1960-2025
Home >> Toyota >> 2005 >> Matrix 2WD L4-1.8L (1ZZ-FE) >> Repair and Diagnosis >> Powertrain Management >> Computers and Control Systems >> Information Bus >> Testing and Inspection >> Component Tests and General Diagnostics >> Check CAN Bus Line For Short to +B
April 5, 2026: LEMON Manuals is launched! Read the announcement.

Check CAN Bus Line For Short to +B

CHECK CAN BUS LINE FOR SHORT TO +B

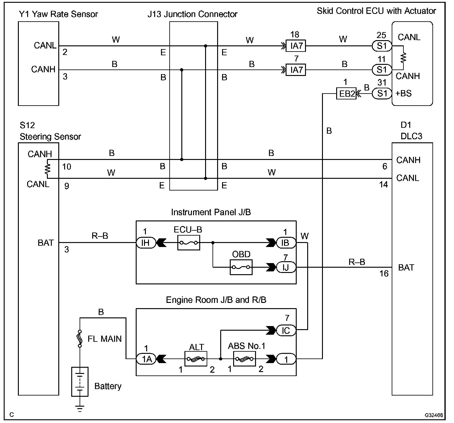
CIRCUIT DESCRIPTION




A short to +B is suspected in the CAN bus line when there is continuity between terminals 16 (BAT) and 6 (CANH) or terminals 16 (BAT) and 14 (CANL) of the DLC3.

Wiring Diagram:






Step 1 - 3:




Step 4 - 5:




Step 6 - 7:




INSPECTION PROCEDURE