LEMON Manuals: Even more car manuals for everyone: 1960-2025
Home >> Toyota >> 2005 >> Matrix 2WD L4-1.8L (1ZZ-FE) >> Repair and Diagnosis >> Powertrain Management >> Computers and Control Systems >> Information Bus >> Testing and Inspection >> Component Tests and General Diagnostics >> Check CAN Bus Line For Short to GND
April 5, 2026: LEMON Manuals is launched! Read the announcement.

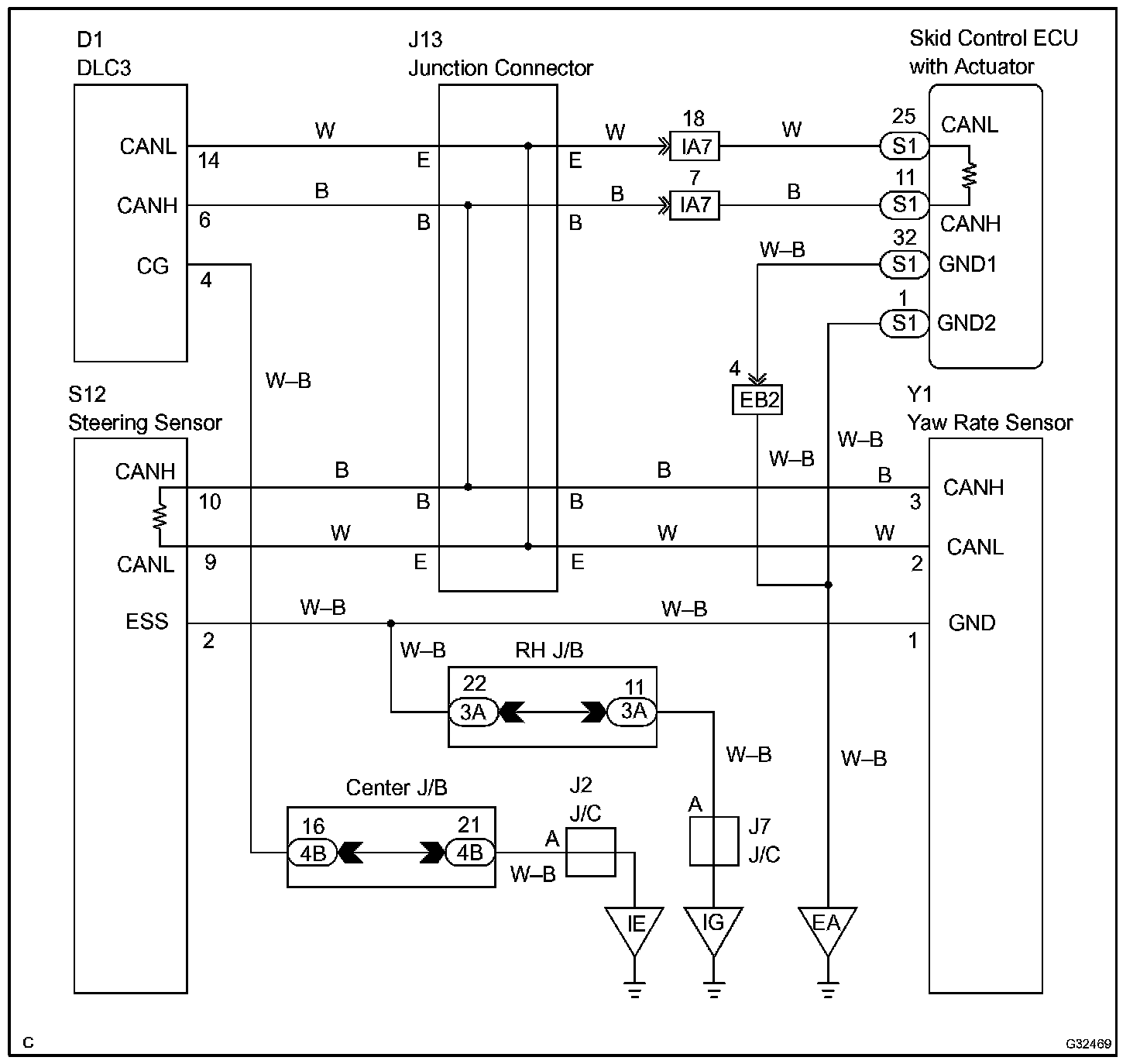
Check CAN Bus Line For Short to GND

CHECK CAN BUS LINE FOR SHORT TO GND

CIRCUIT DESCRIPTION




A short to GND is suspected in the CAN bus line when there is continuity between terminals 4 (CG) and 6 (CANH) or terminals 4 (CG) and 14 (CANL) of the DLC3.

Wiring Diagram:






Step 1 - 3:




Step 4 - 5:




Step 6 - 7:




INSPECTION PROCEDURE