LEMON Manuals: Even more car manuals for everyone: 1960-2025
Home >> Toyota >> 2005 >> Matrix 2WD L4-1.8L (1ZZ-FE) >> Repair and Diagnosis >> Powertrain Management >> Computers and Control Systems >> Information Bus >> Testing and Inspection >> Component Tests and General Diagnostics >> Check CAN Main Bus Line For Disconnection
April 5, 2026: LEMON Manuals is launched! Read the announcement.

Check CAN Main Bus Line For Disconnection

CHECK CAN MAIN BUS LINE FOR DISCONNECTION

CIRCUIT DESCRIPTION




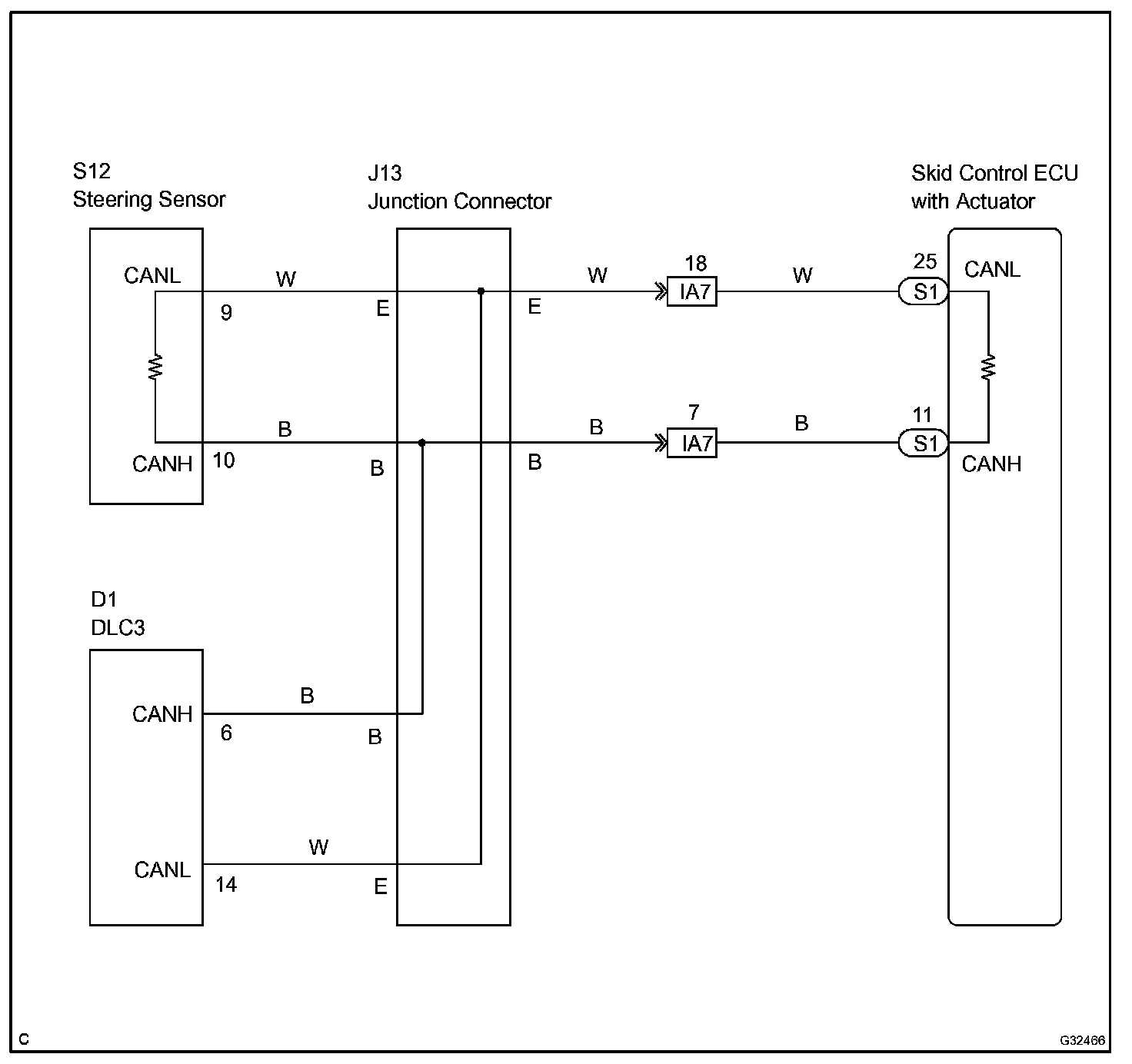
The CAN main bus line and DLC3 sub bus line may have a disconnection when the resistance between terminals 6 (CANH) and 14 (CANL) of the DLC3 is more than 69Ohms.

Wiring Diagram:






Step 1 - 2:




Step 3 - 4:




INSPECTION PROCEDURE